Материнские платы MSI MAG B550M - инструкция пользователя по применению, эксплуатации и установке на русском языке. Мы надеемся, она поможет вам решить возникшие у вас вопросы при эксплуатации техники.
Если остались вопросы, задайте их в комментариях после инструкции.
"Загружаем инструкцию", означает, что нужно подождать пока файл загрузится и можно будет его читать онлайн. Некоторые инструкции очень большие и время их появления зависит от вашей скорости интернета.

23
Übersicht der Komponenten
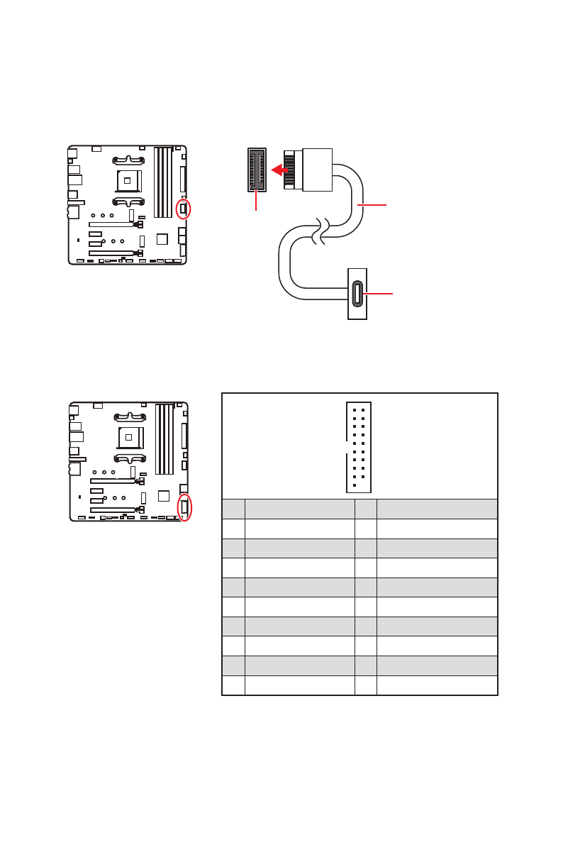
JUSB1: USB 3.2 Gen 1 5Gbit/s Typ-C Anschluss
Mit diesem Anschluss können Sie den USB 3.2 Gen 1 5 Gbit/s Typ-C Anschluss auf
dem Frontpanel verbinden. Der Anschluss verfügt über ein besonders sicheres
Design. Wenn Sie das Kabel anschließen, müssen Sie es in der entsprechenden
Ausrichtung verbinden.
JUSB2: USB 3.2 Gen 1 5Gbit/s Anschluss
Mit diesem Anschluss können Sie die USB 3.2 Gen 1 5Gbit/s Anschlüsse auf dem
Frontpanel verbinden.
⚠
Wichtig
Bitte beachten Sie, dass Sie die mit „Stromführende Leitung“ und „Erdleitung“
bezeichneten Pins korrekt verbinden müssen, ansonsten kann es zu Schäden
kommen
1
10
11
20
1
Power
11
USB2.0+
2
USB3_RX_DN
12
USB2.0-
3
USB3_RX_DP
13
Ground
4
Ground
14
USB3_TX_C_DP
5
USB3_TX_C_DN
15
USB3_TX_C_DN
6
USB3_TX_C_DP
16
Ground
7
Ground
17
USB3_RX_DP
8
USB2.0-
18
USB3_RX_DN
9
USB2.0+
19
Power
10
Ground
20
No Pin
JUSB1
USB Typ-C Kabel
USB Typ-C
Anschluss auf dem
Frontpanel
Содержание
- 11 XI; Installing a Graphics Card/ Einbau der Grafikkarte/ Installer
- 12 XII; Connecting Peripheral Devices/ Peripheriegeräte/ Connecter
- 125 Содержание
- 126 Вход в настройки BIOS
- 127 Безопасное использование продукции
- 128 Технические характеристики; Процессор; Слот расширения
- 129 SATA
- 130 Разъемы на плате
- 131 UEFI AMI BIOS
- 132 Продолжение с предыдущей страницы; Программное; Драйверы; Функции MSI; Продолжение на следующей странице
- 133 Эксклюзивные
- 134 Комплект поставки; MAG B550M MORTAR MAX WIFI
- 135 BIOS; Конфигурация портов Аудио; Задняя панель портов ввода/ вывода; DisplayPort; индикатора; Таблица состояний индикатора порта LAN; Порты Аудио
- 136 ∙ Выбор устройства; Автоматическое всплывающее диалоговое окно
- 137 Подключение наушников и микрофона
- 140 Процессор AM4
- 141 Слоты DIMM; Рекомендации по установке модулей памяти
- 142 MSI Gaming Series Graphics Card Bolster; для поддержки веса; Таблица комбинации для слотов M.2 и PCIe; Слот
- 143 Видео Инструкция; Смотрите видео, чтобы узнать как; Установка устройства в разъем M2_1; Удалите винты для радиатора M.2 SHIELD FROZR.
- 144 Стойка для радиатора; Установка устройства в разъем M2_2; соответствии с длиной вашего M.2 SSD. Если модуль M.2 SSD и радиатор
- 145 JAUD1: Разъем аудио передней панели; расположенных на передней панели.
- 146 подключения всех кабелей питания к блоку питания АТХ.
- 147 правильно относительно разъема.
- 148 контакты VCC и земли.; JTPM1: Разъем модуля ТРМ
- 149 Переключение режимов работы и скорости вращения вентилятора; Назначение контактов разъема для подключения вентилятора; Разъем
- 150 JCI1: Разъем датчика открытия корпуса; Использование датчика открытия корпуса; Сброс сообщения об открытии корпуса
- 151 Сброс настроек BIOS до значений по умолчанию
- 152 обесточить систему и отключить кабель питания.; JRGB1: Разъем RGB LED; Подключение RGB светодиодных лент
- 153 светодиодных лент 5В к разъему JRGB приведет к их повреждению.; Подключение адресных RGB светодиодных лент
- 154 Индикаторы отладки EZ; - память DRAM не обнаружена или повреждена.; - устройство загрузки не обнаружено или; LED_SW1: Переключатель для управления индикаторами; на материнской плате.
- 155 Установка ОС, драйверов и MSI Center; Установка Windows 10/ Windows 11; Установка драйверов; Инструкции по использованию MSI Center
- 156 Преимущества UEFI; ∙ 32-битная ОС Windows; Как проверить режим BIOS?
- 157 Настройка BIOS; всегда устанавливайте настройки по умолчанию; Функциональные клавиши; Инструкции по настройке BIOS
- 158 Сброс BIOS; очистки данных CMOS; Обновление BIOS; Обновление BIOS при помощи M-FLASH
- 159 Обновление BIOS при помощи MSI Center; Обновление BIOS при помощи кнопки Flash BIOS; порт Flash BIOS
- 309 DEUTSCH; Hinweis von MSI zur Erhaltung und Schutz unserer Umwelt; FRANÇAIS; les points de collecte.; РУССКИЙ
Характеристики
Остались вопросы?Не нашли свой ответ в руководстве или возникли другие проблемы? Задайте свой вопрос в форме ниже с подробным описанием вашей ситуации, чтобы другие люди и специалисты смогли дать на него ответ. Если вы знаете как решить проблему другого человека, пожалуйста, подскажите ему :)