Кондиционеры Daikin EWYQ-F-XL - инструкция пользователя по применению, эксплуатации и установке на русском языке. Мы надеемся, она поможет вам решить возникшие у вас вопросы при эксплуатации техники.
Если остались вопросы, задайте их в комментариях после инструкции.
"Загружаем инструкцию", означает, что нужно подождать пока файл загрузится и можно будет его читать онлайн. Некоторые инструкции очень большие и время их появления зависит от вашей скорости интернета.

D-EIMHP00604-14EU - 45/208
11.
Wanneer er glycol aan het hydraulische systeem wordt toegevoegd
als antivriesbescherming, moet men erop letten dat de aanzuigdruk
lager zal zijn, de prestaties van de groep zullen immers minder zijn
en de drukschommelingen groter. Alle beschermingssystemen van
de groep zoals de antivries en de bescherming lage druk moeten
opnieuw worden afgesteld.
12.
Controleer of er geen lekken zijn vooraleer de waterleidingen te
isoleren.
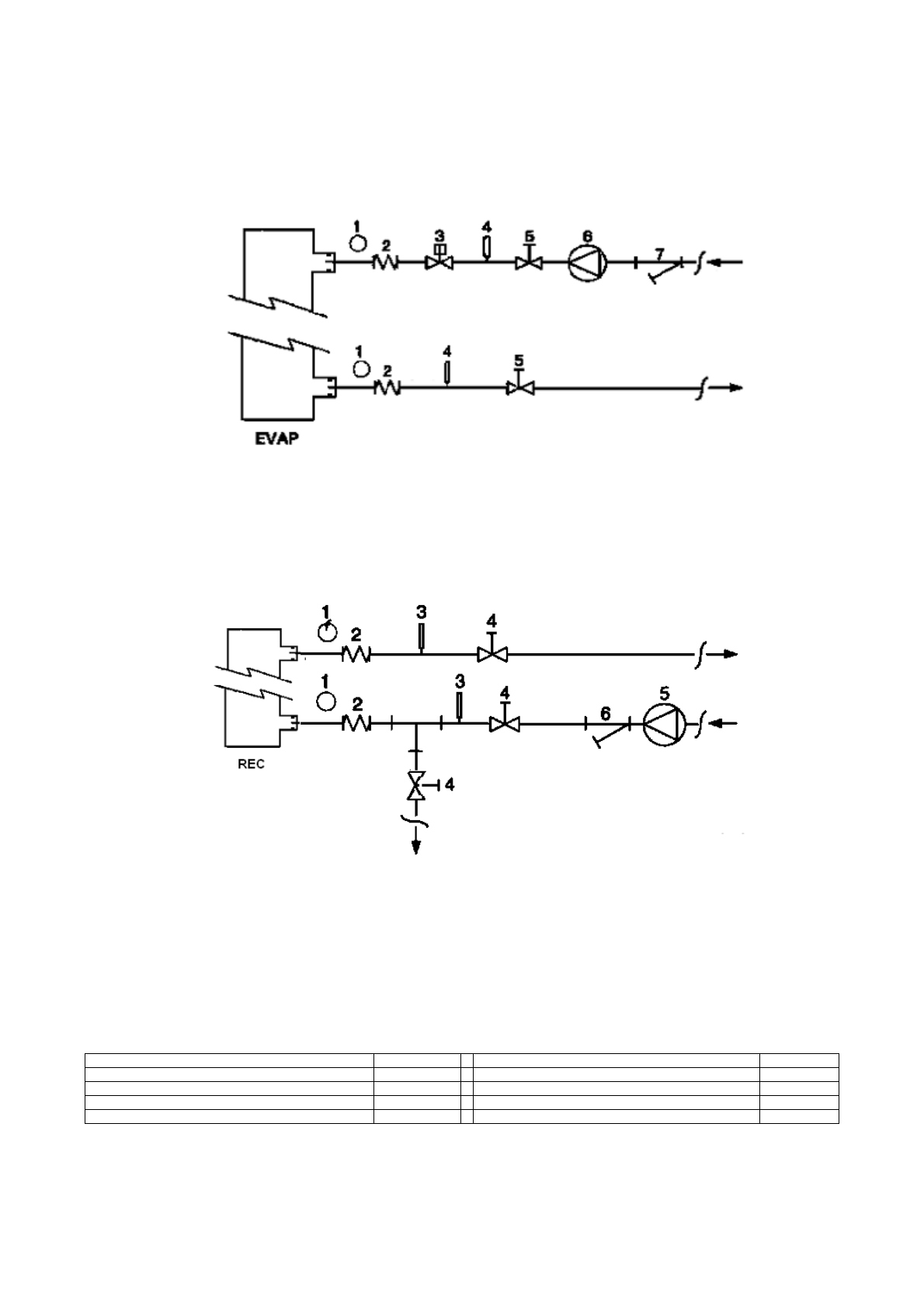
Figuur 5 - Aansluiting van de waterleidingen voor de verdamper
1.
Manometer
2.
Flexibele connector
3.
Debietregelaar
4.
Temperatuursonde
5.
Afsluitklep
6.
Pomp
7.
Filter
Figuur 6 - Aansluiting van de waterleidingen voor de warmtewisselaars voor
warmterecuperati
1.
Manometer
2.
Flexibele connector
3.
Temperatuursonde
4.
Afsluitklep
5.
Pomp
6.
Filter
Behandeling van het water
Vooraleer de groep te bedienen moet men het watercircuit
schoonmaken. Vuil, kalk, corrosieaanslag en ander materiaal kunnen
zich in de warmtewisselaar ophopen en op die manier de capaciteit
voor warmte-uitwisseling verminderen. De drukschommeling kan ook
vergroten, waardoor het debiet van het water vermindert. Een geschikte
behandeling van het water kan daarom het risico op corrosie,
aftakeling, kalkvorming enz. verminderen. De meest geschikte
behandeling van het water moet ter plaatse worden bepaald op basis
van het type systeem en de eigenschappen van het water.
De fabrikant is niet verantwoordelijk voor eventuele schade of slechte
werking van het toestel veroorzaakt door geen of ongeschikte
behandeling van het water
.
Tabel 1 - Aanvaardbare kwaliteitslimieten van het water
pH (25°C)
6,8
÷
8,0
Totale hardheid (mg CaCO
3
/ l)
<
200
Elektrisch geleidingsvermogen
µ
S/cm (25°C)
<
800
Ijzer (mg Fe / l)
<
1,0
Chloride-ion (mg Cl
-
/ l)
<
200
Zwavelion (mg S
2
/ l)
Geen
Sulfaation (mg SO
2
4
-
/ l)
<
200
Ammoniumion (mg NH
4
+
/ l)
<
1,0
Alkaliciteit (mg CaCO
3
/ l)
<
100
Kiezelzuur (mg SiO
2
/ l)
<
50












