Кондиционеры Daikin EWYQ-F-XL - инструкция пользователя по применению, эксплуатации и установке на русском языке. Мы надеемся, она поможет вам решить возникшие у вас вопросы при эксплуатации техники.
Если остались вопросы, задайте их в комментариях после инструкции.
"Загружаем инструкцию", означает, что нужно подождать пока файл загрузится и можно будет его читать онлайн. Некоторые инструкции очень большие и время их появления зависит от вашей скорости интернета.

D-EIMHP00604-14EU - 155/208
11. Kada god se glikol doda u hidrauli
č
ni krug kao zaštita od leda,
pripazite da pritisak usisa bude što niži, time
ć
e i performance
cjeline biti slabiji a pad pritiska ve
ć
i.Svi sustavi za zaštitu cjeline,
kao što je rashladno sredstvo te zaštita od niskog pritiska se
trebaju ponovno regulirati.
12. Prije nego što izolirate cijevi za vodu, kontrolirajte da nema
propuštanja iz njih.
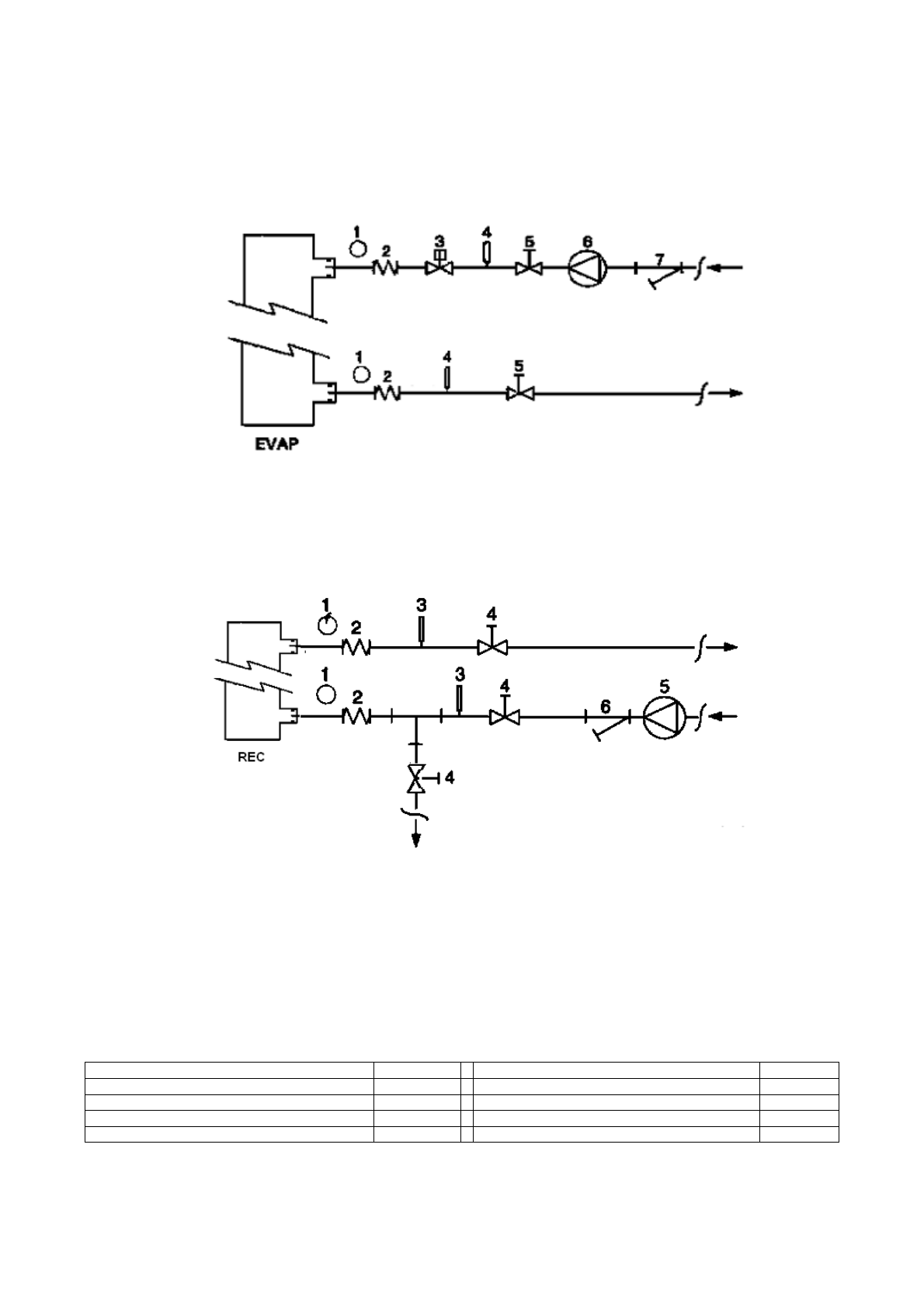
Slika 5 - Spajanje cijevi za vodu za ispariva
č
1.
Manometar
2.
Fleksibilna spojka
3.
Mjera
č
dotoka
4.
Temperaturna sonda
5.
Ventil za izolaciju
6.
Pumpa
7.
Filtar
Slika 6 - Spajanje cijevi za vodu za izmjenjiva
č
e koji nadokna
đ
uju toplinu
1.
Manometar
2.
Fleksibilna spojka
3.
Temperaturna sonda
4.
Ventil za izolaciju
5.
Pumpa
6.
Filtar
Tretiranje vode
Prije nego što pokrenete cjelinu, o
č
istite krug za vodu.
Prljavština, kamenac, otpaci hr
đ
e i drugi materijal se mogu
nagomilati u unutrašnjosti izmjenjiva
č
a topline te na taj na
č
in
smanjiti njegovu sposobnost termijskog izmjenjivanja. Može se
pove
ć
ati i pad pritiska i na taj na
č
in se smanjuje dotok vode.
Adekvatni tretman vode stoga smanjuje rizik od korozije,
erozije, stvaranja kamenca itd. Najprikladniji tretman vode se
treba odrediti lokalno s obzirom na vrstu sustava te na
karakteristike vode.
Proizvo
đ
a
č
ne
ć
e biti odgovoran za eventualna ošte
ć
enja ili
nepravilan rad aparature a koji su posljedica neobavljenog ili
nepravilnog tretmana vode.
Tablica 1 - Prihvatljive grani
č
ne vrijednosti kvalitete vode
pH (25°C)
6,8
÷
8,0
Ukupna tvrdo
ć
a (mg CaCO
3
/ l)
<
200
Elektri
č
na provodljivost
µ
S/cm (25°C)
<
800
Željezo (mg Fe / l)
<
1,0
Kloratni ion (mg Cl
-
/ l)
<
200
Sulfidni ion (mg S
2 -
/ l)
Nimalo
Sulfatni ion (mg SO
2
4
-
/ l)
<
200
Amonij ion (mg NH
4
+
/ l)
<
1,0
Alkalnost (mg CaCO
3
/ l)
<
100
Silicij (mg SiO
2
/ l)
<
50












