Кондиционеры Daikin EWYQ-F-XL - инструкция пользователя по применению, эксплуатации и установке на русском языке. Мы надеемся, она поможет вам решить возникшие у вас вопросы при эксплуатации техники.
Если остались вопросы, задайте их в комментариях после инструкции.
"Загружаем инструкцию", означает, что нужно подождать пока файл загрузится и можно будет его читать онлайн. Некоторые инструкции очень большие и время их появления зависит от вашей скорости интернета.

D-EIMHP00604-14EU - 165/208
és a nyomás esés n
ő
. A gép minden biztonsági renszerét, pl.
fagyálló és a kis nyomás elleni védelem újra be kell állítani.
12. A vízvezetékek szigetelése el
ő
tt ellen
ő
rizze, hogy a vezeték nem
folyik-e.
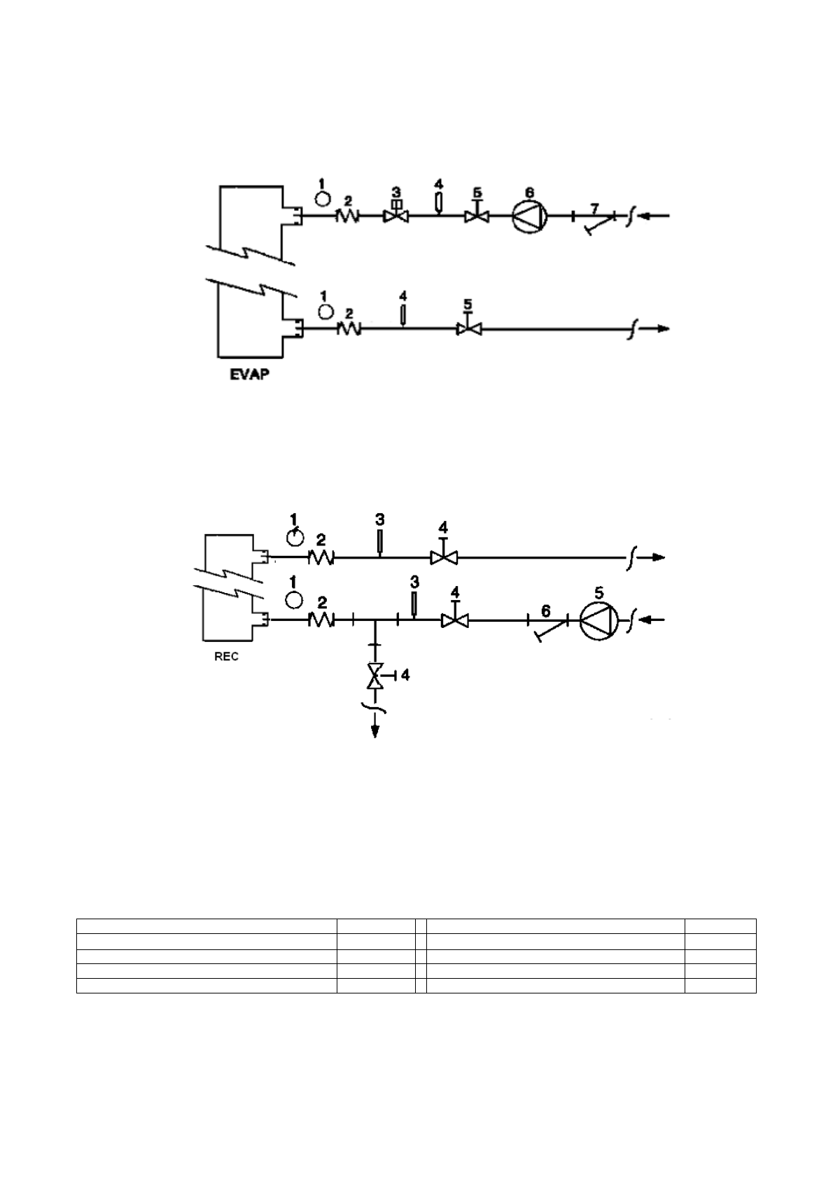
Ábra 5 - A vízvezetékek bekötése a párologtatóba
1.
Manométer
2.
Fexibilis csatlakozó
3.
Áramlás kapcsoló
4.
H
ő
mérséket mér
ő
szonda
5.
Izoláló szelep
6.
Szivattyú
7.
Sz
ű
r
ő
Ábra 6 - Vízvezetékek bekötése a h
ő
visszanyer
ő
h
ő
cserél
ő
khöz
1.
Manométer
2.
Fexibilis csatlakozó
3.
H
ő
mérséket mér
ő
szonda
4.
Izoláló szelep
5.
Szivattyú
6.
Sz
ű
r
ő
A víz kezelése
A
berendezés
beindítása
el
ő
tt,
tisztítsa
ki
a
vízvezetékrendszert. Piszok, vízk
ő
, rozsdás üledék és egyéb
anyagok lerakódhatnak a h
ő
cserél
ő
belsejében csökkentve a
h
ő
cserél
ő
teljesítményét. Valamint növelheti a nyomás esést,
csökkentve ezzel az átfolyó víz mennyiségét. A víz megfelel
ő
kezelésével csökkentheti a korrózó, erózió, vízk
ő
képz
ő
dés,
stb. veszélyét. A megfelel
ő
vízkezelést helyben kell
meghatározni a renszer és a víz tulajdonságai alapján.
A gyártó nem vonható felel
ő
sségre a nem megfelel
ő
vízkezelésb
ő
l származó károkért vagy a berendezés elégtelen
m
ű
ködéséért.
Táblázat 1 - Az elfogadható vízmin
ő
ség határértékei
pH (25°C)
6,8
÷
8,0
Összes vízkeménység (mg CaCO
3
/ l)
<
200
Elektromos vezet
ő
képesség
µ
S/cm (25°C)
<
800
Vas (mg Fe / l)
<
1,0
Klórion (mg Cl
-
/ l)
<
200
Szulfidion (mg S
2 -
/ l)
Nincs
Szulfátion (mg SO
2
4
-
/ l)
<
200
Ammóniumion (mg NH
4
+
/ l)
<
1,0
Alkalinitás (mg CaCO
3
/ l)
<
100
Szilíciumdioxid (mg SiO
2
/ l)
<
50












