Кондиционеры Daikin EWYQ-F-XL - инструкция пользователя по применению, эксплуатации и установке на русском языке. Мы надеемся, она поможет вам решить возникшие у вас вопросы при эксплуатации техники.
Если остались вопросы, задайте их в комментариях после инструкции.
"Загружаем инструкцию", означает, что нужно подождать пока файл загрузится и можно будет его читать онлайн. Некоторые инструкции очень большие и время их появления зависит от вашей скорости интернета.

D-EIMHP00604-14EU - 205/208
11.
Č
e vodovodnemu sistemu dodate glikol za zaš
č
ito pred
zmrzovanjem,  naj  bo  sesalni  tlak  nižji,  saj  bodo 
zmogljivosti  enote  nižje  in  padci  tlaka  višji.  Vse  zaš
č
itne
sisteme enote, kakršen je sistem za zaš
č
ito pred
zmrzovanjem, in nizkotla
č
no zaš
č
ito je treba ponovno
nastaviti.
12. Pred izolacijo vodovodnih cevi se prepri
č
ajte, da ne prihaja
do puš
č
anja.
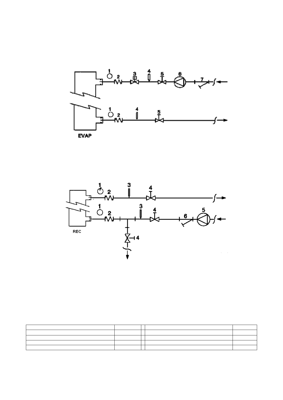
Slika 5 - Vezava vodovodnih cevi za izparilnik
1.
Manometer
2.
Gibka spojka
3.
Preto
č
no stikalo
4.
Temperature probe
5.
Izolacijski ventil
6.
Č
rpalka
7.
Filter
 
 
Slika 6 - Vezava vodovodnih cevi za izmenjevalnike rekuperatorja toplote
1.
Manometer
2.
Gibka spojka
3.
Temperaturna sonda
4.
Izolacijski ventil
5.
Č
rpalka
6.
Filter
Obdelava vode 
Pred  zagonom 
č
rpalke o
č
istite vodovodni sistem. Ne
č
isto
č
a,
vodni kamen, drobci rje in drugi delci se lahko kopi
č
ijo v
izmenjevalniku toplote in tako zmanjšujejo njegovo sposobnost 
toplotne  izmenjave.  Pove
č
a se lahko tudi padec tlaka in
posledi
č
no zmanjša pretok vode. Ustrezna obdelava vode
lahko torej zmanjša tveganje korozije, erozije, tvorjenja
vodnega  kamna  ipd.  Kakšna  vrsta  obdelave  vode  je 
najprimernejša  se  dolo
č
i lokalno, glede na vrsto sistema in
lastnosti vode.  
Proizvajalec ne odgovarja za morebitne poškodbe ali 
nepravilno delovanje naprave, ki bi bili posledica nepravilnega 
izvajanja ali neizvajanja postopka obdelave vode. 
Preglednica 1 - Sprejemljive mejne vrednosti kakovosti vode
pH (25°C)
6,8
÷
8,0
Skupna trdota (mg CaCO
3
/ l)
<
200
Elektri
č
na prevodnost
µ
S/cm (25°C)
<
800
Železo (mg Fe / l)
<
1.0
Kloridov ion (mg Cl
-
/ l)
<
200
Sulfidov ion (mg S
2 -
/ l)
Nobenega
Sulfatov ion (mg SO
2
4
-
/ l)
<
200
Amonijev ion (mg NH
4
+
/ l)
<
1.0
Alkalnost (mg CaCO
3
/ l)
<
100
Silicijev dioksid (mg SiO
2
/ l)
<
50
 
  
  
  
  
  
  
  
  
  
  
  
  
  
  
  
  
  
  
  
  
  
  
  
  
  
  
  
  
  
  
  
  
  
  
  
  
  
  
  
  
  
  
  
  
  
  
  
  
  
  
  
  
  
  
  
  
  
  
  
  
  
  
  
  
  
  
  
  
  
  
  
  
  
  
  
  
  
  
  
  
  
  
  
  
  
  
  
  
  
  
  
  
  
  
  
  
  
  
  
  
  
  
  
  
  
  
  
  
  
  
  
  
  
  
  
  
  
  
  
  
  
  
  
  
  
  
  
  
  
  
  
  
  
  
  
  
  
  
  
  
  
  
  
  
  
  
  
  
  
  
  
  
  
  
  
  
  
  
  
  
  
  
  
  
  
  
  
  
  
  
  
  
  
  
  
  
  
  
  
  
  
  
  
  
  
  
  
  
  
  
  
  
  
  
  
  
  
  
  
  
  
  
  
  
  
  
  
 











