Кондиционеры Daikin EWYQ-F-XL - инструкция пользователя по применению, эксплуатации и установке на русском языке. Мы надеемся, она поможет вам решить возникшие у вас вопросы при эксплуатации техники.
Если остались вопросы, задайте их в комментариях после инструкции.
"Загружаем инструкцию", означает, что нужно подождать пока файл загрузится и можно будет его читать онлайн. Некоторые инструкции очень большие и время их появления зависит от вашей скорости интернета.

D-EIMHP00604-14EU - 105/208
och tryckfallen större. Enhetens alla skyddssystem, såsom
frostskyddet och skydden mot lågtryck ska regleras på nytt.
11. Innan vattenledningarna isoleras, kontrollera att inga läckage
förekommer.
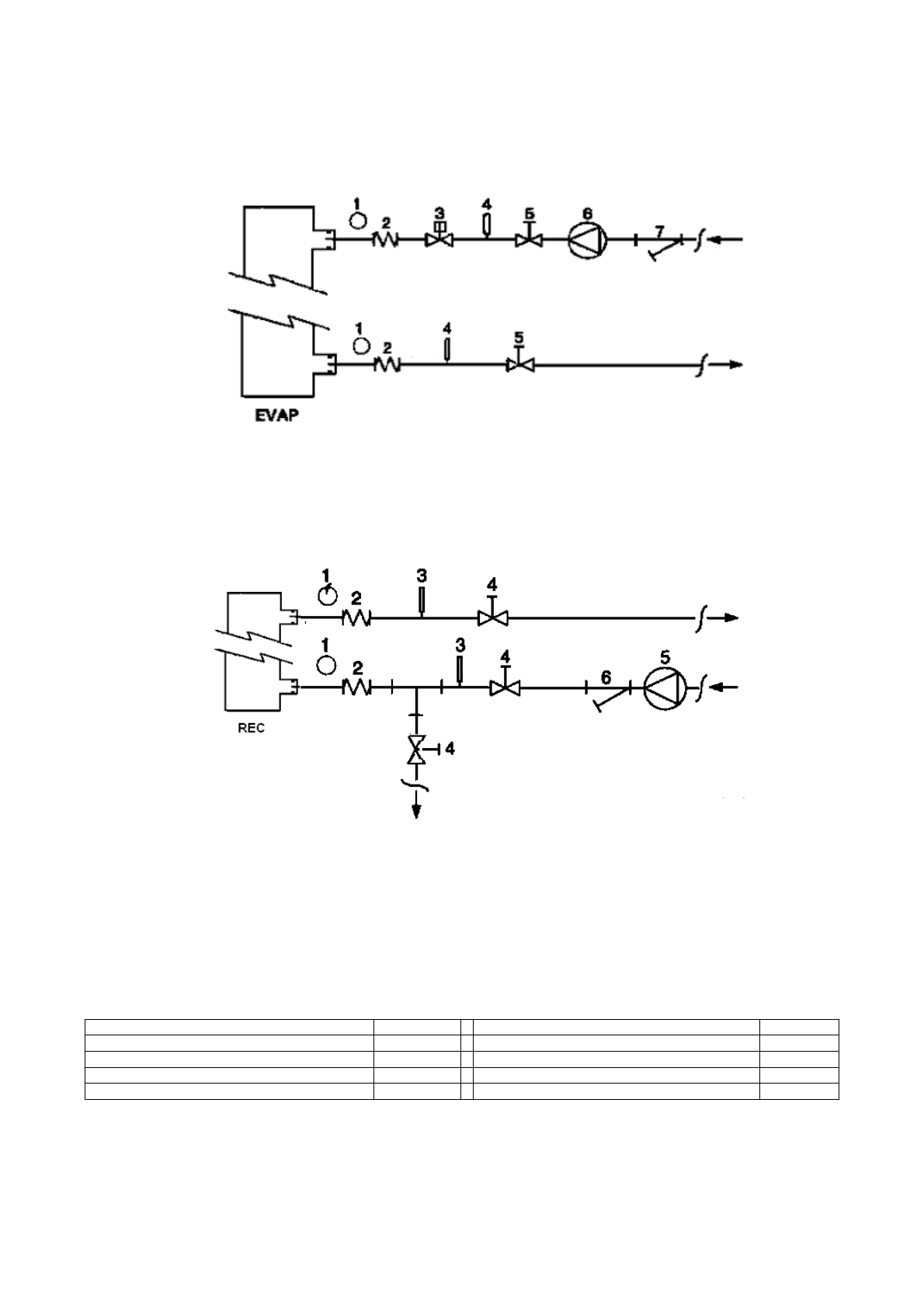
Figur 5 - Anslutning av vattenledningarna till förångaren
1.
Tryckmätare
2.
Flexibel konnektor
3.
Flödesmätare
4.
Temperatursond
5.
Isoleringsventil
6.
Pump
7.
Filter
Figur 6 - Anslutning av vattenledningarna till värmeväxlarna för värmeåtervinning
1.
Tryckmätare
2.
Flexibel konnektor
3.
Temperatursond
4.
Isoleringsventil
5.
Pump
6.
Filter
Vattenbehandling
Innan enheten körs, rengör vattenkretsen. Smuts, kalk,
korrosionsrester och annat material kan samlas inuti
värmeväxlaren och reducera dess värmeväxlande förmåga.
Även tryckfallet kan öka, vilket minska vattenflödet. En lämplig
behandling av vattnet kan sålunda reducera risken för
korrosion, erosion, kalkbildning, etc. Den lämpligaste formen
av vattenbehandling måste fastställas lokalt, baserat på typen
av system och vattnets egenskaper.
Tillverkaren är ej ansvarig för eventuella skador eller dålig
funktion hos apparaten till följd av utebliven eller felaktig
behandling av vattnet.
Tabell 1 - Gränsvärden för vattenkvaliteten
pH (25°C)
6,8
÷
8,0
Total hårdhet (mg CaCO
3
/ l)
<
200
Ledningsförmåga
µ
S/cm (25°C)
<
800
Järn (mg Fe / l)
<
1,0
Kloridjoner (mg Cl
-
/ l)
<
200
Sulfidjoner (mg S
2 -
/ l)
Inga
Sulfatjoner (mg SO
2
4
-
/ l)
<
200
Ammoniumjoner (mg NH
4
+
/ l)
<
1,0
Alkalitet (mg CaCO
3
/ l)
<
100
Kisel (mg SiO
2
/ l)
<
50












