Кондиционеры Daikin EWYQ-F-XL - инструкция пользователя по применению, эксплуатации и установке на русском языке. Мы надеемся, она поможет вам решить возникшие у вас вопросы при эксплуатации техники.
Если остались вопросы, задайте их в комментариях после инструкции.
"Загружаем инструкцию", означает, что нужно подождать пока файл загрузится и можно будет его читать онлайн. Некоторые инструкции очень большие и время их появления зависит от вашей скорости интернета.

D-EIMHP00604-14EU - 115/208
11. Hvis man har fylt glykol i vannet for å hindre at dette fryser, må man
være oppmerksom på at sugetrykket vil være lavere. Enheten vil yte
mindre og tap av vanntrykk vil være større. Alle enhetens
vernesystem, som frostvæsken, og lavtrykksvern må reguleres på
nytt.
12. Før man isolerer vannledningene må man kontrollere at det ikke finnes
lekkasje.
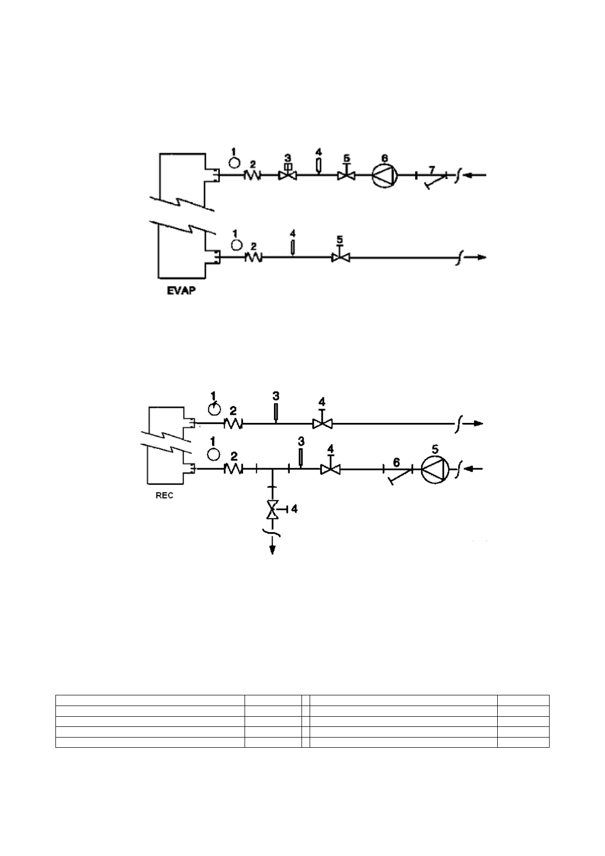
Figur 5 - Forbindelse av vannledninger for evaporator
1.
Manometer
2.
Fleksibelt forbindelsesstykke
3.
Strømningsvakt
4.
Temperaturføler
5.
Avstengningsventil
6.
Pumpe
7.
Filter
Figur 6 - Forbindelse av vannledninger for vekslere for varmegjenvinning
1.
Manometer
2.
Fleksibelt forbindelsesstykke
3.
Temperaturføler
4.
Avstengningsventil
5.
Pumpe
6.
Filter
Vannbehandling
Før man aktiverer enheten må vannkretsløpet renses. Skit,
kjelstein, korrosjonsavfall og andre materialer kan samle seg
inne i varmeveksleren og redusere dens kapasitet når det
gjelder varmeveksling. Det kan også forekomme trykktap, med
redusert
vannstrømning
som
følge.
En
skikkelig
vannbehandling reduserer derfor faren for korrosjon, erosjon,
kjelstein, osv. Hvilken vannbehandling som egner seg best
avhenger av type system og egenskapene til vannet hvor
enheten anvendes.
Produsenten kan ikke holdes ansvarlig for skader på eller en
eventuell feilfunksjon av utstyret grunnet en feil eller uegnet
behandling av vannet.
Tabell 1 - Akseptable grenser for vannets kvalitet
pH (25°C)
6,8
÷
8,0
Total hardhet (mg CaCO
3
/ l)
<
200
Elektrisk ledningsevne
µ
S/cm (25 °C)
<
800
Jern (mg Fe / l)
<
1,0
Klorid-ion (mg Cl
-
/ l)
<
200
Sulfid-ion (mg S
2 -
/ l)
Ingen
Sulfat-ion (mg SO
2
4
-
/ l)
<
200
Ammonium-ion (mg NH
4
+
/ l)
<
1,0
Alkali (mg CaCO
3
/ l)
<
100
Silika (mg SiO
2
/ l)
<
50












