Котел Buderus Logamax plus GB162-65 - инструкция пользователя по применению, эксплуатации и установке на русском языке. Мы надеемся, она поможет вам решить возникшие у вас вопросы при эксплуатации техники.
Если остались вопросы, задайте их в комментариях после инструкции.
"Загружаем инструкцию", означает, что нужно подождать пока файл загрузится и можно будет его читать онлайн. Некоторые инструкции очень большие и время их появления зависит от вашей скорости интернета.

Монтаж
7
Logamax plus GB162-65/80/100
-
Оставляем за собой право на изменения.
23
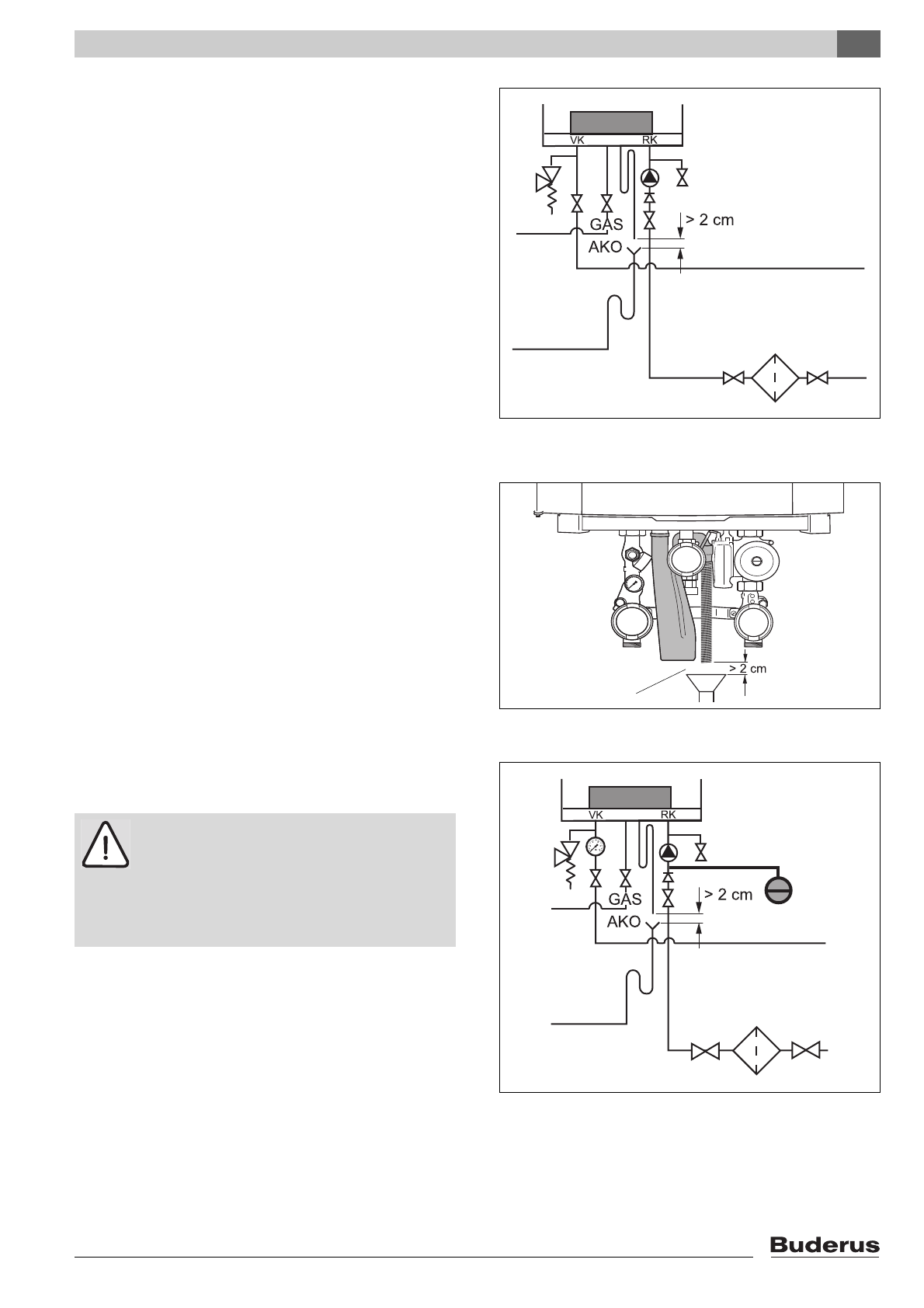
7.2.11 Подключение линии отвода конденсата
Провести линию отвода конденсата к сливной
воронке (рис. 19, поз. 1 и рис. 20, поз. 1).
Соблюдайте следующие предписания:
–
Местные предписания касательно сточных вод.
–
Линия отвода конденсата должна подводиться к
сливной воронке с разрывом. Минимальное
расстояние между сливной воронкой и линией
отвода конденсата должно составлять 2 см.
7.2.12 Подключение расширительного бака в
случае отдельного монтажа
Подключить расширительный бак к обратной
линии котла (RK).
При наличии гидравлического разделителя
подключить расширительный бак к обратной
линии вторичного контура. (рис. 21, поз. 1).
Ðèñ. 19
Ïîäêëþ÷åíèå ñèôîíà
1:
Ñèôîí
Ðèñ. 20
Ëèíèÿ îòâîäà êîíäåíñàòà
1:
ìèíèìàëüíîå ðàññòîÿíèå > 2 ñì
1
1
Ðèñ. 21
Ïîäêëþ÷åíèå ðàñøèðèòåëüíîãî áàêà â ñëó÷àå
îòäåëüíîãî ìîíòàæà
1:
Ðàñøèðèòåëüíûé áàê
1
ВОЗМОЖНО ПОВРЕЖДЕНИЕ
ОБОРУДОВАНИЯ
вследствие неисправного
предохранительного клапана.
Размер расширительного бака
должен быть достаточным.
Содержание
- 2 Сервисный уровень
- 3 Оставляем за собой право на изменения.; Описание оборудования
- 5 Содержание
- 6 Общие положения; Защита от замерзания
- 7 Нормы; Об этой инструкции; Нормы, предписания и директивы; Описание; Íîðìû, ïðåäïèñàíèÿ è äèðåêòèâû
- 8 Применение по назначению; можно; Помещение для установки котла; EnEV; вследствие замерзания установки.
- 9 Качество котловой воды; ВОЗМОЖНО ПОВРЕЖДЕНИЕ КОТЛА
- 10 Действительность норм
- 11 Указания по безопасной эксплуатации; Условные обозначения; Открыть окна и двери!
- 12 Утилизация
- 13 Транспортировка; Перевезти котел на место установки.; Ïðàâèëüíûé ïîäúåì è ïåðåíîñ îòîïèòåëüíîãî êîòëà; ОПАСНОСТЬ ПОЛУЧЕНИЯ ТРАВМ
- 14 Объем поставки; Проверьте целостность упаковки.; коробка
- 15 Размеры; Ðàçìåðû è ïîäêëþ÷åíèÿ áåç ãðóïïû ïîäêëþ÷åíèÿ (ðàçìåðû â ìì)
- 16 Ðàçìåðû è ïîäêëþ÷åíèÿ ñ ãðóïïîé ïîäêëþ÷åíèÿ (ðàçìåðû â ìì)
- 17 Монтаж; Монтаж отопительного котла на стене; Снимите упаковку и утилизируйте.; Óñòàíîâêà íàñòåííîãî êðîíøòåéíà
- 18 Монтаж на каскадной раме; Ïåðåìåùåíèå îòîïèòåëüíîãî êîòëà
- 19 Подключение отопительного котла к системе водо- и газоснабжения; без группы подключения.; Ãðóïïà ïîäêëþ÷åíèÿ (äîïîëíèòåëüíîå îáîðóäîâàíèå)
- 20 Ðåçèíîâîå óïëîòíåíèå; ОПАСНО ДЛЯ ЖИЗНИ; Ïîäêëþ÷åíèå ãàçà; ОПАСНО ДЛЯ ЖИЗНИ
- 21 системы отопления; диаметром; Монтаж крана для заполнения и слива
- 24 1 Подключение линии отвода конденсата; Соблюдайте следующие предписания:; 2 Подключение расширительного бака в; Ïîäêëþ÷åíèå ñèôîíà
- 25 Конструкционные варианты исполнения; Для конструктивных вариантов исполнения B; Конструкционный вариант исполнения B
- 26 00 мм) и наружного воздуха; 00/150 мм. Данные о потере напора на каждом; труба 1 м; Подача воздуха / отвод дымовых газов (концентрическая система); Труба 1 м
- 27 Выполнение электрических подключений; кабель с одножильным проводом.; Îòêðûòèå äâåðè êîòëà
- 28 Êëåììíàÿ ïàíåëü
- 29 Ïîäêëþ÷åíèÿ êëåììíèêà
- 30 Îòêðûòèå ïàíåëè óïðàâëåíèÿ
- 33 Êàáåëü íàñîñà 230 Â ïåðåìåííîãî òîêà
- 35 5 Общее интегрирование и подключение; Ñåòåâîé øíóð; Óñòàíîâêà ñåòåâîãî øòåêåðà
- 36 Îòêðûâàíèå âûäâèæíîãî ÿùèêà
- 37 Ñíÿòèå çàùèòíîãî êîëïà÷êà
- 38 Ïîäêëþ÷åíèå íåñêîëüêèõ ìîäóëåé
- 40 Управление; Пусковой выключатель
- 42 Сервисный соединитель; Ãëàâíûé ðåãóëÿòîð BC10; Светодиод Состояние; Горит
- 43 Структура меню; меню режима нормальной работы; Ðåæèì íîðìàëüíîé ðàáîòû
- 44 Òåñò äûìîâûõ ãàçîâ; Меню сервисного режима; Ñåðâèñíûé ðåæèì
- 46 Ðó÷íîé ðåæèì; Меню Установки; Óñòàíîâêè
- 48 Пуск в эксплуатацию; Заполнение отопительной установки; ВНИМАНИЕ
- 50 Íàïîëíåíèå øëàíãà
- 51 Ñ÷èòûâàíèå ïîêàçàíèé ìàíîìåòðà
- 52 Óäàëåíèå âîçäóõà èç íàñîñà
- 53 Контроль и измерение; Çàïîëíåíèå ñèôîíà âîäîé; чтобы он вошел в зацепление.
- 54 Îòêðûòèå êðàíà äëÿ ïîäà÷è ãàçà
- 55 Óäàëåíèå âîçäóõà èç ãàçîïðîâîäà; в связи с выходящим газом.
- 56 Êîíòðîëü íàêëååê ñ âèäîì ãàçà; Труба Вентури; Äèàìåòð ãàçîâîãî ñîïëà; Вид газа
- 57 Измерение подаваемого давления газа; оборота; Îòêëþ÷åíèå îòîïèòåëüíîé óñòàíîâêè îò ýëåêòðîñåòè
- 59 Êîíòðîëü ñîîòíîøåíèÿ ãàçà è âîçäóõà
- 60 Ðàçíèöà ãàç/âîçäóõ ïðè íèçêîé íàãðóçêå
- 61 Контроль герметичности соединений в
- 62 Измерение содержания окиси углерода
- 63 Проведение функционального испытания
- 64 Èçìåðåíèå òîêà èîíèçàöèè
- 65 Установки; Установка максимальной температуры
- 66 приготовления горячей воды; Если установлено; Состояние
- 67 Заключительные работы; управления; в связи с образованием легионелл.; Çàêðûòèå äâåðè êîòëà
- 68 Протокол ввода в эксплуатацию; Работы при вводе в эксплуатацию; Значения замеров
- 69 Выключение; Закрыть главный запорный кран.; Выключение отопительной; Ñëèâ îòîïèòåëüíîé óñòàíîâêè
- 70 Осмотр; Подготовительные работы; Îòêëþ÷åíèå íàïðÿæåíèÿ îòîïèòåëüíîé óñòàíîâêè
- 71 Открывание двери котла; Все газо; Проверка внутренней герметичности газовой арматуры
- 75 Техническое обслуживание; 2 Техническое обслуживание; Демонтаж двери котла; Äåìîíòàæ äâåðè êîòëà
- 76 Ðèñ. 100 Îòñîåäèíåíèå ïîäêëþ÷åíèé ãàçîâîé àðìàòóðû
- 77 вентилятором и газовой арматурой; Ðèñ. 101 Èçâëå÷åíèå øòåêåðà íà âåíòèëÿòîðå
- 78 Демонтаж горелки и уплотнения горелки; Ðèñ. 103 Îòêðûâàíèå çàùåëîê
- 81 Ðèñ. 111 Ñíÿòèå âàííû äëÿ êîíäåíñàòà; при механической чистке.
- 82 Ðèñ. 113 ×èñòêà òåïëîîáìåííèêà
- 83 Контроль и установка; Ðèñ. 115 Îòêðûòèå êðàíà äëÿ ïîäà÷è ãàçà
- 84 Протокол технического обслуживания; ница
- 85 Показания дисплея; 3 Показания дисплея; Навешивание панели управления на раму котла; Ðèñ. 117 Îòâèí÷èâàíèå âèíòîâ
- 86 Установка панели управления обратно на дверь котла; Снять панель управления с рамы котла.; Индицируемые значения; Ðèñ. 119 Íàâåøèâàíèå ïàíåëè óïðàâëåíèÿ íà ðàìó êîòëà
- 87 Индицируемые коды; : для времени выбега
- 88 Èíäèöèðóåìûå êîäû
- 89 Нет
- 101 Технические данные; 4 Технические данные
- 102 Размеры и параметры для подключения; II
- 103 Топливо и оснащение; Природный газ; Исполнение; с забором внутреннего и наружного воздуха на горение
- 105 Список терминов; 5 Список терминов