Усилители Yamaha DSP-Z11 - инструкция пользователя по применению, эксплуатации и установке на русском языке. Мы надеемся, она поможет вам решить возникшие у вас вопросы при эксплуатации техники.
Если остались вопросы, задайте их в комментариях после инструкции.
"Загружаем инструкцию", означает, что нужно подождать пока файл загрузится и можно будет его читать онлайн. Некоторые инструкции очень большие и время их появления зависит от вашей скорости интернета.

Использование многозонной конфигурации
114
Ru
■
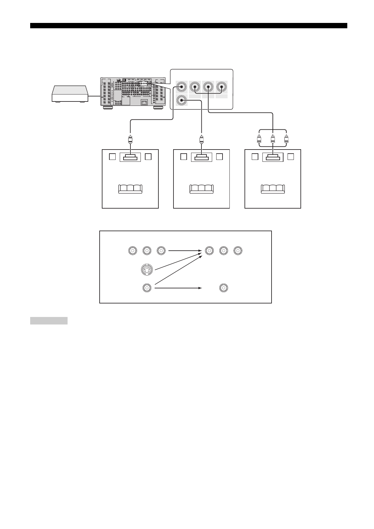
Подключение видеоэкрана Zone
Подключите видеоэкран(ы) в Zone 2 к гнездам ZONE OUT VIDEO и/или ZONE OUT COMPONENT VIDEO. При
подключении видеоэкранов нескольких зон к гнездам ZONE OUT VIDEO и/или ZONE OUT COMPONENT VIDEO, на
видеоэкранах будет одновременно воспроизводиться одинаковый источник.
■
Преобразование видеосигнала на видеосигналы компонента зоны
Видеосигналы низкого качества, поступающие на гнезда VIDEO или S VIDEO, могут выводиться на гнезда ZONE OUT COMPONENT VIDEO
неправильно.
Примечание
SPEAKERS
SPEAKERS
DIGITAL OUT
DOCK
ZONE OUT
VIDEO OUT
VIDEO IN
COMPONENT VIDEO
COMPONENT VIDEO
AC OUTLET
ZONE OUT
PRE OUT
AC IN
GND
MULTI CH INPUT
RS-232C
TRIGGER
OUT
REMOTE
AUDIO OUT
AUDIO IN
AUDIO IN
HDMI
NETWORK
USB
DIGITAL IN
COAXIAL
REAR
PRESENCE
/ZONE
FRONT
PRESENCE
/ZONE
SURROUND
(SINGLE)
SUR. BACK/
BI-AMP
FRONT B
/ZONE
FRONT A
ZONE
DVR
P
R
P
B
Y
P
R
P
B
Y
P
R
P
B
Y
CBL/SAT
COMPONENT VIDEO
DVD
VIDEO
VCR
VCR
DVR
VCR
CD-R
MD/TAPE
CD-R
CD
TUNER
PHONO
MD/TAPE
DVR
DVR
DTV
DVD
CBL/SAT
S VIDEO
VIDEO
MONITOR
OUT
MONITOR
OUT
OUT
1
2
IN
OUT
IN
FRONT (6CH)
CENTER
SUBWOOFER
SURROUND
CENTER
(FRONT)
(SINGLE)
SUR. BACK
(REAR)
SUBWOOFER
FRONT
PRESENCE
REAR
PRESENCE
FRONT
ZONE 2
ZONE 3
ZONE 4
SURROUND
SB (8CH)
1
2
1
2
OUT 2
OUT 1
BD/HD DVD
CD-R
DVD
DVR
DVD
DTV
CD
MD/TAPE
CBL/SAT
OPTICAL
OPTICAL
COAXIAL
BD/
HD DVD
8
7
6
5
4
3
2
1
EXTRA SP
REAR
PRESENCE
/ZONE
FRONT
PRESENCE
/ZONE
SURROUND
SUR. BACK/
BI-AMP
FRONT B
/ZONE
FRONT A
CENTER
EXTRA SP
DVR
CBL/SAT
DVD
BD/
HD DVD
A
B
C
D
1
2
3
4
5
4
5
IN1
IN2
IN3
IN4
VCR
DVR
DTV
DVD
CBL/SAT
1
2
3
4
5
4
5
+
+
R
L
R
L
R
L
R
L
R
L
ZONE OUT
P
R
P
B
Y
COMPONENT VIDEO
VIDEO
P
R
P
B
Y
V
V
Данный аппарат
Zone 2
Zone 3
Zone 4
Экран Zone
Экран Zone
Экран Zone
Компонент-
источник
Видеовход
Видеовход
Компонентный
вход
COMPONENT
VIDEO
VIDEO
COMPONENT
VIDEO
VIDEO
S-VIDEO
Содержание
- 5 Предупреждение: Внимательно изучите это перед; ПРЕДУПРЕЖДЕНИЕ
- 6 Сохранение и вызов системных настроек; Содержание; Введение
- 7 Возможные неисправности и способы по их; Дополнительная информация; DVD
- 8 Уведомления; О данном руководстве
- 10 Описание
- 11 Введе; Убедитесь в наличии всех следующих деталей.; Установка батареек в пульт ДУ; Извлеките крышку отделения для батареек.; Подготовка; Поставляемые аксессуары; Примечание; Примечания
- 12 LIGHT; Использование пульта ДУ; Примерно 6 м; Для отрытия, аккуратно нажмите на нижнюю часть панели.; Индикация
- 13 окружающего звучания; Краткое руководство пользователя; Наслаждайтесь
- 14 Для других конфигураций колонок; Шаг 1: Установите колонки
- 16 Общая информация по подключению
- 17 INPUT; Наслаждаетесь воспроизведением?; Шаг 3: Включите питание и
- 18 Для чего вам нужен данный аппарат?
- 19 Оптимизация настройки колонок для комнаты для
- 20 Соединения; Задняя панель
- 21 Размещение колонок; звучания; 0 см или более
- 22 правая
- 23 Подключение колонок; Предупреждение; экраном, разместите колонки на некотором расстоянии от экрана.
- 25 Подключение сабвуферов; Использование сабвуферов
- 26 Использование колонок присутствия; или выше
- 27 Подключение кабеля колонки; банановый штекер; Данный аппарат
- 28 Аудиогнезда; раздельным проводам компонентных видеокабелей.; Гнездо и штекер кабеля HDMI; Информация о гнездах и штекерах кабелей; Информация о HDMITM
- 29 Поток аудиосигнала; Поток аудио и видео сигнала; Выход; Прямо
- 30 Подключение телевизионного экрана или проектора
- 31 Подключение Blu-ray Disc или HD DVD-проигрывателя; Подключение других компонентов; DVD проигрыватель; обозначает рекомендуемые подключения
- 32 Подключение DVD-проигрывателя; Спутниковый ресивер или ресивер; Декодер HDTV
- 33 Подключение DVD-магнитофона; Видеомагнитофон
- 34 Подключение аудиокомпонентов
- 35 Подключение внешних усилителей; Для 6-канального входа
- 36 Использование гнезд REMOTE IN/OUT; Использование гнезд TRIGGER OUT
- 37 Подключение к сети; Подключение запоминающих устройств USB к портам USB
- 38 Подключение силового кабеля; К розетке переменного тока; Игровая консоль; Рекомендуется
- 39 Включение данного аппарата; Установка импеданса колонки и языка; A D V A N C E D S E T U P
- 40 Высвечивается при запуске режима; Дисплей фронтальной панели; VOLUME; LFE; DIGITAL PLUS
- 42 Колонки правильно подключены.; AMP
- 43 MENU; Нажмите; на фронтальной панели; Всенаправленный; Перед переходом к следующей операции
- 45 Сообщение об ошибке или предупреждение
- 46 и выйдите из меню автоматической настройки.
- 47 Основание микрофона
- 48 ENTER
- 49 Основное управление
- 50 Воспроизведение; Основная процедура; D V D; M o v i e
- 51 Осно; HDMI OUT; Использование функции Zone B; SPEAKERS B; Выбор гнезда HDMI OUT; Выбор; OFF; Использование наушников; : Кнопки аудиоисточников
- 52 С каждым нажатием; Отмена таймера сна; AUTO; Приглушение выводимого звучания; S L E E P; S T R A I G H T
- 53 Параметры в меню графического интерфейса пользователя
- 54 Поворачивайте селектор; установите селектор режима управления на; Программы звукового поля; Выбор программ звукового поля; Описание программ звукового поля; Индикаторы звукового поля
- 55 Для музыкальных аудиоисточников; Описания характеристик программ звукового поля; Размер пространства звукового поля (Размер); HiFi DSP
- 57 Для различных источников; Для визуальных музыкальных источников; ENTERTAIN
- 58 Для вечеринок; Для игровых программ; Для киноисточников; MOVIE
- 59 Стереофоническое воспроизведение; Режим декодера окружающего звучания; THX; ch Stereo
- 60 EXTD; Отключение режима “STRAIGHT”.; STRAIGHT; Использование режима; STRAIGHT
- 61 и дисплей фронтальной панели автоматически отключается.; LEVEL; Для увеличения значения, нажимайте; Использование аудиофункций; Настройка тонального качества; Настройка уровня колонок; Дисплей
- 62 Запись
- 63 Управление внутренним
- 64 Управление от пульта ДУ; DISPLAY; Использование iPodTM; Управление iPodTM
- 66 Yamaha; Использование сетевых/USB функций; Использование сетевого и USB меню
- 68 Отключите данный аппарат.
- 69 Нажмите и удерживайте; транслируется выбранная интернет-радиостанция.; TITLE; Использование интернет-радио
- 71 Дополнительное управление
- 72 Описание декодеров; Дополнительные конфигурации звучания; Выбор декодеров
- 73 Дополн; Для 2-канальных источников; Для многоканальных источников; Можно выбрать следующие программы THX Surround.
- 74 Дерево меню графического интерфейса пользователя DSP-Z11; Меню графического интерфейса пользователя (GUI)
- 76 Язык (Языковое меню графического интерфейса пользователя); Обзор меню графического интерфейса пользователя
- 77 Отрегулируйте “Уровень DSP” следующим образом:; Увеличивайте значение “Уровень DSP”, когда
- 78 Описание параметров звукового поля; Параметр; Тип декодера
- 80 Описания параметров стереофонических программ; Уровень реверб; Уровень
- 81 Выберите “Да” и затем нажмите
- 82 Выбор аудио (Селектор аудиовходного гнезда)
- 84 Bndry Gain Comp (Компенсация граничного усиления); Используется для ручной настройки любого параметра колонки.; Фронт презенс (Фронтальные колонки присутствия); Секция низкочастотного динамика колонки
- 85 Вывод сигналов LFE
- 86 Off; Данное меню используется для настройки звуковых параметров.; дБ
- 87 Выберите для настройки уровня LFE для колонки.; Регулировка сжатия динамического диапазона для колонок.
- 89 Шаг регулирования: 1 мс; Настройка каждой колонки
- 90 HDMI Масштаб (форматное соотношение HDMI)
- 91 Режим вечеринки (Настройки режима вечеринки)
- 92 Источник приема; Процедура сетевой конфигурации
- 94 Выберите данную функцию для настройки поддержки звучания HDMI.; Выбор входного/выходного гнезда
- 96 Сохранение с помощью кнопок; SYSTEM; Группа системных параметров
- 97 Переименование сохраненных настроек; Текущая выбранная группа параметров
- 98 Загрузка с помощью кнопок; Загрузка сохраненных системных настроек
- 99 На видеоэкране отображается следующее меню.; для подтверждения; Использование примеров; SYSTEM MEMORY 2; SYSTEM MEMORY 4; SYSTEM MEMORY 3; SYSTEM MEMORY 1
- 101 Управление данным аппаратом через веб-браузер
- 102 Управление данным аппаратом; Управление телевизором; TV; Функции пульта ДУ
- 103 Управление другими компонентами; Установите селектор режима управления на; SOURCE; Выбор компонента для управления; Повторно нажимая; Для выбора опционного режима, повторно нажимайте; SELECT; до отображения “OPTN1” или; Установите на SOURCE
- 104 “SETUP” отображается на дисплейном окошке пульта ДУ.; Можно установить режим подсветки для пульта ДУ.; Настройка пульта ДУ
- 105 Установите
- 106 ) поочередно отображаются “LEARN” и; На дисплейном окошке отображается “SETUP”.; START; Другой пульт ДУ; RNAME; Название из 3 букв
- 107 SETUP; HDDVD; MACRO
- 108 Функции макроса по умолчанию; Нажатие
- 109 Очистка конфигураций; Режим очистки; CLEAR; ERASE
- 110 Замена батарейки упрощенного пульта ДУ; Упрощенный пульт ДУ; Для снятия
- 111 Хотите-ли вы использовать внутренние усилители; Использование многозонной конфигурации; Шаг 1: Планировка многозонной; Шаг 1: Планировка многозонной системы; Режим предварительного усиления; Одновременно используемые колонки
- 112 Видеоэкран для второй комнаты.; Использование внутреннего усилителя данного аппарата; компонентов; Важное предупреждение по безопастности
- 113 Использование внешних усилителей; Поток аудиосигнала для Zone 2
- 114 Подключение видеоэкрана Zone
- 116 Назначение колонок зоны; Шаг 3: Установка параметра зоны; При выборе основной зоны, никакой
- 118 Использование экранного меню Zone; Использование режима вечеринки
- 119 Импеданс колонок; REMOTE SENSOR; Пробуждение через доступ к RS-232C; NET STANDBY; Установка ID ДУ; REMOTE CON AMP; Дополнительные настройки
- 120 ENGLISH
- 122 Общая часть; Возможные неисправности и способы по их устранению
- 126 iPod
- 127 Перезагрузка системы
- 128 Справочник
- 129 DTS-HD High Resolution Audio
- 130 Режим THX Cinema; Информация о THX
- 132 Воспроизведение звучания для каждой программы звукового поля
- 134 Доступные параметры для каждой программы звукового поля
- 135 Частота; Диаграмма 1; Стоячая волна; Информация о параметрическом эквалайзере
- 138 АУДИОРАЗДЕЛ; Технические характеристики
- 139 Совместимость сигнала HDMI; Аудиосигналы
- 140 Numerics; Предметный указатель
- 147 КАССЕТНАЯ ДЕКА