Кондиционеры Immergas 6 - инструкция пользователя по применению, эксплуатации и установке на русском языке. Мы надеемся, она поможет вам решить возникшие у вас вопросы при эксплуатации техники.
Если остались вопросы, задайте их в комментариях после инструкции.
"Загружаем инструкцию", означает, что нужно подождать пока файл загрузится и можно будет его читать онлайн. Некоторые инструкции очень большие и время их появления зависит от вашей скорости интернета.

55
INS
T
ALLER
US
ER
MAINTEN
AN
CE TECHNI
CI
AN
TECHNI
CAL D
A
T
A
32
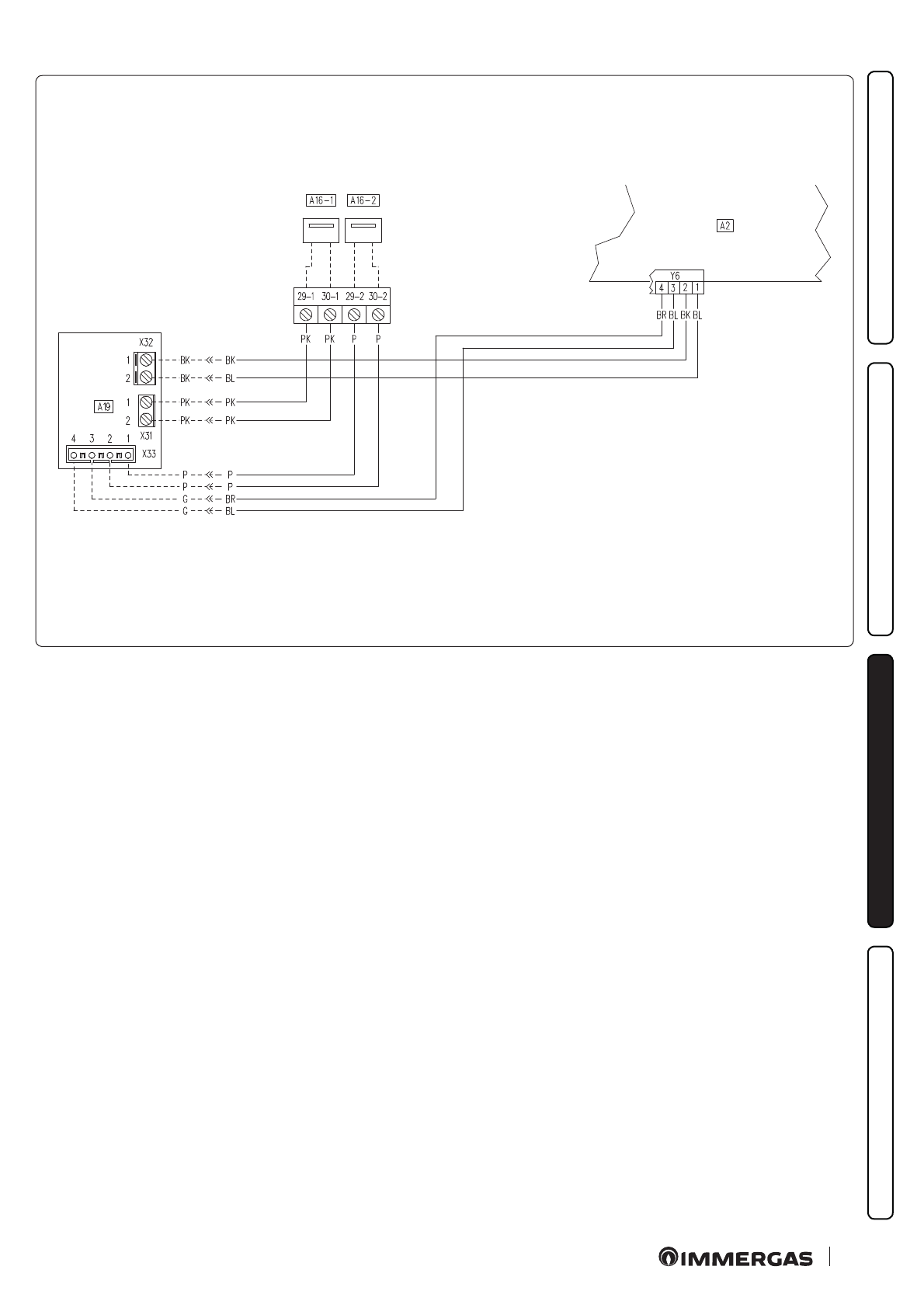
Key (Fig. 32):
A2 -
P.C.B.
A16-1 - Zone 1 dehumidifier (optional)
A16-2 - Zone 2 dehumidifier (optional)
A19
- Two-relay board (optional)
Colour code key (Fig. 32):
BK -
Black
BL -
Blue
BR -
Brown
G -
Green
GY -
Grey
G/Y -
Yellow/Green
OR -
Orange
P -
Purple
PK -
Pink
R -
Red
W -
White
Y -
Yellow
W/BK - White/Black
Характеристики
Остались вопросы?Не нашли свой ответ в руководстве или возникли другие проблемы? Задайте свой вопрос в форме ниже с подробным описанием вашей ситуации, чтобы другие люди и специалисты смогли дать на него ответ. Если вы знаете как решить проблему другого человека, пожалуйста, подскажите ему :)