Кондиционеры Immergas 6 - инструкция пользователя по применению, эксплуатации и установке на русском языке. Мы надеемся, она поможет вам решить возникшие у вас вопросы при эксплуатации техники.
Если остались вопросы, задайте их в комментариях после инструкции.
"Загружаем инструкцию", означает, что нужно подождать пока файл загрузится и можно будет его читать онлайн. Некоторые инструкции очень большие и время их появления зависит от вашей скорости интернета.

52
INS
T
ALLER
US
ER
MAINTEN
AN
CE TECHNI
CI
AN
TECHNI
CAL D
A
T
A
1
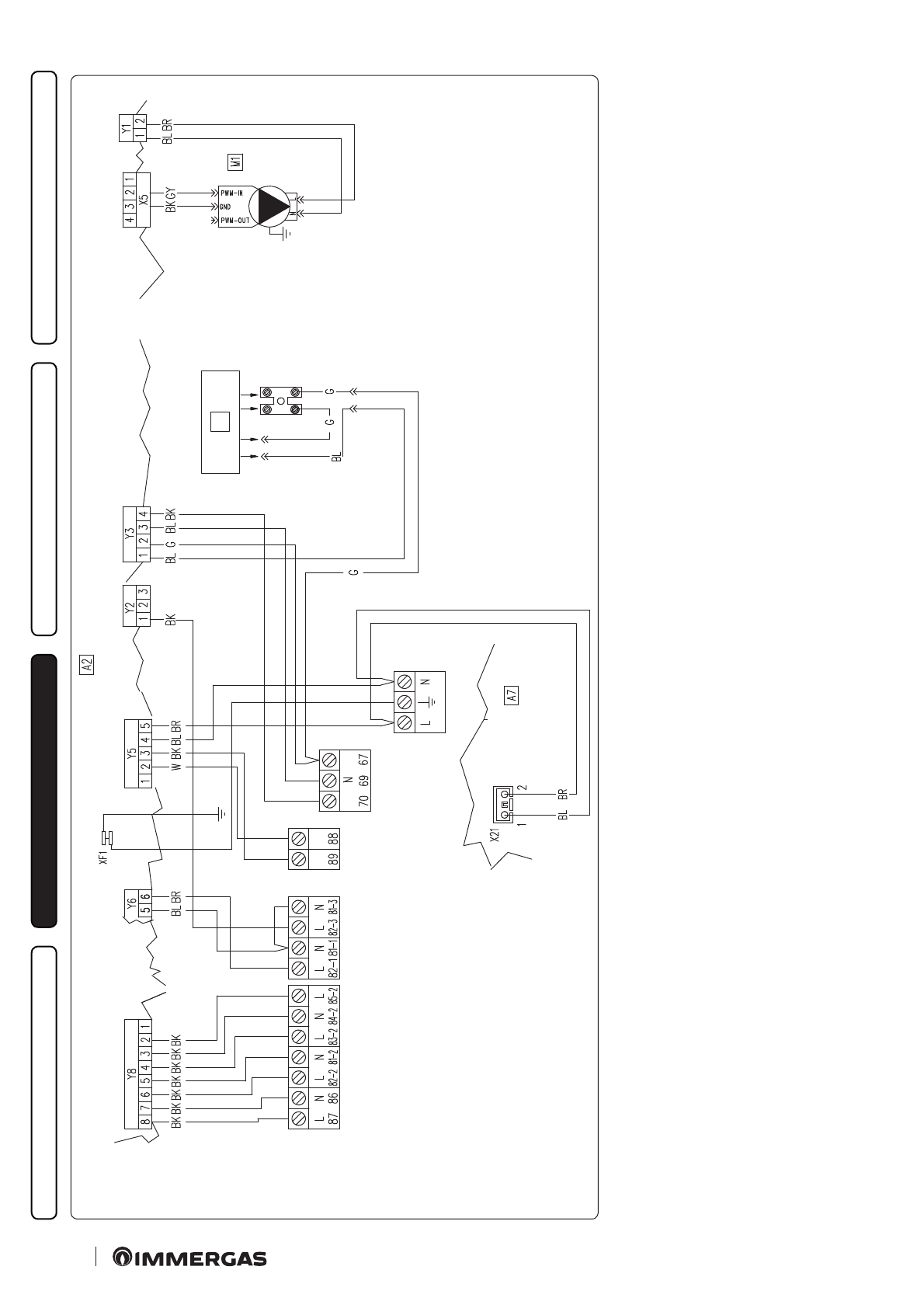
29
Ke
y (
F
ig
. 2
9)
:
1
-
In
te
gr
a
te
d
re
si
st
a
n
ce
k
it fo
r 3 k
w
sy
st
em
A2
-
P
.C.
B
.
A7 -
R
el
a
y
b
o
a
rd
M
1
-
H
eat
pump
c
ir
cul
ator
pump
Co
lo
u
r co
de
key
(F
ig
. 2
9)
:
B
K
-
B
la
ck
BL
-
B
lu
e
B
R
-
B
ro
w
n
G -
G
re
en
GY -
G
re
y
G/
Y -
Y
el
lo
w
/G
re
en
OR
-
O
ra
n
ge
P -
Vi
ol
a
PK
-
P
in
k
R -
R
ed
W -
W
h
it
e
Y -
Y
el
lo
w
W
/B
K
-
W
h
it
e/
B
la
ck
Характеристики
Остались вопросы?Не нашли свой ответ в руководстве или возникли другие проблемы? Задайте свой вопрос в форме ниже с подробным описанием вашей ситуации, чтобы другие люди и специалисты смогли дать на него ответ. Если вы знаете как решить проблему другого человека, пожалуйста, подскажите ему :)