Immergas 6 - Инструкция по эксплуатации - Страница 51

Кондиционеры Immergas 6 - инструкция пользователя по применению, эксплуатации и установке на русском языке. Мы надеемся, она поможет вам решить возникшие у вас вопросы при эксплуатации техники.

Если остались вопросы, задайте их в комментариях после инструкции.

"Загружаем инструкцию", означает, что нужно подождать пока файл загрузится и можно будет его читать онлайн. Некоторые инструкции очень большие и время их появления зависит от вашей скорости интернета.
Страница:
/ 88
Загружаем инструкцию
background image

51

INS

T

ALLER

US

ER

MAINTEN

AN

CE TECHNI

CI

AN

TECHNI

CAL D

A

T

A

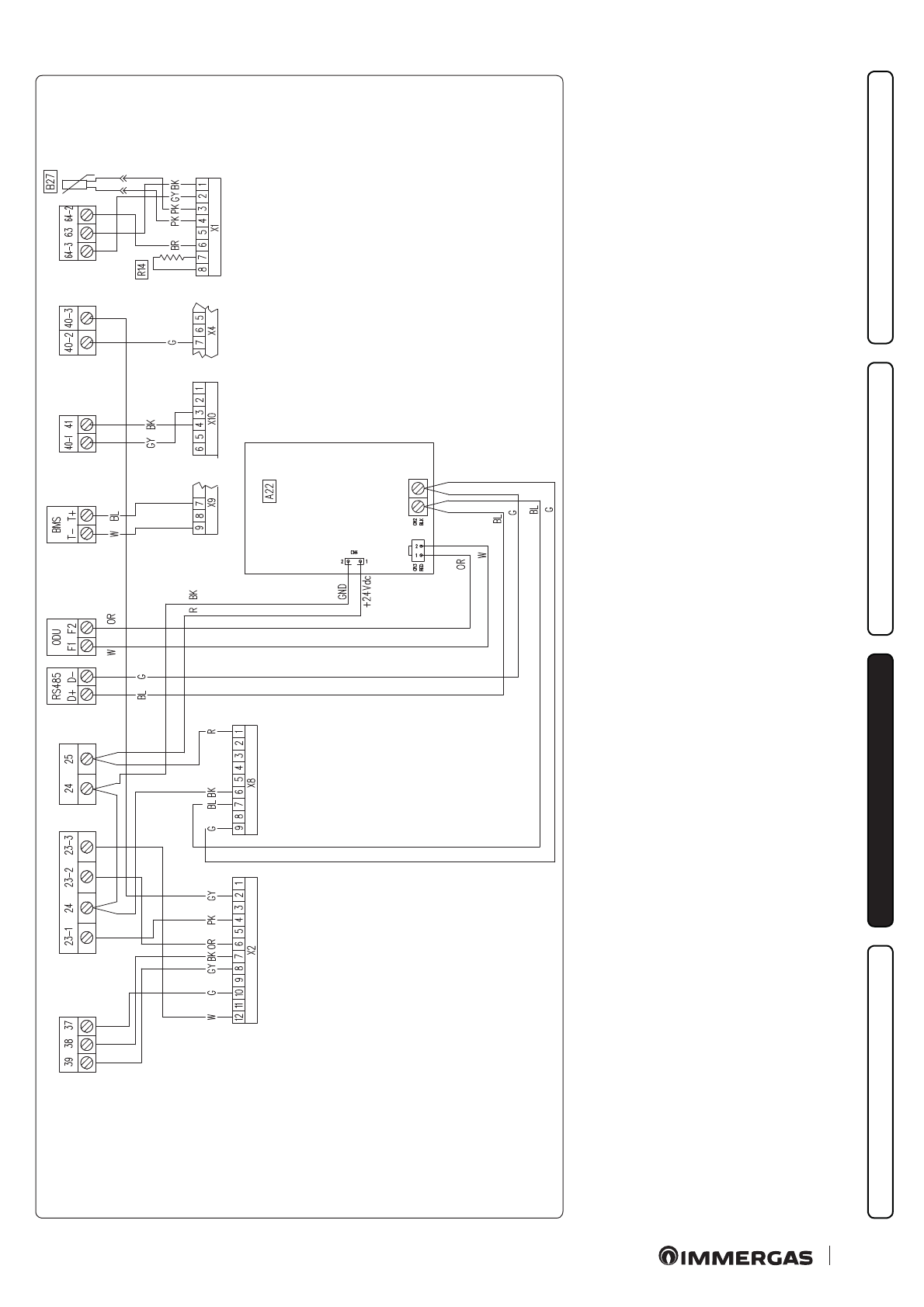
 28

Ke

y (

F

ig

. 28

):

A2

 -

 

P

.C.

B

.

A7 

Th

re

e-

re

lay b

o

a

rd (

opt

io

n

a

l)

Co

lo

u

r co

de

 key

 (F

ig

. 2

8)

:

B

K

 - 

B

la

ck

BL

 -

 

B

lu

e

B

R

 - 

B

ro

w

n

G - 

G

re

en

GY - 

G

re

y

G/

Y - 

Y

el

lo

w

/G

re

en

OR

 -

 

O

ra

n

ge

P - 

Vi

ol

a

PK

 -

 

P

in

k

R - 

R

ed

W - 

W

h

it

e

Y - 

Y

el

lo

w

W

/B

K

 - 

W

h

it

e/

B

la

ck

Характеристики

Оцените статью
tehnopanorama.ru
Остались вопросы?

Не нашли свой ответ в руководстве или возникли другие проблемы? Задайте свой вопрос в форме ниже с подробным описанием вашей ситуации, чтобы другие люди и специалисты смогли дать на него ответ. Если вы знаете как решить проблему другого человека, пожалуйста, подскажите ему :)

Задать вопрос

Часто задаваемые вопросы
Как посмотреть инструкцию к Immergas 6?
Необходимо подождать полной загрузки инструкции в сером окне на данной странице
Руководство на русском языке?
Все наши руководства представлены на русском языке или схематично, поэтому вы без труда сможете разобраться с вашей моделью
Как скопировать текст из PDF?
Чтобы скопировать текст со страницы инструкции воспользуйтесь вкладкой "HTML"