Кондиционеры Immergas 6 - инструкция пользователя по применению, эксплуатации и установке на русском языке. Мы надеемся, она поможет вам решить возникшие у вас вопросы при эксплуатации техники.
Если остались вопросы, задайте их в комментариях после инструкции.
"Загружаем инструкцию", означает, что нужно подождать пока файл загрузится и можно будет его читать онлайн. Некоторые инструкции очень большие и время их появления зависит от вашей скорости интернета.

18
INS
T
ALLER
US
ER
MAINTEN
A
N
C
E TECHNI
CI
AN
TECHNI
CAL D
A
T
A
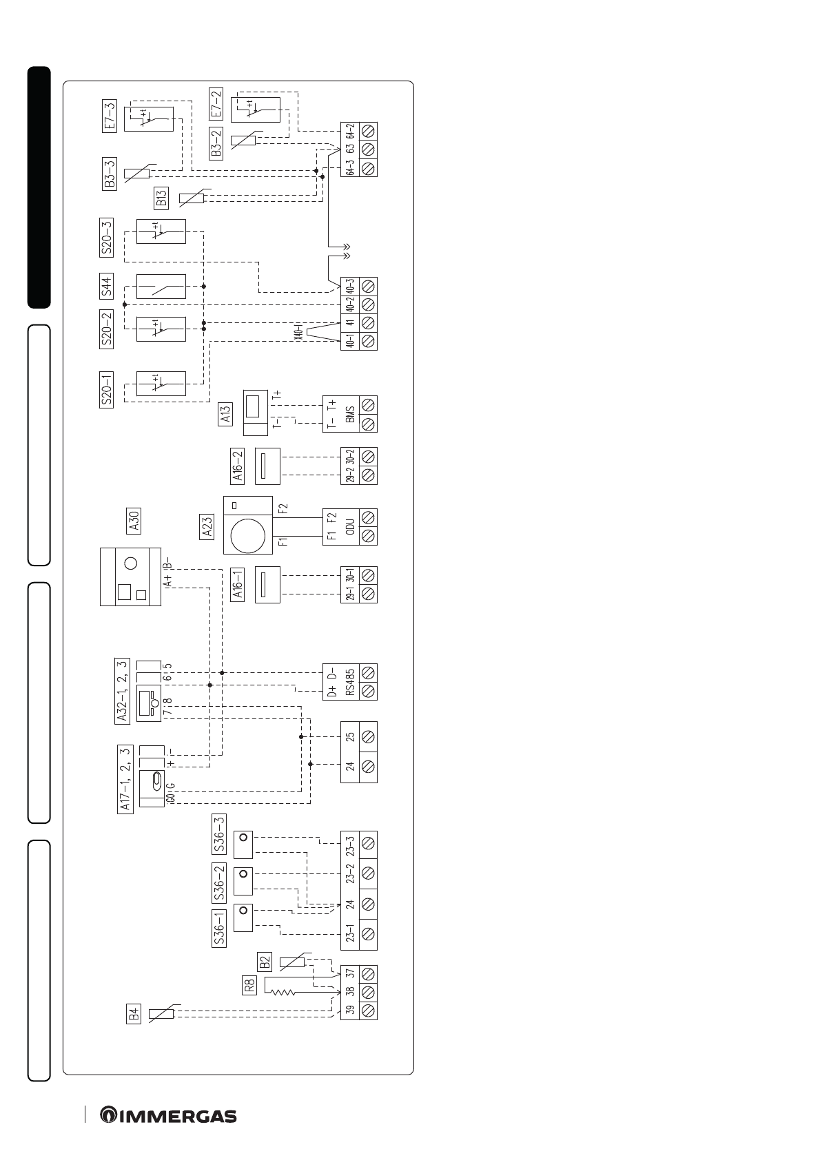
Horizontal terminal block electrical connection diagram.
8
Ke
y (
F
ig
. 8
):
A
13
-
Sy
st
em
m
a
n
a
ge
r (
opt
io
n
a
l)
A
16
-1
-
Z
on
e 1 d
ehu
mi
d
ifi
er (
opt
io
n
a
l w
ith d
ehu
mi
d
ifi
er m
a
n-
age
m
en
t boar
d
)
A
16
-2
-
Z
on
e 2 d
ehu
mi
d
ifi
er (
opt
io
n
a
l - w
ith d
ehu
mi
d
ifi
er
ma
na
gemen
t boar
d
)
A
17
-1
-
Z
on
e 1 hu
mi
d
it
y s
en
so
r (
opt
io
n
a
l)
A
17
-2
-
Z
on
e 2 hu
mi
d
it
y s
en
so
r (
opt
io
n
a
l)
A
17
-3
-
Z
on
e 3 hu
mi
d
it
y s
en
so
r (
opt
io
n
a
l)
A
2
3 -
E
x
te
rn
a
l u
n
it
A
3
0 -
D
ominu
s
A
32-
1
-
Z
on
e 1 re
m
ot
e p
a
n
el (
opt
io
n
a
l)
A
32-
2
-
Z
on
e 2 re
m
ot
e p
a
n
el (
opt
io
n
a
l)
A
32-
3
-
Z
on
e 3 re
m
ot
e p
a
n
el (
opt
io
n
a
l)
B
2
-
St
or
a
ge t
a
n
k p
ro
b
e (
opt
io
n
a
l)
B3
-2
-
Z
on
e 2 fl
o
w p
ro
b
e (
opt
io
n
a
l)
B3
-3
-
Z
on
e 3 fl
o
w p
ro
b
e (
opt
io
n
a
l)
B
4
-
E
x
te
rn
a
l p
ro
b
e (
opt
io
n
a
l)
B
13
-
C
en
tr
a
l h
ea
ting p
ro
b
e (
opt
io
n
a
l)
E
7-
2
-
M
ix
ed z
on
e 2 s
a
fe
ty
th
er
m
os
ta
t (
opt
io
n
a
l)
E
7-
3
-
M
ix
ed z
on
e 3 s
a
fe
ty
th
er
m
os
ta
t (
opt
io
n
a
l)
R8
-
St
or
a
ge t
a
n
k re
si
st
a
n
ce
S2
0
-1
-
Z
on
e 1 ro
om
th
er
m
o
st
a
t (
opt
io
n
a
l)
S2
0
-2
-
Z
on
e 2 ro
om
th
er
m
o
st
a
t (
opt
io
n
a
l)
S2
0
-3
-
Z
on
e 3 ro
om
th
er
m
o
st
a
t (
opt
io
n
a
l)
S3
6
-1
-
Z
on
e 1 hu
mi
d
is
ta
t (
opt
io
n
a
l)
S3
6
-2
-
Z
on
e 2 hu
mi
d
is
ta
t (
opt
io
n
a
l)
S3
6
-3
-
Z
on
e 3 hu
mi
d
is
ta
t (
opt
io
n
a
l)
S
4
4
-
He
a
ting / C
o
ol
ing s
el
ec
to
r
X
4
0
-1
-
Z
on
e 1 ro
om
th
er
m
o
st
a
t ju
mp
er
A
16
-1 a
n
d A
16
-2 deh
u
m
id
ifier
s c
an b
e c
o
n
n
ec
te
d o
n
ly a
ft
er i
n
st
al
li
ng 2-
re
la
y b
o
ar
d (
o
pt
io
na
l)
.
R
em
o
ve
ju
m
p
er
X
4
0
-1
b
ef
o
re
th
e e
le
ct
ri
ca
l c
o
n
n
ec
ti
o
n
o
f t
h
e r
o
o
m
th
er
m
o
st
at
z
o
n
e 1
.
Wi
th
A
13 a
va
il
abl
e,
th
e z
o
n
e de
v
ic
es m
u
st
n
o
t b
e c
o
n
n
ec
te
d
.
The ro
o
m
th
er
mos
ta
ts a
n
d c
o
n
tac
t S
4
4 c
an
n
o
t b
e i
n
st
al
le
d si
m
u
lt
an
eo
u
sly
.
It
is
n
o
t p
o
ss
ibl
e to i
n
st
al
l t
h
e f
o
ll
o
w
in
g p
rob
es
a
t t
h
e s
ame t
ime:
-
C
en
tr
al he
at
in
g p
rob
e;
-
Z
o
n
e 3 p
rob
e.
Характеристики
Остались вопросы?Не нашли свой ответ в руководстве или возникли другие проблемы? Задайте свой вопрос в форме ниже с подробным описанием вашей ситуации, чтобы другие люди и специалисты смогли дать на него ответ. Если вы знаете как решить проблему другого человека, пожалуйста, подскажите ему :)