Кондиционеры Daikin EWAD-D-SX - инструкция пользователя по применению, эксплуатации и установке на русском языке. Мы надеемся, она поможет вам решить возникшие у вас вопросы при эксплуатации техники.
Если остались вопросы, задайте их в комментариях после инструкции.
"Загружаем инструкцию", означает, что нужно подождать пока файл загрузится и можно будет его читать онлайн. Некоторые инструкции очень большие и время их появления зависит от вашей скорости интернета.

D–EIMAC00204-14EU - 142/152
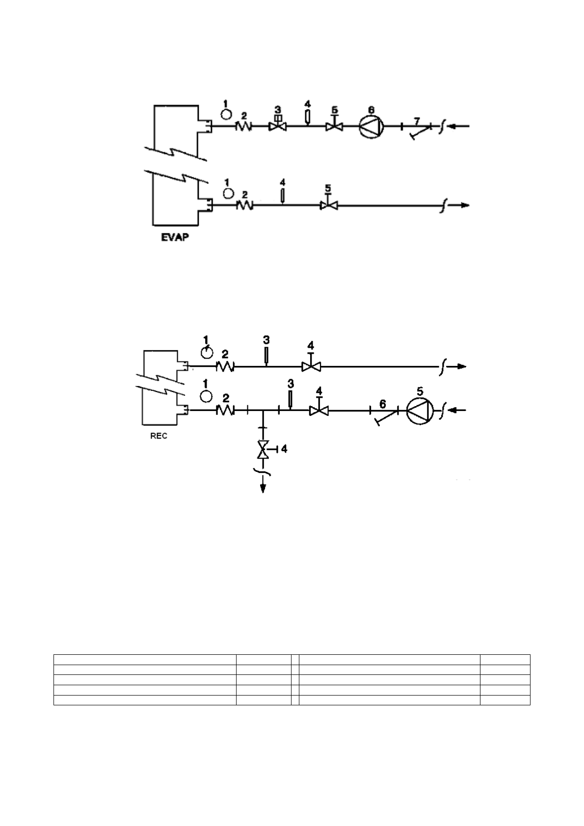
Схема
5 –
Свързване
на
тръбите
за
вода
към
изолатора
1.
Манометър
2.
Гъвкава
връзка
3.
Дебитомер
4.
Температурна
сонда
5.
Изолиращ
клапан
6.
Помпа
7.
Филтър
Схема
6 –
Свързване
на
тръбите
за
вода
за
топлообменниците
за
топлинна
енергия
1.
Манометър
2.
Гъвкава
връзка
3.
Температурна
сонда
4.
Изолиращ
клапан
5.
Помпа
6.
Филтър
Обработка
на
водата
Преди
задействане
на
уреда
,
почистете
водният
кръг
.
Замърсявания
,
варовик
,
наслагвания
от
корозия
или
друг
материал
,
могат
да
се
натрупат
отвътре
на
топлообменника
и
да
намалят
капацитетът
му
за
топлинен
обмен
.
Може
да
се
увеличи
и
спада
в
налягането
,
което
намалява
потока
на
водата
.
Подходящата
обработка
на
водата
,
може
да
намали
опасността
от
корозия
,
ерозия
,
образуване
на
въглерод
и
други
.
Най
-
подходящият
начин
за
обработка
на
водата
,
трябва
да
бъде
оперделен
на
място
,
в
зависимост
от
вида
на
системата
и
от
характеристиките
на
водата
.
Производителя
не
носи
отговорност
за
възможни
щети
или
лоша
работа
на
уреда
,
вследствие
на
неизвършена
или
неправилна
обработка
на
водата
.
Таблица
1 –
Допустими
граници
за
качеството
на
водата
pH (25°C)
киселинност
6,8
÷
8,0
Обща
твърдост
(mg CaCO
3
/ l)
<
200
Електрическа
проводимост
µ
S/cm (25°C)
<
800
Желязо
(mg Fe / l)
<
1,0
Хлоридни
йони
(mg Cl
-
/ l)
<
200
Сулфидни
йони
(mg S
2 -
/ l)
Няма
Сулфатни
йони
(mg SO
2
4
-
/ l)
<
200
Амониеви
йони
(mg NH
4
+
/ l)
<
1,0
Алкалност
(mg CaCO
3
/ l)
<
100
Силициев
диоксид
(mg SiO
2
/ l)
<
50