Кондиционеры Daikin EWAD-D-SX - инструкция пользователя по применению, эксплуатации и установке на русском языке. Мы надеемся, она поможет вам решить возникшие у вас вопросы при эксплуатации техники.
Если остались вопросы, задайте их в комментариях после инструкции.
"Загружаем инструкцию", означает, что нужно подождать пока файл загрузится и можно будет его читать онлайн. Некоторые инструкции очень большие и время их появления зависит от вашей скорости интернета.

D–EIMAC00204-14EU - 100/152
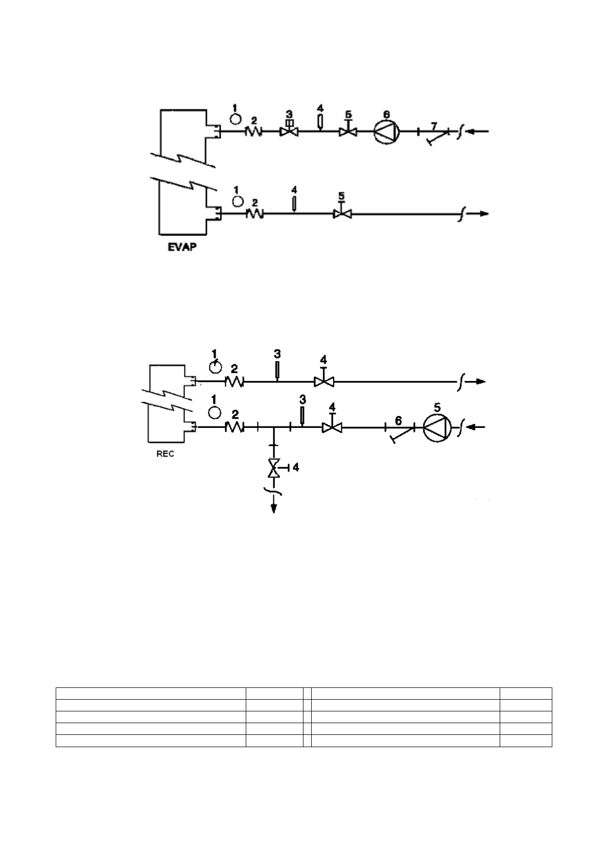
Rysunek 5 – Podł
ą
czenie rur wodnych do parownika
1. Manometr
2. Gi
ę
tki ł
ą
cznik
3. Przepływomierz
4. Sonda temperatury
5. Zawór oddzielaj
ą
cy
6. Pompa
7. Filtr
Rysunek 6 - Podł
ą
czenie rur wodnych do wymienników ciepła
1. Manometr
2. Gi
ę
tki ł
ą
cznik
3. Sonda temperatury
4. Zawór oddzielaj
ą
cy
5. Pompa
6. Filtr
Uzdatnianie wody
Przed uruchomieniem jednostki, wyczy
ś
ci
ć
obwód wody. Brud,
kamie
ń
, odłamki korozji i inny materiał mog
ą
gromadzi
ć
si
ę
wewn
ą
trz wymiennika ciepła redukuj
ą
c jego zdolno
ść
wymiany
termicznej. Mo
ż
e si
ę
równie
ż
zwi
ę
kszy
ć
spadek ci
ś
nienia,
redukuj
ą
c
nat
ęż
enie
przepływu
wody.
Odpowiednie
uzdatnianie wody mo
ż
e zredukowa
ć
ryzyko korozji, erozji,
osadzanie si
ę
kamienia itd. Rodzaj uzdatniania jest okre
ś
lany
na miejscu, na podstawie rodzaju systemu i wła
ś
ciwo
ś
ci wody.
Producent nie ponosi odpowiedzialno
ś
ci za ewentualne
szkody i nieprawidłowe funkcjonowanie sprz
ę
tu spowodowane
brakiem lub nieprawidłowym uzdatnianiem wody.
Tabela 1 – Dozwolone limity jako
ś
ci wody
pH (25°C)
6,8
÷
8,0
Twardo
ść
(mg CaCO
3
/ l)
<
200
Przewodno
ść
elektryczna
µ
S/cm (25°C)
<
800
Ż
elazo (mg Fe / l)
<
1,0
Jon chlorkowy (mg Cl
-
/ l)
<
200
Jon siarczkowy (mg S
2 -
/ l)
Brak
Jon siarczanowy (mg SO
2
4
-
/ l)
<
200
Jon amonowy (mg NH
4
+
/ l)
<
1,0
Alkaiczno
ść
(mg CaCO
3
/ l)
<
100
Dwutlenek krzemu (mg SiO
2
/ l)
<
50