Материнские платы GIGABYTE GA EX58 UD3R SLI rev 1 0 - инструкция пользователя по применению, эксплуатации и установке на русском языке. Мы надеемся, она поможет вам решить возникшие у вас вопросы при эксплуатации техники.
Если остались вопросы, задайте их в комментариях после инструкции.
"Загружаем инструкцию", означает, что нужно подождать пока файл загрузится и можно будет его читать онлайн. Некоторые инструкции очень большие и время их появления зависит от вашей скорости интернета.

- 8 -
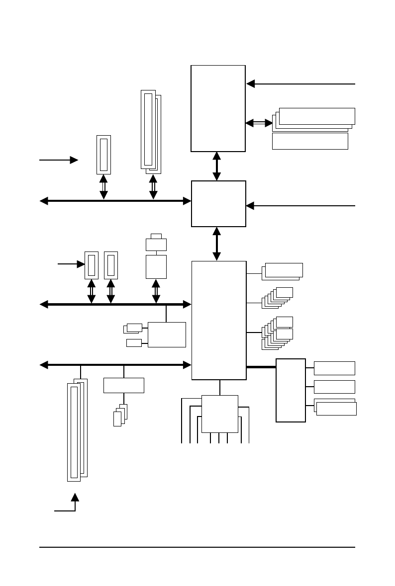
Block Diagram
F l o p p y
COM Port
PS/2 KB/Mouse
LGA1366
Processor
QPI
Interface
IOH CLK (133 MHz)
DDR3 2000/1333/1066/800 MHz
Dual BIOS
PCI Bus
6 SATA 3Gb/s
12 USB Ports
CPU CLK+/- (133 MHz)
Center/Subwoofer Speaker Out
Line-Out
MIC
Line-In
S/PDIF In
S/PDIF Out
Side Speaker Out
Surround Speaker Out
CODEC
LPC Bus
IT8720
2 SATA 3Gb/s
ATA-133/100/66/33 IDE Channel
GIGABYTE
SATA2
x 4
1 PCI Express x4
PCI Express Bus
x 1
Dual/3 Channel Memory
2 PCI Express x16
x16
PCIe CLK
(100 MHz)
PCIe CLK
(100 MHz)
2 PCI Express x1
PCI Express Bus
R T L
8111D
LAN
RJ45
x 1
x 1
x 1
2 PCI
PCI CLK
(33 MHz)
3 IEEE 1394a
TSB43AB23
Intel
®
X58
Intel
®
ICH10R