Котел De Dietrich EVODENS AMC PRO, AMC 45, DIEMATIC EVOLUTION - инструкция пользователя по применению, эксплуатации и установке на русском языке. Мы надеемся, она поможет вам решить возникшие у вас вопросы при эксплуатации техники.
Если остались вопросы, задайте их в комментариях после инструкции.
"Загружаем инструкцию", означает, что нужно подождать пока файл загрузится и можно будет его читать онлайн. Некоторые инструкции очень большие и время их появления зависит от вашей скорости интернета.

7.6.7
Пример подключения 6
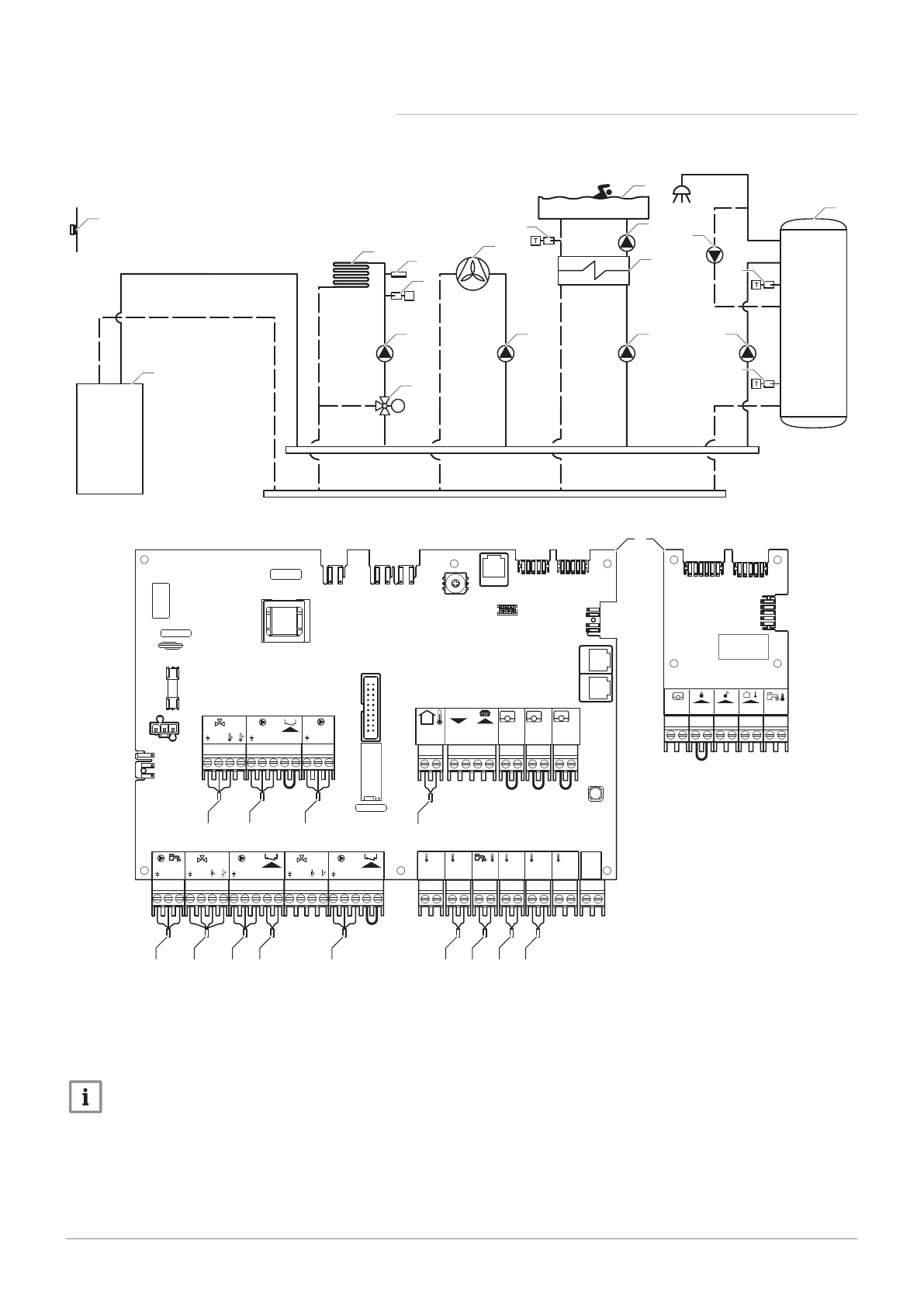
Рис.40 1 котёл + 1 смесительная зона + 1 прямая зона + зона бассейна + зона горячей санитарно-технической воды
(ГВС)
AD-4100039-01
1
A
9
8
E
7
D
6
C
M
5
T
3
4
B
2
10
12
F
13
11
AD-4100141-01
R-Bus
Tout
BL
RL
Tdhw
CB-03
X131
X136
X4
X03
6
.3
A
T
X12
X13
X15
S-BUS
X1
X9
X11
X2
X3
X4
X5
X10
RS
SP
L-BUS
SCB-10
X14
N L
B
C
N
N L
A
N
TS
N L TS
R-Bus
T out
Status
R-Bus
R-Bus
1
C
2
3
4
+
0-10V
-
B
A
+TA-
TA
1
2
C
B
A
Tsyst Tsyst Tdhw Tflow Tflow Tflow
X8
N L
X14
N L TS
N
3
6
2
4
12
5
13
7
11
1
10
9
8
A
A Котёл
B Смесительная зона – Контур B1 (напольное
отопление)
C Прямая зона – Контур А1 (фэн-койл)
D Прямая зона – Контур C1 (бассейн)
E Пластинчатый теплообменник
F Зона ГВС – ГВС A (послойный водонагреватель –
2 датчика)
Важная информация
В этой конфигурации дополнительная электронная плата (дополнительное оборудование AD249)
установлена на разъем X8 электронной платы SCB-10.
7 Примеры установки
7725099 - v.01 - 12062019
AMC Pro
41
Содержание
- 4 Ответственность; Ответственность производителя
- 6 Дополнительная документация
- 7 Общее описание
- 8 Компоненты панели управления; All OK
- 10 Изменение настроек дисплея
- 12 Изменение комнатной температуры зоны; Определение зоны
- 15 Регулировка температуры горячей санитарно-технической воды; Изменение режима горячей санитарно-технической
- 17 Включение/выключение отопления
- 18 Доступ к уровню Специалиста
- 21 Настройка отопительного графика
- 22 Сушка стяжки; Ввод установки в эксплуатацию; Меню режима «Трубочист»
- 24 Сохранение настроек ввода в эксплуатацию; Техническое обслуживание установки; Просмотр сервисного уведомления
- 25 Сброс или восстановление настроек; Сброс конфигурационных номеров CN1 и CN2
- 27 Доступ к блоку расширения
- 30 Настройка функции входа 0–10 В платы SCB-10; Аналоговое регулирование температуры, °C
- 31 Управление каскадом
- 32 Схемы подключения; Используемые символы
- 34 Пример подключения 1; A Котёл
- 35 Пример подключения 2; A Котел
- 36 Пример подключения 3
- 37 Пример подключения 4
- 39 Пример подключения 5
- 41 Пример подключения 6
- 44 Пример подключения 10
- 46 Пример подключения 11
- 52 A–B
- 59 Общая информация о кодах параметров; Настройки блока управления; CP
- 66 Настройки электронной платы расширения SCB-10
- 83 Список измеренных значений; Счетчики блока управления
- 84 Счетчики электронной платы расширения SCB-10
- 85 Сигналы блока управления
- 88 Сигналы электронной платы расширения SCB-10
- 94 Регламент технического обслуживания
- 97 Выполнение проверки на минимальной мощности
- 99 Очистка сифона
- 100 Проверка горелки и чистка теплообменника
- 101 Проверка обратного клапана
- 102 Особые операции по техническому обслуживанию; Замена электрода ионизации/розжига
- 103 Очистка коллектора для сбора конденсата
- 105 Заключительные работы
- 121 Считывание и очистка памяти ошибок
- 122 Электрическая схема; Рис.74 Электрическая схема
- 129 Перечень запасных частей
- 135 © Авторские права













