Компрессоры Бежецк АСО К-22 2552 - инструкция пользователя по применению, эксплуатации и установке на русском языке. Мы надеемся, она поможет вам решить возникшие у вас вопросы при эксплуатации техники.
Если остались вопросы, задайте их в комментариях после инструкции.
"Загружаем инструкцию", означает, что нужно подождать пока файл загрузится и можно будет его читать онлайн. Некоторые инструкции очень большие и время их появления зависит от вашей скорости интернета.

44
20.
СВЕДЕНИЯ
О
КОНСЕРВАЦИИ
И
УПАКОВКЕ
ИЗДЕЛИЯ
20.1.
Установка
законсервирована
на
заводе
-
изготовителе
согласно
ГОСТ
9.014
по
варианту
защиты
В
3-2,
внутренняя
упаковка
–
по
варианту
ВУ
-1.
Срок
защиты
установки
без
переконсервации
один
год
при
условии
хране
-
ния
в
закрытом
неотапливаемом
помещении
в
транспортной
таре
.
20.2.
Для
транспортировки
установка
укомплектована
согласно
упаковоч
-
ному
листу
и
упакована
в
дощатые
ящики
(
обрешетку
),
изготовленные
по
чер
-
тежам
завода
.
По
согласованию
с
потребителем
возможна
поставка
установок
моделей
К
-3,
К
-20,
К
-22,
К
-30
без
упаковки
.
Документация
на
установку
,
запасные
части
и
комплектующие
изделия
упа
-
кованы
во
влагозащитную
пленку
.
Дата
выпуска
Штамп
ОТК
Контрольный
мастер
подпись
Мастер
(
начальник
цеха
)
подпись
21.
СВЕДЕНИЯ
ОБ
УТИЛИЗАЦИИ
21.1.
При
снятии
установки
с
эксплуатации
необходимо
:
-
отключить
её
от
сети
электропитания
при
помощи
вводного
выключателя
и
отключить
от
потребителей
сжатого
воздуха
;
-
стравить
избыточное
давление
из
ресивера
;
-
слить
конденсат
из
ресивера
;
-
слить
масло
из
картера
компрессорной
головки
;
-
произвести
демонтаж
установки
.
21.2.
Отработанное
масло
,
воздушные
фильтры
следует
сдавать
в
специаль
-
ные
местные
центры
по
переработке
отходов
.
21.3.
Детали
и
узлы
из
резины
и
пластмассы
,
кабели
,
провода
и
другие
части
электрооборудования
должны
быть
переданы
в
специальные
центры
приема
для
последующей
утилизации
.
21.4.
Металлические
детали
и
узлы
должны
быть
переданы
в
пункты
приема
вторчермета
.
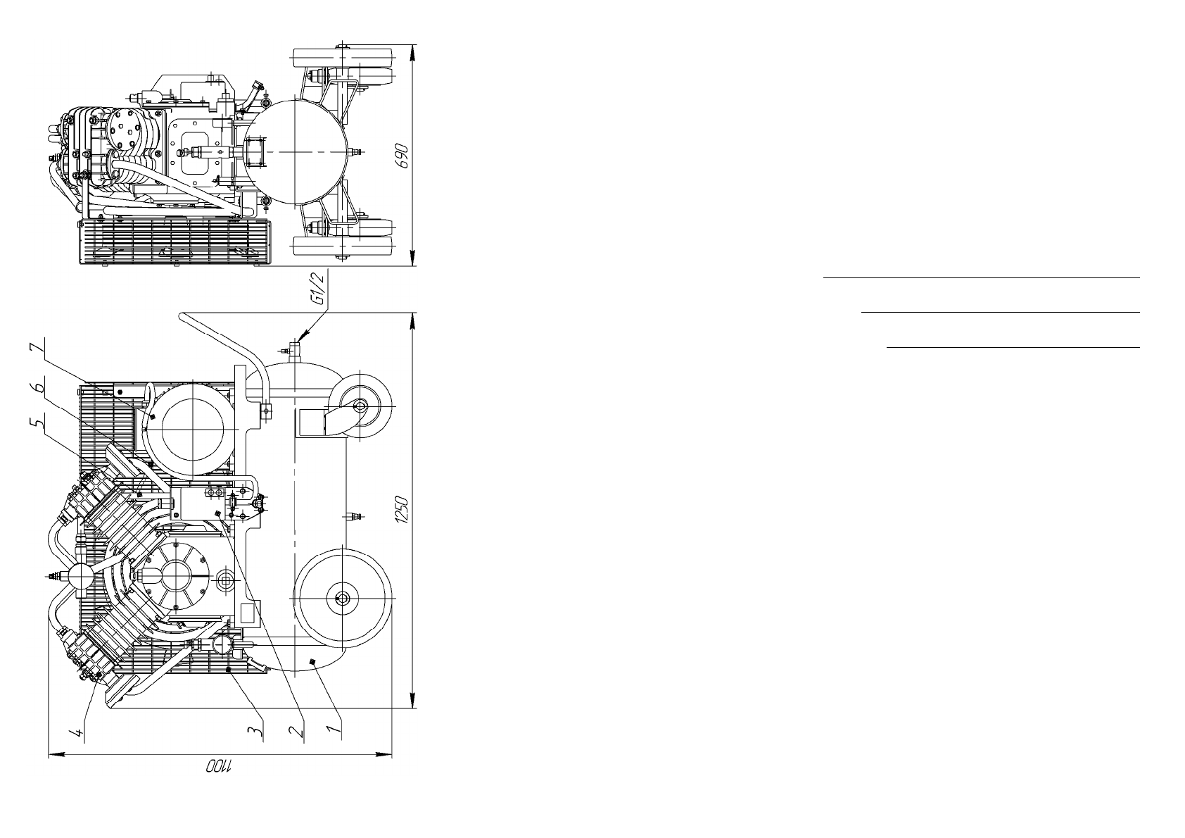
37
Р
ис
. 6
.
Ус
та
н
ов
ка
к
ом
пр
есс
орн
ая
,
мо
де
ль
К
-6
:
1
-
рес
ив
ер
; 2
-
вы
клю
ча
те
ль
ав
то
ма
ти
чес
кий
; 3
-
огр
ажд
ение
; 4
-
голо
вка
ко
м
пр
есс
ор
ная
;
5
-
трубо
про
вод
; 6
-
рем
ни
пр
ив
од
ные
; 7
-
дв
иг
ат
ель
.











