Компрессоры Бежецк АСО К-22 2552 - инструкция пользователя по применению, эксплуатации и установке на русском языке. Мы надеемся, она поможет вам решить возникшие у вас вопросы при эксплуатации техники.
Если остались вопросы, задайте их в комментариях после инструкции.
"Загружаем инструкцию", означает, что нужно подождать пока файл загрузится и можно будет его читать онлайн. Некоторые инструкции очень большие и время их появления зависит от вашей скорости интернета.

Т
аб
ли
ца
4
Ти
п
и
пара
м
ет
ры
ко
мп
ле
кт
ую
щ
их
м
од
ель
ус
та
нов
ки
/
(
рис
.
схе
мы
эл
ек
тр
ич
ес
кой
)
КВ
-15
(32)
АИР
1
00
L
2
5
,5
кВт
M
DR
3
/1
1
16
А
׀с
ра
бат
13
А
׀н
=
16
А
-
-
П
ри
м
еч
ания
.1
.*
С
из
де
ли
ем
не
по
ста
вл
яе
тся
.
2.
В
оз
м
ож
ны
от
ст
уп
ле
ния
от
сп
еци
ф
ика
ции
ко
м
пл
ек
ту
ю
щ
их
из
де
лий
,
не
вл
ия
ю
щ
их
на
пр
инцип
раб
оты
элек
тр
ос
хе
мы
.
3.
Э
лек
тро
про
во
дку
для
ко
м
пр
есс
ор
ных
ус
та
но
вок
К
-3
и
К
-2
0
вы
по
лн
ять
в
труб
ных
ка
налах
ди
ам
ет
ром
не
м
ен
ее
1".
К
-31
(38)
АИР
1
32
М
2
11
кВт
M
DR
2
/1
1
׀н
=
25
А
׀н
=
25
А
П
МЕ
-
2
2
2
25
А
К
-30
(36)
АИР
1
00
L
2
5
,5
кВт
×
2
M
DR
2
/1
1
׀н
=
25
А
-
П
МЕ
-22
2
1
2
,5
А
К
-22
(37)
АИР
1
12
М
2
7
,5
кВт
M
DR
3
/2
5
16
А
׀с
ра
бат
16
А
׀н
=
16
А
-
-
К
-20
(36)
АИР
1
12
М
2
7
,5
кВт
×
2
M
DR
3
/2
5
16
А
׀с
ра
бат
16
А
׀н
=
40
А
-
П
МЕ
-22
2
16
А
К
-6
(35)
АИР
1
32
М
2
11
кВт
-
׀н
=
25
А
АП
50
Б
3
׀н
=
25
А
׀н
=
25
А
-
К
-3
(34)
АИР
1
32
М
2
11
кВт
×
2
M
DR
2
/1
1
׀н
=
50
А
-
П
МА
-
3
21
0
25
А
К
-2
(33)
АИР
1
00
L
2
5
,5
кВт
M
DR
3
/1
1
16
А
׀с
ра
бат
13
А
׀н
=
16
А
׀н
=
25
А
-
О
бо
зн
ач
ен
ие
по
сх
еме
на
рис
.
3
8
М
QS
QF*
X*
КМ
3
2,
37
М
QS
Q
F
*
-
-
3
4
,3
6
М
1
М
2
QS
1
QS
2
QF
*
-
КМ
1
КМ
2
3
5
М
-
QF
1
*
QF
X*
-
3
3
М
QS
QF*
X*
-
На
име
-
но
ва
-
ние
Э
ле
кт
ро
-
дв
ига
-
тел
ь
Ре
ле
да
в
-
ле
ния
В
ы
клю
-
ча
те
ль
ав
то
ма
-
ти
че
ск
ий
С
оед
и
-
ни
те
ль
эл
ек
три
-
че
ск
ий
П
ус
ка
-
те
ль
ма
г
-
нит
-
ный
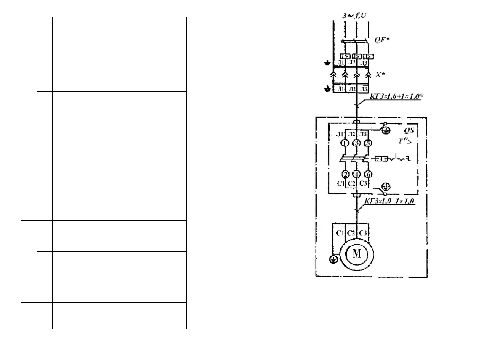
Рис
.33.
Схема
электрическая
принципиальная
и
соединений
установки
компрессорной
,
модель
К
-2.
71
10











