Котел Baxi NUVOLA-3 B40 - инструкция пользователя по применению, эксплуатации и установке на русском языке. Мы надеемся, она поможет вам решить возникшие у вас вопросы при эксплуатации техники.
Если остались вопросы, задайте их в комментариях после инструкции.
"Загружаем инструкцию", означает, что нужно подождать пока файл загрузится и можно будет его читать онлайн. Некоторые инструкции очень большие и время их появления зависит от вашей скорости интернета.

118
925.906.1 - RU
Руководство для техНИческого пеРсоНала
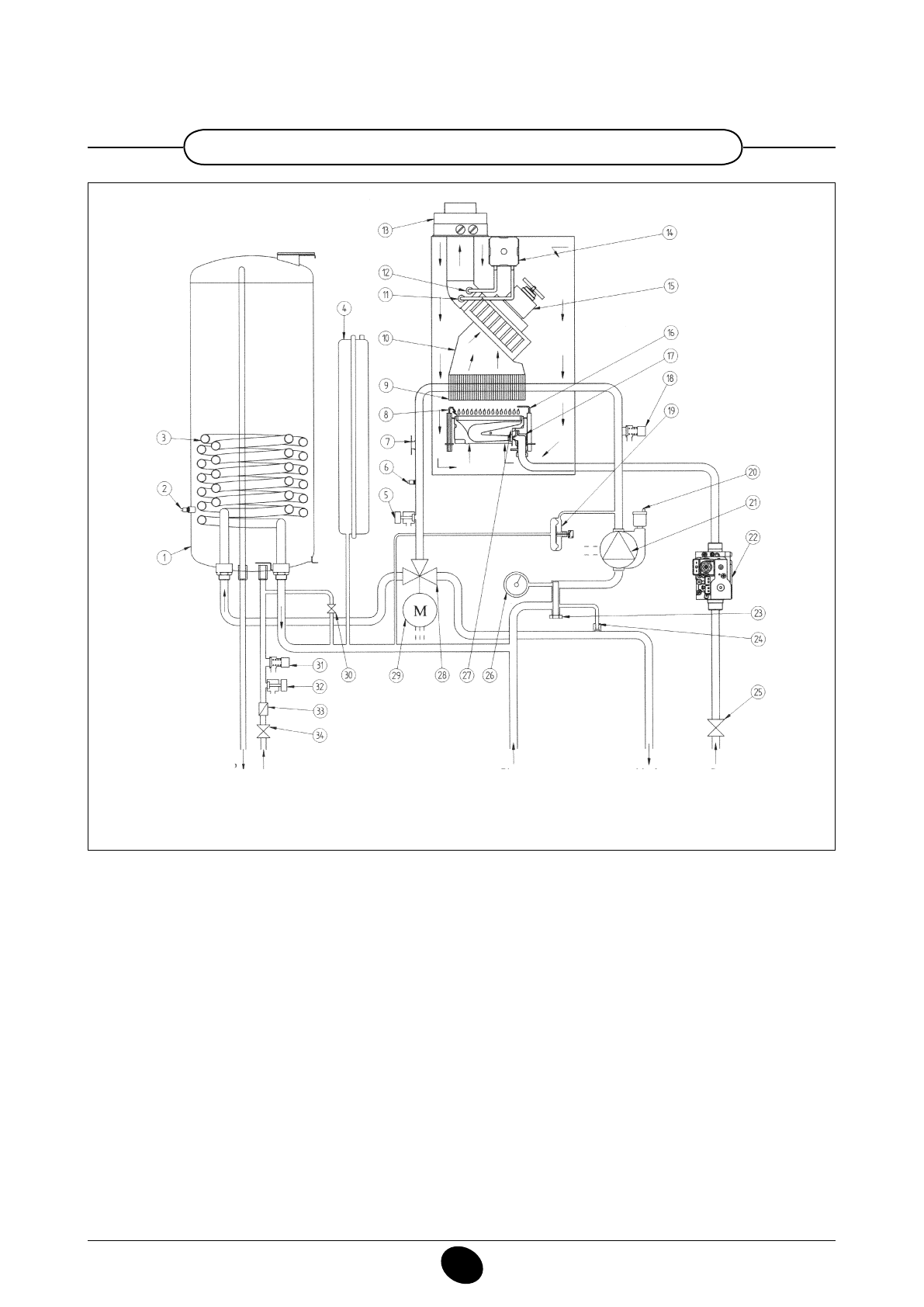
1 - бойлер (накопительный бак для горячей воды)
2 - датчик температуры бойлера
3 - змеевик бойлера
4 - расширительный бак
5 - кран слива воды из котла
6 - датчик температуры (тип NTC) контура отопления
7 - термостат перегрева
8 - электрод зажигания
9 - первичный теплообменник
10 - дымовой колпак
11 - точка замера отрицательного давления
12 - точка замера положительного давления
13 - концентрическая муфта
14 - датчик тяги - пневмореле
15 - вентилятор
16 - электрод контроля пламени
17 - рампа подачи газа с форсунками
18 - предохранительный гидравлический клапан 3 бар
19 - дифференциальный гидравлический прессостат
20 - автоматический воздухоотводчик
21 - насос с автоматическим воздухоотводчиком
22 - газовый клапан
23 - фильтр на возврате воды
24 - автоматический байпас
25 - газовый кран
26 - манометр
27 - горелка
28 - трехходовой клапан
29 - мотор трехходового клапана
30 - кран заполнения системы отопления
31 - сбросной предохранительный клапан бойлера (8 бар)
32 - кран слива воды из бойлера
33 - ограничитель протока горячей воды
34 - кран на входе холодной воды
140B40 Fi - 240B40 Fi - 280B40 Fi
обозначения:
Рис.21
0702_1203 / C
G_1885
выход
подача
возврат из
подача в
газ
горячей холодной
системы
систему
воды
воды
отопления
отопления
Содержание
- 2 Baxi; содеРЖаНИе; Руководство для пользователя
- 3 подготовка к устаНовке
- 4 вНИмаНИе
- 5 зНачеНИе сИмвола
- 6 заполНеНИе сИстемЫ; блокировки насоса или при недостатке воды.; вЫключеНИе На длИтельНЫй пеРИод. защИта от амеРзаНИя
- 7 сИстема безопасНостИ: ИНдИкатоРЫ И РабатЫваНИе
- 8 пРовеРкИ пеРед устаНовкой котла
- 9 кРепеЖНЫй шаблоН котла
- 10 комплект поставкИ; пРедупРеЖдеНИе
- 11 ваРИаНтЫ гоРИзоНтальНой устаНовкИ НакоНечНИка дЫмохода
- 14 подключеНИе к электРопИтаНИю; подсоедИНеНИе комНатНого теРмостата
- 15 пеРевод котла На дРугой тИп газа
- 17 вЫвод ИНФоРмацИИ На дИсплей котла; ИНФоРмацИя о Работе котла
- 18 ИНФоРмацИя о НеИспРавНостях
- 19 устаНовка паРаметРов; не изменяйте значения параметров «Информация производителя».
- 20 устРойства РегулИРоваНИя И пРедохРаНИтельНЫе устРойства
- 21 коНтРоль отходящИх газов
- 22 слИв водЫ Из бойлеРа
- 23 пРИсоедИНеНИе датчИка улИчНой темпеРатуРЫ
- 24 электРИческое пРИсоедИНеНИе дИстаНцИоННого упРавлеНИя
- 25 электРИческое пРИсоедИНеНИе зоНальНого обоРудоваНИя; пРИсоедИНеНИе РелейНой платЫ; «Та» клеммной колодки М1.; пРИсоедИНеНИе зоНальНого обоРудоваНИя; Релейная плата
- 26 предупреждение; еЖегодНое техНИческое обслуЖИваНИе
- 27 ФуНкцИоНальНЫе схемЫ
- 29 цвет пРоводов
- 31 техНИческИе даННЫе