Котел Baxi Luna Blue 1.180 i / 1.240 Fi - инструкция пользователя по применению, эксплуатации и установке на русском языке. Мы надеемся, она поможет вам решить возникшие у вас вопросы при эксплуатации техники.
Если остались вопросы, задайте их в комментариях после инструкции.
"Загружаем инструкцию", означает, что нужно подождать пока файл загрузится и можно будет его читать онлайн. Некоторые инструкции очень большие и время их появления зависит от вашей скорости интернета.

HU
157
RO
PL
CZ
RU
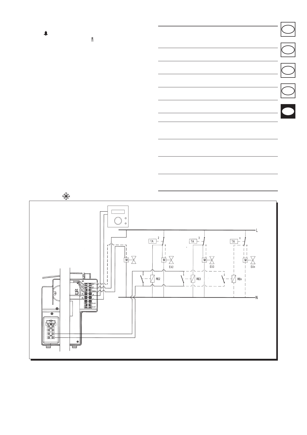
Электрическое подключение к зональной установке
К
отел может быть подключен к зональной установке, как показано на
рис. 25. Линия передачи сигнала запроса тепла от отдельных зон
должна быть присоединена к зажимам 1 и 2 клеммного щитка питания
(см. также рис. 11).
Зонд окружающей среды регулятора QАА73 может использоваться для
контроля главной зоны, а остальные зоны можно контролировать
посредством обычных датчиков комнатной температуры.
Чтобы котел работал по запросу отдельных зон, необходимо установить
переключатель Лето/Зима, находящийся на панели управления котлом,
в положение Зима (
).
010914_0100
Рисунок 25
Электроклапан зоны 1
ЗОНА 2
(ДАТЧИК КОМНАТНОЙ
ТЕМПЕРАТУРЫ)
N.C.
Размыкающий контакт
С
Общий контакт
N.А.
Замыкающий контакт
S.EXT
Внешний зонд
ЗОНА N
(ДАТЧИК КОМНАТНОЙ
ТЕМПЕРАТУРЫ)
ЗОНА 3
(ДАТЧИК КОМНАТНОЙ
ТЕМПЕРАТУРЫ)
Случай 1: установка без внешнего зонда
Температуру на нагнетании котла, требуемую для отдельных зон,
следует задать при помощи регулирующего устройства температуры
системы отопления, которое находится на панели управления котлом
(поз. 12 на рис. 1).
В случае поступления одновременного запроса тепла от главной зоны,
контролируемой QАА73, и от одной из других зон, температура на
нагнетании будет равной более высокой между температурой,
ра с с ч и та н н о й Q А А 7 3 , и т е м п е рат у р о й , з а д а н н о й п р и п о м о щ и
соответствующего потенциометра в котле.
Случай 2: установка с внешним зондом
Температура на нагнетании котла, требуемая для отдельных зон,
рассчитывается электронной платой в зависимости от наружной
температуры и от кривой отопления, заданной согласно указаниям в
главе “Подключение внешнего зонда” (кривую следует задать при
п о м о щ и к а к т р и м м е ра С Н _ S l o p e н а э л е к т р о н н о й п л ат е, та к и
регулирующего устройства температуры системы отопления, которое
находится на панели управления котлом (см. рис. 23).
В случае поступления одновременного запроса тепла от главной зоны,
контролируемой QАА73, и от одной из других зон, температура на
нагнетании будет равной более высокой между температурами,
рассчитанными QАА73 и электронной платой котла.
- Сигнализация неисправностей
В случае неисправности, на дисплее QАА73 появляется мигающий
символ . Для визуализации кода и описания неисправности нужно
нажать информационную клавишу ( ).
Код
Сообщение на дисплее
Описание неисправности
10
Внешний зонд
Неисправность чувствительного
элемента внешнего зонда или
исключение функции по параметру
75
20
Зонд котла
Неисправность зонда НТК на
нагнетании
50
Зонд АСS
Неисправность зонда НТК
хозяйственной воды
60
Зонд окружающей
среды
Неисправность QАА73
110
SТВ котла
Срабатывание защитного
термодатчика
113
Предел дымовых
Срабатывание датчика температуры
газов
дымовых
газов
133
Нет пламени
Прерывание подачи газа
151
ВМU
Ошибка системы управления.
Выключить электропитание котла на
10 секунд
160
Скорость
вентилятора
Пороговая скорость вентилятора не
достигнута
162
Реле давления
воздуха
Нет разрешения от реле давления
воздуха
164
Реле давления
Нет разрешения от
системы отопления
дифференциального реле
гидравлического давления
Содержание
- 2 BAXI
- 3 Рисунок 1
- 4 –comfort–; Рисунок 2; Рисунок 3а; Наполнение установки; Важно
- 5 Рисунок 4
- 6 Общие указания; Внимание; Операции перед монтажом; Система хозяйственной воды; Инструкция для установщика; Рисунок 5
- 7 Рисунок 6; Плита крепления котла на стене; Альтернативный способ прикрепления котла к стене
- 12 sx; CO
- 13 Подключение к электросети
- 17 Наладка электронной платы
- 18 Проверка параметров сгорания
- 19 соответствующий спускной кран; Чистка фильтра холодной воды
- 20 Функциональная схема
- 28 Присоединение внешнего бойлера
- 29 Подключение внешнего зонда
- 30 ВАЖНО
- 34 Технические характеристики; Модель котла
- 40 АО “ВАХI”












