Бортовые компьютеры ШТАТ Шеви Матрикс-М - инструкция пользователя по применению, эксплуатации и установке на русском языке. Мы надеемся, она поможет вам решить возникшие у вас вопросы при эксплуатации техники.
Если остались вопросы, задайте их в комментариях после инструкции.
"Загружаем инструкцию", означает, что нужно подождать пока файл загрузится и можно будет его читать онлайн. Некоторые инструкции очень большие и время их появления зависит от вашей скорости интернета.

маршрутный бортовой компьютер ШТАТ Шеви Матрикс-М
7
огни”) из жгута №1, а вынутый контакт соедините с одиночным разъемом на бело - красном проводе в жгуте №1.
5.5
Подключение жгута №3. (см.
Рис.10
)
а.
Подключите
чёрный
провод “МАССА” из жгута №3 к любому
чёрному
проводу в контактной колодке любой кнопки (поз.
8, см.
Рис.5
).
б.
Найдите выключатель наружного освещения (находится слева от рулевой колонки см.
Рис.7
):
в.
Подключите
коричневый
провод “Ближний свет фар”. К контакту 5 колодки выключателя наружного освещения
подходит зеле
ный
провод (заводской). Извлеките этот контакт из колодки, вставьте на его место контакт с
коричневым
проводом (“ближний свет фар”) из жгута №3, а вынутый контакт соедините с одиночным разъемом на коричневом
проводе в жгуте №3.
Внимание! В случае отсутствия колодок на коричневом проводе, подключение произвести скруткой.
5.6
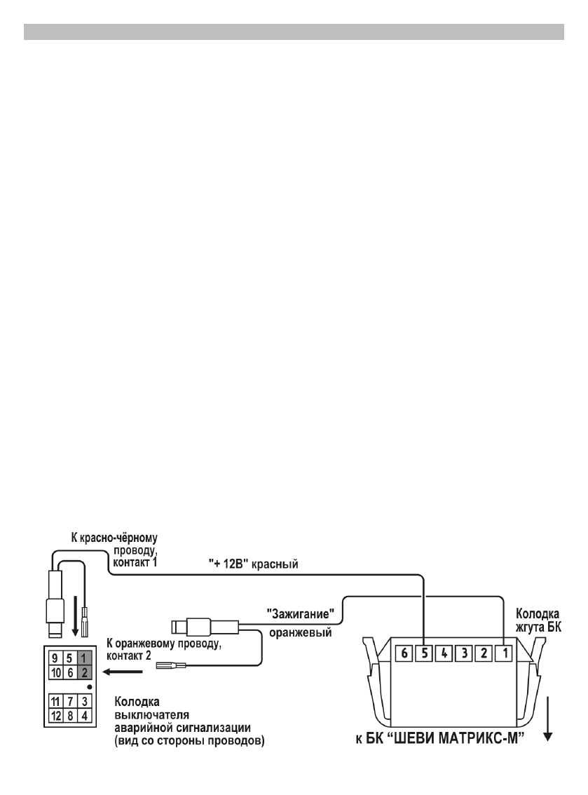
Подключение жгута №2 (см.
Рис.11
).
Отсоедините колодку выключателя (поз. 9,
Рис.5
) аварийной сигнализации:
а.
К контакту 2 колодки выключателя аварийной сигнализации подходит оранжевый провод (заводской). Извлеките этот
контакт из колодки, вставьте на его место контакт с оранжевым проводом из жгута №2, а вынутый контакт соедините с
одиночным разъемом на оранжевом проводе в жгуте №2.
б.
К контакту 1 колодки выключателя аварийной сигнализации подходит красно - чёрный провод (заводской). Извлеките
этот контакт из колодки, вставьте на его место контакт с красным проводом из жгута №2, а вынутый контакт соедините с
одиночным разъемом на красном проводе в жгуте №2.
в.
Подключите колодку выключателя аварийной сигнализации и установите его на место.
Опционально!
5.7
Подключение гБО.
Для автомобиля с установленным газобалонным оборудованием, синий провод “Сигнал гБО” (см.
Рис.10
), рекомендуем
подключать двумя способами - либо к управляющему выводу клапана жидкой фазы или эмулятора форсунок ( на этом
выводе появляется +8...12 Вольт при включении подачи газа), либо к управляющей кнопке (нужно найти в разъеме кнопки
провод, на котором появляется +8...12 вольт при включении газа).
Порог включения режима подсчёта параметров при работе автомобиля на газе в БК составляет +8...+12 вольт. Если
напряжение на входе “Сигнал гБО” 0...+5 вольт, то БК переходит в режим подсчёта параметров при работе автомобиля
на бензине.
Внимание! Подключение произвести скруткой.
5.8
Произведите обратную сборку панели приборов, установив на место комбинацию приборов, щиток панели приборов,
затем подключите все снятые ранее кнопки и установите их на штатные места.
5.9
Выполните включение БК. Для этого:
а.
Подключите к БК соответствующие разъёмы жгутов №1 - №3 в соответствии с произведённым подключением.
б.
Подключите клемму “МАССА” к АКБ.
г.
Включите зажигание. БК должен подать звуковой сигнал, а на индикаторе появится название и номер версии
компьютера.
д.
Установите БК на место заглушки.
Рис. 11
схема подключения жгута №2 для а/м 55-й комплектации c заглушкой (без АБс и ПБ) с 2009 г.
Содержание
- 2 маршрутный бортовой компьютер ШТАТ Шеви Матрикс-М; • ОШИБКИ СИСТЕМЫ; DATA Cable; ТЕхНИЧЕСКИЕ хАРАКТЕРИСТИКИ; жгут для подключения БК No1
- 3 “ЧАСЫ”
- 4 Вид на панель приборов; схема подключения; жгутов No1 и No3
- 5 Колодка выключателя
- 8 УСТАНОВКА БК НА АВТОМОБИЛИ С БКЛ (БЛОК КОНТРОЛьНЫх ЛАМП) ДО 2009 Г.; Снимите пластиковый щиток панели приборов, для чего:; ме “
- 9 расположение блока реле и
- 10 НАСТРОйКИ БК ПОСЛЕ УСТАНОВКИ И ПОДКЛЮЧЕНИя
- 11 МАРШРУТНЫй КОМПьЮТЕР; Для навигации по меню и изменению значений параметров группы “; группу; напряжении является вольтметр БК.; нАСТРОйКи; Считается неопределённым
- 14 функций; яРКОСТь ДИСПЛЕя
- 15 КОРРЕКЦИя РАСхОДА (КОРРЕКЦИя ПОКАЗАНИй РАСхОДА ТОПЛИВА); если Вы не хотите; ОБъёМ БАКА
- 17 БЛИЖНИй СВЕТ; ОШиБКи; Чтобы очистить информационное поле, нажмите кнопк; “ОШИБКИ”; возможно чтение и стирание кодов ошибок электропакета/; дисплея; МульТидиСПлеи; МУЛьТИДИСПЛЕй “ГОРОД“
- 18 МУЛьТИДИСПЛЕй “ДВИГАТЕЛя“; ВНИМАНИЕ! После отключения питания БК настройки пропадают.; СУПЕРМУЛьТИДИСПЛЕй
- 19 ИНСТРУКЦИя ПО ПРОГРАММИРОВАНИЮ БК
- 20 НЕИСПРАВНОСТь; СЕРТИФИКАТ СООТВЕТСТВИя; Электронную копию сертификата можно скачать здесь:; 9 . СВИДЕТЕЛьСТВО О СООТВЕТСТВИИ И ПРИёМКЕ; Бортовой компьютер; “ШТАТ ШЕВИ МАТРИКС-М”; жающую среду и человека.; Претензии потребителей направлять:

Не могу поставить общий пробег на бк
Не могу выставить температуру