Автосигнализации Sheriff ZX-1050 - инструкция пользователя по применению, эксплуатации и установке на русском языке. Мы надеемся, она поможет вам решить возникшие у вас вопросы при эксплуатации техники.
Если остались вопросы, задайте их в комментариях после инструкции.
"Загружаем инструкцию", означает, что нужно подождать пока файл загрузится и можно будет его читать онлайн. Некоторые инструкции очень большие и время их появления зависит от вашей скорости интернета.

С
Сх
хе
ем
ма
а ссо
ое
ед
ди
ин
не
ен
ни
ий
й 2
22
2в
вы
ыв
во
од
дн
но
огго
о р
ра
аззъ
ъе
ем
ма
а о
оссн
но
ов
вн
но
огго
о б
бл
ло
ок
ка
а N
N1
1
С
Сх
хе
ем
мы
ы ссо
ое
ед
ди
ин
не
ен
ни
ий
й Z
ZX
X 1
10
05
5 0
0 в
в р
ре
еж
жи
им
ме
е а
ав
втто
озза
ап
пу
усск
ка
а д
дв
ви
игга
атте
ел
ля
я
С
Сх
хе
ем
ма
а ссо
ое
ед
ди
ин
не
ен
ни
ий
й в
в р
ре
еж
жи
им
ме
е а
ав
втто
озза
ап
пу
усск
ка
а ((б
бе
езз р
ра
аззр
ры
ыв
ва
а ц
це
еп
пи
и зза
аж
жи
игга
ан
ни
ия
я))
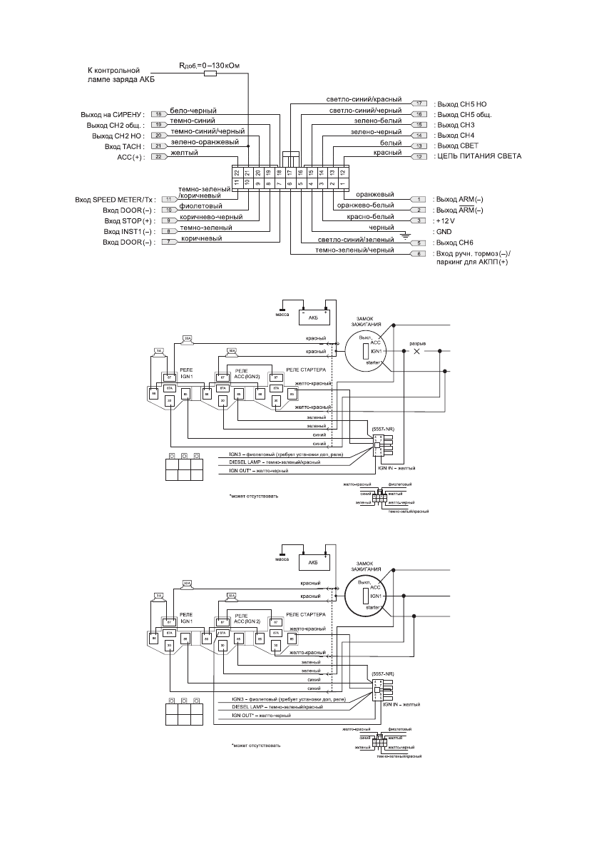
Соедините желтый провод АСС зажигания системы с контактом 87А реле управления линией
IGN2 (АСС или IGN2 провод замка зажигания автомобиля – первое положение ключа зажигания).
52
Содержание
- 6 LCDдисплей
- 7 Внимание
- 12 Таблица 2
- 13 Valet; Примечание
- 14 то двери автомобиля будут заперты.
- 20 количество раз, соответству
- 22 , то при нажатии и удержании более 2 сек внутрисалонного пе
- 29 всего 3 попытки запуска
- 38 функцию запуска двигателя по датчику температуры, как ука
- 39 Запустите двигатель дистанционно (двойное нажатие кнопки
- 40 РУКОВОДСТВО ПО УСТАНОВКЕ; Оглавление; Установка основных компонентов системы
- 47 ЖЕЛТЫЙ; про
- 48 Дополнительные полезные схемы управления центральным замком
- 56 Метод установки 1
- 57 Метод установки 2; ного модуля трансивера.
- 58 Технические характеристики; Напряжение питания; Запись кода транспондера в память авто сигнализации; подтверждающий, что программирование кода закончено.
- 60 © 2006 Progressive Innovative Technology Inc.
