Автосигнализации Sheriff ZX-1050 - инструкция пользователя по применению, эксплуатации и установке на русском языке. Мы надеемся, она поможет вам решить возникшие у вас вопросы при эксплуатации техники.
Если остались вопросы, задайте их в комментариях после инструкции.
"Загружаем инструкцию", означает, что нужно подождать пока файл загрузится и можно будет его читать онлайн. Некоторые инструкции очень большие и время их появления зависит от вашей скорости интернета.

46
Реле запирания
Синий провод с белой полосой
с защитой предохранителем 15 А — нормально разомкну
тый контакт реле.
Зеленый провод
— нормально замкнутый контакт реле.
Желтый провод
— общий контакт реле.
Реле отпирания
Оранжевый провод
с защитой предохранителем 15 А — нормально разомкнутый контакт реле.
Синий провод
— нормально замкнутый контакт реле.
Белый провод
— общий контакт реле.
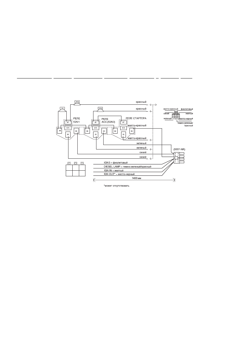
8контактный разъем управления запуском двигателя с блоком реле
8контактный разъем управления запуском двигателя соединен с блоком из трех сильноточных
реле, обеспечивающих дистанционный запуск двигателя: реле запуска стартера
STARTER
, реле
управление зажиганием
IG N1
, реле включения дополнительного провода зажигания
ACC
.
Дополнительные провода разъема
Красный провод
– силовой провод питания цепей коммутации IGN1 защищен предохрани
телем 30 А .
Красный провод
– силовой провод питания цепей коммутации
ACC
,
STARTER
защищен
предохранителем 30 А .
Синий провод IGN1
– силовой выход реле (30 А) управления основной линией зажигания
автомобиля.
Зеленый провод IGN2 (ACC)
– силовой выход реле (30 А) управления дополнительной
линией зажигания автомобиля АСС. Может использоваться как дублирующий основную
линию зажигания IGN1 при программировании функций автозапуска (cм. таб. 4). а также,
как линия зажигания, включающаяся за 1 сек до начала прокрутки стартера и до выключения
зажигания IGN1 в режиме автозапуска.
Желтый с красной полосой (управление СТАРТЕРом)
– силовой выход реле (30 А)
управления запуском стартера автомобиля.
Фиолетовый провод IGN3
– предназначен для управления дополнительными устройствами
автомобиля. Канал IGN3 может быть запрограммирован как:
•
линия АСС,
•
IGN3, линия зажигания, активирующаяся с задержкой 2 мин после запуска двигателя
(например, для включения внутрисалонных нагревательных или охлаждающих систем),
•
активируемый выход после запуска двигателя и до выключения зажигания IGN1 в режиме
автозапуска (безопасная блокировка стартера).
Режимы работы канала программируются согласно спецификации функции
SF13
таблицы 4.
Содержание
- 6 LCDдисплей
- 7 Внимание
- 12 Таблица 2
- 13 Valet; Примечание
- 14 то двери автомобиля будут заперты.
- 20 количество раз, соответству
- 22 , то при нажатии и удержании более 2 сек внутрисалонного пе
- 29 всего 3 попытки запуска
- 38 функцию запуска двигателя по датчику температуры, как ука
- 39 Запустите двигатель дистанционно (двойное нажатие кнопки
- 40 РУКОВОДСТВО ПО УСТАНОВКЕ; Оглавление; Установка основных компонентов системы
- 47 ЖЕЛТЫЙ; про
- 48 Дополнительные полезные схемы управления центральным замком
- 56 Метод установки 1
- 57 Метод установки 2; ного модуля трансивера.
- 58 Технические характеристики; Напряжение питания; Запись кода транспондера в память авто сигнализации; подтверждающий, что программирование кода закончено.
- 60 © 2006 Progressive Innovative Technology Inc.
