Автосигнализации Sheriff ZX-1010 - инструкция пользователя по применению, эксплуатации и установке на русском языке. Мы надеемся, она поможет вам решить возникшие у вас вопросы при эксплуатации техники.
Если остались вопросы, задайте их в комментариях после инструкции.
"Загружаем инструкцию", означает, что нужно подождать пока файл загрузится и можно будет его читать онлайн. Некоторые инструкции очень большие и время их появления зависит от вашей скорости интернета.
Загружаем инструкцию

50
Содержание
- 6 LCDдисплей
- 7 Внимание
- 11 любую кнопку, кроме F . Если связь установлена – система; Дополнение таблицы 1
- 12 Таблица 2
- 13 Valet; Примечание
- 14 то двери автомобиля будут заперты.
- 18 по истечении 1 минуты.; Дверь постоянно открыта:; в одно из двух состояний:; Противоразбойный активный транспондер; предназначен для повышения эффективности
- 21 ТРИГГЕР; (управление выходом в любое время и при любом состоянии системы).
- 30 с каждой попыткой соответственно.; . Для некоторых марок авто; Программирование холостых оборотов двигателя; успешный вход в режим программирования.
- 38 РУКОВОДСТВО ПО УСТАНОВКЕ; Оглавление; Установка основных компонентов системы
- 42 Канал CH3 — зеленый провод с белой полосой; : выход третьего канала системы
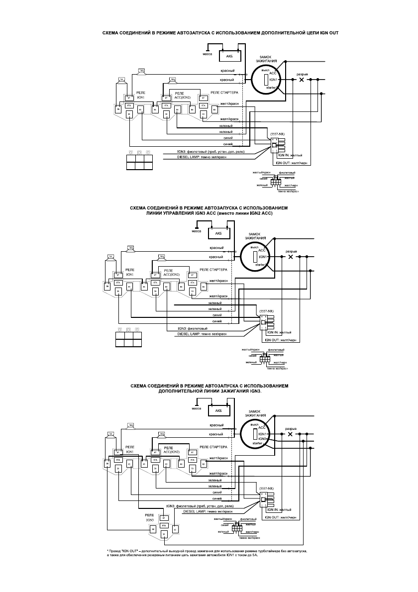
- 46 Дополнительные полезные схемы управления центральным замком
- 48 Установка антенного модуля.; Очистите и обезжирьте место установки антенного модуля.; Настройка датчика удара.; Для зоны предупреждения данного датчика автоматически уста
- 49 Всегда прокладывайте провода охранной системы в гофриро