Автосигнализации Sheriff ZX-1010 - инструкция пользователя по применению, эксплуатации и установке на русском языке. Мы надеемся, она поможет вам решить возникшие у вас вопросы при эксплуатации техники.
Если остались вопросы, задайте их в комментариях после инструкции.
"Загружаем инструкцию", означает, что нужно подождать пока файл загрузится и можно будет его читать онлайн. Некоторые инструкции очень большие и время их появления зависит от вашей скорости интернета.

49
Внимание
Никогда при проверке чувствительности датчика удара не бейте по стеклу автомобиля – Вы
можете его разбить.
Поверните винт регулировки по часовой стрелке (повышая чувствительность датчика удара)
приблизительно на 1/4 оборота и повторите проверку срабатывания датчика. Повторяйте
данную процедуру до тех пор, пока не сработает система и не зазвучит сигнализация. В конце
концов, один существенный удар по бамперу автомобиля будет приводить к подаче серии
предупреждающих сигналов сирены.
Предупреждение
Выбор слишком высокой чувствительности датчика удара приведет к ложным срабатываниям
системы от сильной вибрации, которая создается, например, проезжающими грузовыми авто
мобилями или тяжелой техникой. Для уменьшения чувствительности датчика удара поверните
винт регулировки датчика против часовой стрелки.
Защита проводов системы.
Всегда прокладывайте провода охранной системы в гофриро
ванной трубке или защищайте их, оборачивая по спирали изоляционной лентой. Закрепляйте
жгуты проводов вдоль всей длины с помощью кабельных стяжек. Надежное закрепление пре
дотвратит попадание жгута на горячие поверхности двигателя или острые движущиеся детали
автомобиля, что может привести к повреждению изоляции проводов системы.
Эксплуатация.
Мастерустановщик обязательно должен пометить в руководстве пользова
теля все установленные опции и запрограммированные настройки, и полностью разъяснить
владельцу автомобиля правила эксплуатации охранной системы.
С
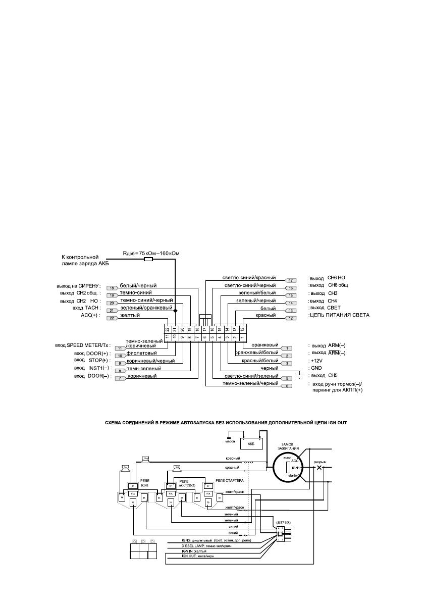
Сх
хе
ем
ма
а ссо
ое
ед
ди
ин
не
ен
ни
ий
й 2
22
2в
вы
ыв
во
од
дн
но
огго
о р
ра
аззъ
ъе
ем
ма
а о
оссн
но
ов
вн
но
огго
о б
бл
ло
ок
ка
а N
N1
1
С
Сх
хе
ем
мы
ы ссо
ое
ед
ди
ин
не
ен
ни
ий
й Z
ZX
X 1
10
01
10
0 в
в р
ре
еж
жи
им
ме
е а
ав
втто
озза
ап
пу
усск
ка
а д
дв
ви
игга
атте
ел
ля
я
:
Содержание
- 6 LCDдисплей
- 7 Внимание
- 11 любую кнопку, кроме F . Если связь установлена – система; Дополнение таблицы 1
- 12 Таблица 2
- 13 Valet; Примечание
- 14 то двери автомобиля будут заперты.
- 18 по истечении 1 минуты.; Дверь постоянно открыта:; в одно из двух состояний:; Противоразбойный активный транспондер; предназначен для повышения эффективности
- 21 ТРИГГЕР; (управление выходом в любое время и при любом состоянии системы).
- 30 с каждой попыткой соответственно.; . Для некоторых марок авто; Программирование холостых оборотов двигателя; успешный вход в режим программирования.
- 38 РУКОВОДСТВО ПО УСТАНОВКЕ; Оглавление; Установка основных компонентов системы
- 42 Канал CH3 — зеленый провод с белой полосой; : выход третьего канала системы
- 46 Дополнительные полезные схемы управления центральным замком
- 48 Установка антенного модуля.; Очистите и обезжирьте место установки антенного модуля.; Настройка датчика удара.; Для зоны предупреждения данного датчика автоматически уста
- 49 Всегда прокладывайте провода охранной системы в гофриро