Водонагреватели Gorenje GT5O - инструкция пользователя по применению, эксплуатации и установке на русском языке. Мы надеемся, она поможет вам решить возникшие у вас вопросы при эксплуатации техники.
Если остались вопросы, задайте их в комментариях после инструкции.
"Загружаем инструкцию", означает, что нужно подождать пока файл загрузится и можно будет его читать онлайн. Некоторые инструкции очень большие и время их появления зависит от вашей скорости интернета.

70
NL
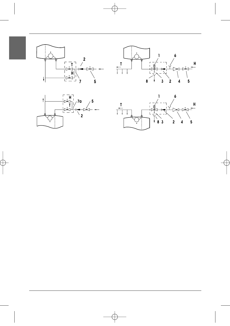
Open (drukloos) systeem
Gesloten (druk) systeem
Uitvoering voor montage boven de wastafel
Uitvoering voor montage boven de wastafel
Uitvoering voor montage onder de wastafel
Uitvoering voor montage onder de wastafel
Legende:
1 - Veiligheidsventiel
7 - Open mengkraan - montage boven de wastafel
2 - Veiligheidsventiel voor
7a - Open mengkraan - montage onder de wastafel
het terugstromen
8 - Trechter met aansluiting op de afvoer
3 - Testventiel
4 - Reduceer ventiel
5 - Afsluitventiel
H - Koud water
6 - Testopzetstuk
T - Warm water
Tussen de boiler en het veiligheidsventiel mag geen afsluitventiel worden ingebouwd,
omdat hierdoor de werking van het veiligheidsventiel onmogelijk gemaakt wordt.
U kunt de boiler aansluiten op de huiswaterleiding zonder reduceer ventiel, als de druk in
de waterleiding lager is dan 0,5 MPa.
Voor de elektrische aansluiting moet u de boiler eerst met water vullen. Bij de eerste vulling
de warmwaterkraan opendraaien. De boiler is vol als er water door de uitloopbuis van de
mengkraan stroomt.
AANSLUITING OP HET ELEKTRICITEITSNET
De aansluiting op het elektriciteitsnet wordt verricht via de elektrische kabel met de stekker.
Als u voor de aansluiting op het elektriciteitsnet een nieuwe, langere kabel gebruikt, moet
deze kabel worden vastgemaakt in de kabelingang, de draden worden op de aansluitklem
vastgeschroefd. In dit geval moet de verbinding tussen het elektriciteitsnet en de boiler
worden verbroken. Tussen de boiler en een vaste installatie wordt een schakelaar gemon-
teerd, die beide voedingspolen scheidt. De afstand tussen beide open contatcten van de
schakelaar moet minstens 3 mm bedragen. De aansluiting van de boiler op het
elektriciteitsnet moet overeenkomstig de normen voor elektrische leidingen plaatsvinden.
WAARSCHUWING: Verbreek voor elke ingreep in de binnenkant van de boiler de
verbinding met het elektriciteitsnet!
TIKI Navodila_ GT KODA 627 JUL04 copy.qxd 25.8.2004 9:09 Page 70