Водонагреватели Gorenje GT5O - инструкция пользователя по применению, эксплуатации и установке на русском языке. Мы надеемся, она поможет вам решить возникшие у вас вопросы при эксплуатации техники.
Если остались вопросы, задайте их в комментариях после инструкции.
"Загружаем инструкцию", означает, что нужно подождать пока файл загрузится и можно будет его читать онлайн. Некоторые инструкции очень большие и время их появления зависит от вашей скорости интернета.

( ")
; ()
9
9
>:
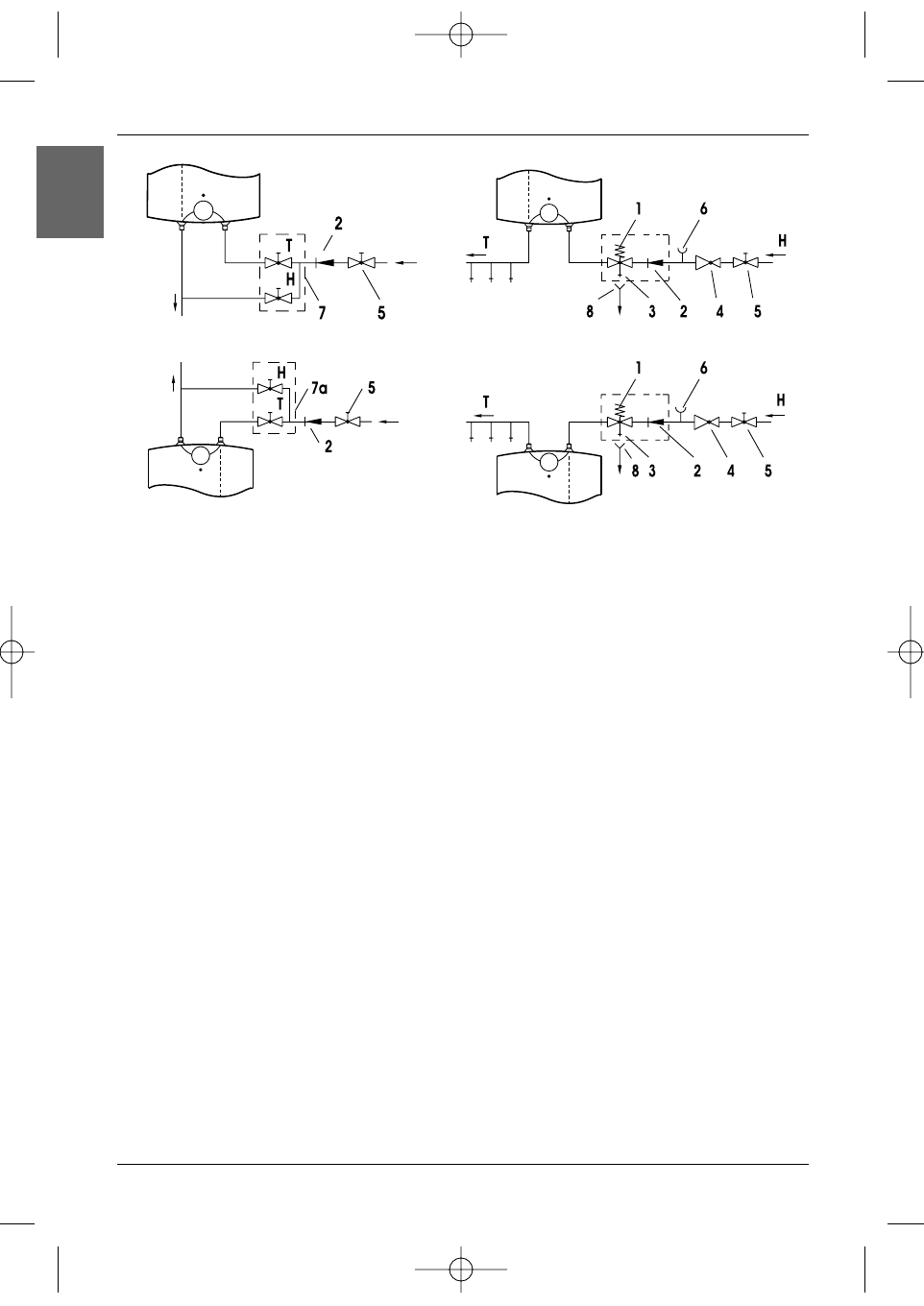
1 -
7 - " -
2 - &
7a - " -
3 - 9
8 - $
4 - %
5 - ;
H - A
6 - 9
T - #
! 3
, 3
.
$ "
, ! 0,5 Ma. "
" .
" ' . $
, " " .
*)&2(%"% ) 4&%$(%)+ %$
$ " " " "
! . B " "
, , ,
. $ " "
" . (
" , . %
" 3 .
" "
v "
.
%*%5*%"%:
67 8!
9
9
14
RU
S
TIKI Navodila_ GT KODA 627 JUL04 copy.qxd 25.8.2004 9:09 Page 14