Водонагреватели Gorenje GT5O - инструкция пользователя по применению, эксплуатации и установке на русском языке. Мы надеемся, она поможет вам решить возникшие у вас вопросы при эксплуатации техники.
Если остались вопросы, задайте их в комментариях после инструкции.
"Загружаем инструкцию", означает, что нужно подождать пока файл загрузится и можно будет его читать онлайн. Некоторые инструкции очень большие и время их появления зависит от вашей скорости интернета.

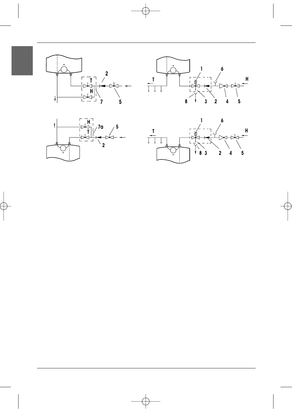
Otwar ty system /nieciśnieniowy/
Zamkniety /cisnieniowy/ system
Wersja pod blatem roboczym
Wersja pod blatem roboczym
Legenda:
1 - Zawór bezpieczeństwa
7 - Bateria przepływowa - montaż nad blatem roboczym
2 - Zawór zwrotny
7a - Bateria przepływowa - montaż pod blatem roboczym
3 - Zawór próbny
8 - Lejek z przyłączem do zlewu
4 - Zawór redukcyjny ciśnienia
5 - Zawór odcinający
H - Woda zimna
6 - Nadstawka próbna
T - Woda ciepła
Pomiędzy podgrzewacz wody i zawór nie wolno zamontować zaworu odci-
nającego, ponieważ w ten sposób uniemożliwia się działanie zaworu
bezpieczeństwa.
Podgrzewacz wody można bez zaworu redukcyjnego podłączyć do domowej instalacji
wodociągowej, gdy ciśnienie w instalacji jest niższe od 0,5 MPa. Przed podłączeniem
do sieci elektr ycznej, podgrzewacz wody należy napełnić wodą. Podczas pier wszego
napełniania należy przekręcić uchwyt ciepłej wody na baterii. Podgrzewacz jest
napełniony wtedy, gdy z baterii zacznie cieknąć woda.
PODŁĄCZENIE DO INSTALACJI ELEKTRYCZNEJ
Podgrzewacz podłącza się do instalacji elektr ycznej za pomocą kabla podłączeniowego
z wtyczką. Chcąc zamienić or yginalny kabel na nowy i dłuższy, należy go przewlec przez
końcówkę i przymocować go do klamerek podłączeniowych. W tym przypadku należy
podgrzewacz wody odłączyć od sieci elektr ycznej. Pomiędzy podgrzewacz wody i sieć
elektr yczną należy zamontować przełącznik, któr y przer wie dopływ prądu. Odległość
pomiędzy otwar tymi kontaktami przełącznika musi wynosić przynajmniej 3 mm.
Podłączenie podgrzewacza do instalacji elektr ycznej musi odpowiadać wymogom
określonym przez standardy dotyczące instalacji elektr ycznej.
UWAGA! Przed każdym zabiegiem dokonywanym we wnętrzu podgrzewacza,
musimy go wyłaczyć z sieci elektrycznej!
54
PL
Wersja nad blatem roboczym
Wersja nad blatem roboczym
TIKI Navodila_ GT KODA 627 JUL04 copy.qxd 25.8.2004 9:09 Page 54