Водонагреватели Gorenje GT5O - инструкция пользователя по применению, эксплуатации и установке на русском языке. Мы надеемся, она поможет вам решить возникшие у вас вопросы при эксплуатации техники.
Если остались вопросы, задайте их в комментариях после инструкции.
"Загружаем инструкцию", означает, что нужно подождать пока файл загрузится и можно будет его читать онлайн. Некоторые инструкции очень большие и время их появления зависит от вашей скорости интернета.

34
RO
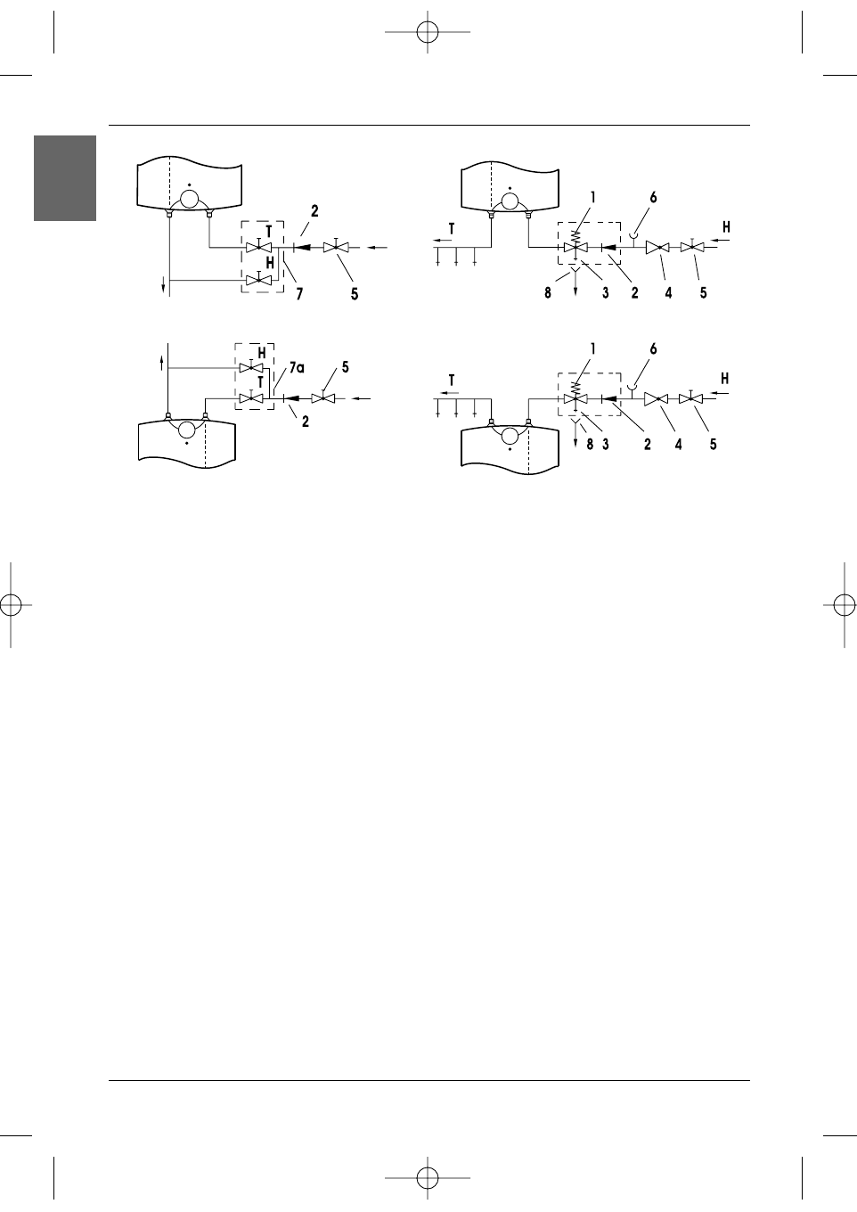
Sistemul (de primire) deschis
Sistemul (sub presiune) închis
Varianta "sub chiuvetâ"
Varianta "sub chiuvetâ"
Legenda:
1 - Ventil de siguranta
7 - Bateria de varsare si amestecare (var "deasuora chuvetei")
2 - Ventil fara întoarcere
7a - Bateria de varsare si amesticare (var "sub chuveta")
3 - Ventil de incercare
8 - Pîlnie cu legatura la evacuare
4 - Ventil de reproducere a tensiunii
5 - Ventil de închidere
H - Apa rece
6 - Component de încercare
T - Apa caldâ
Între boiler (încâlzitor) şi ventilul de siguranţâ nu aveti voie sâ montati ventilul de
închidere, pentru câ cu aceasta aţi împiedica activitatea ventilului de siguranţâ.
Boilerul (încâlizitorul) puteţi lega la reţeaua de apâ de casâ (a casei) fârâ ventilul de redlicere,
dacâ tensunea în reţea mai micâ de 0,5 MPa. Îniante de legarea la reţeaua electrică, boilerul
trebuie obligatoriu sâ fie întîi umplut cu apâ. La prima umplere deschideţi minerul pentru apa
caldâ la bateria de amesticare.
Boilerul (încâlzitorul) este plin cînd apa curge pe ţeava de curgere a bateriei de amesticat.
MONTAREA (LEGAREA) LA REŢEAUA ELECTRICÂ
Legarea boilerului la reţeaua electricâ se face prin cablul electric cu prizâ.
Dacă legâtura la reţeaua electricâ foloseşte cablu nou, mai lung, cablul se fixeazâ în cam-
era (teava) de cable, firele se întorc (învîr t) la agâţâtoarele de legâturâ. În acest caz
boilerul trebuile izolat de reţaua electricâ. Între boilerul şi instalaţia definitivâ se moteazâ
o prizâ care întrerupe amindouâ polurile de incarcare.
Distanţa dintre contactele deschise ale prizei trebuie sâ fie de cel puţin 3 mm.
Montarea (legarea) boilerului la reţeava electrica trebuie sa decurgâ în conformitate cu
standardurile de legâturi electrice.
ATENTIE: Înainte de orice intervenţie în interior, trebui sa scoateţi din
priza boilerul, sa înterupeti legatura cu reţeaua electrica!
Varianta "deasupra chiuvetei"
Varianta "deasupra chiuvetei"
TIKI Navodila_ GT KODA 627 JUL04 copy.qxd 25.8.2004 9:09 Page 34