Водонагреватели Gorenje GT5O - инструкция пользователя по применению, эксплуатации и установке на русском языке. Мы надеемся, она поможет вам решить возникшие у вас вопросы при эксплуатации техники.
Если остались вопросы, задайте их в комментариях после инструкции.
"Загружаем инструкцию", означает, что нужно подождать пока файл загрузится и можно будет его читать онлайн. Некоторые инструкции очень большие и время их появления зависит от вашей скорости интернета.

62
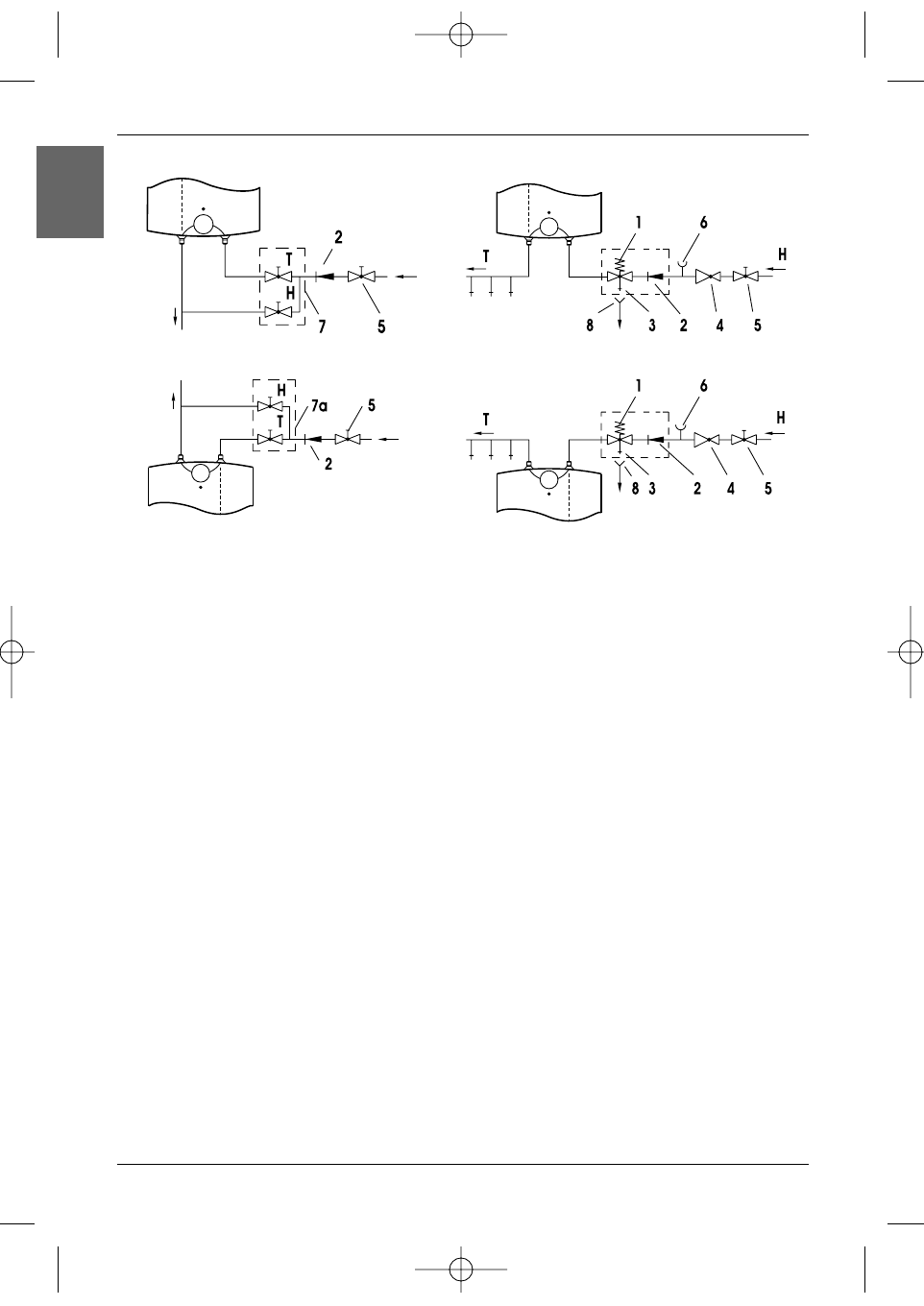
H
Nyitott (nem nyomás alatti) rendszer
Zár t (nyomás alatti) rendszer
Felső elhelyezésű kivitel
Felső elhelyezésű kivitel
Alsó elhelyezésű kivitel
Alsó elhelyezésű kivitel
Fő részek:
1 - Biztonsági szelep
7 - Nyílt rendszerű csaptelep - felső elhelyezés
2 - Visszacsapó szelep
7a - Nyílt rendszerű csaptelep - alsó elhelyezés
3 - Ellenőrző szelep
8 - Lijak s priključkom na odtok
4 - Nyomáscsökkentő szelep
5 - Elzáró szelep
H - Hidegvíz
6 - Ellenőrző szerelvény
T - Melegvíz
A vízmelegítő és a biztonsági szelep között zárásmentes elzáró szelep is felszerel-
hető, mivel ezzel a biztonsági szelep funkciója meggátolható.
Ha a vízhálózatban a víz nyomása 0,5 MPa-nál (5 bar) alacsonyabb, akkor nyomásc-
sökkentő szelep beépítésére nincs szükség.
Az elektromos csatlakoztatást megelőzően kötelező a vízmelegítő vízzel tör ténő feltöltése.
Az első feltöltésnél a keverő csaptelep melegvíz csapját ki kell nyitni. Ha a vízmelegítő fel
van töltve vízzel, akkor a keverő csaptelep kifolyó csövén megkezdődik a víz kifolyása.
A VÍZMELEGÍTŐ CSATLAKOZTATÁSA AZ ELEKTROMOS HÁLÓZATRA
A vízmelegítőt az elektromos csatlakozó vezetékre szerelt villásdugóval kell az elektromos
hálózathoz csatlakoztatni. Ha a készülék egy új, hosszabb csatlakozó vezetékkel csat-
lakozik az elektromos hálózathoz, akkor azt egy kábelbevezető gyűrűvel kell rögzíteni, a
benne lévő vezetékeket pedig a csatlakozóaljzatba csavarozni. Ebben az esetben a
vízmelegítőt le kell választani az elektromos hálózatról. A vízmelegítő és a bekötés helye
közé olyan megszakító kapcsolót kell szerelni, amely meg tudja szakítani az áramforrás
pólusait úgy, hogy a nyitott pólusok között legalább 3 mm távolság legyen.
A vízmelegítő elektromos hálózathoz való csatlakoztatását az elektromos berendezések
csatlakoztatására vonatkozó hatályos szabványok szerint kell elvégezni.
FIGYELMEZTETÉS: A bojler belsejébe történő beavatkozás előtt a bojlert
feltétlenül áramtalanítani kell!
TIKI Navodila_ GT KODA 627 JUL04 copy.qxd 25.8.2004 9:09 Page 62