Водонагреватели Gorenje GT5O - инструкция пользователя по применению, эксплуатации и установке на русском языке. Мы надеемся, она поможет вам решить возникшие у вас вопросы при эксплуатации техники.
Если остались вопросы, задайте их в комментариях после инструкции.
"Загружаем инструкцию", означает, что нужно подождать пока файл загрузится и можно будет его читать онлайн. Некоторые инструкции очень большие и время их появления зависит от вашей скорости интернета.

58
S
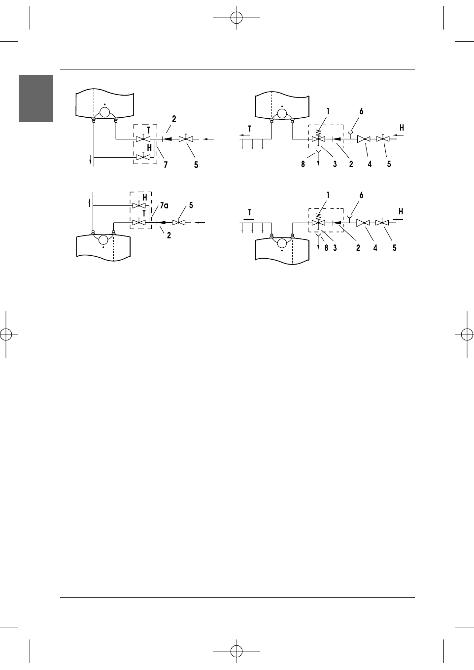
Det öppna (genomströmmande) systemet
Slutet (tr yck) system
Montage under tvättstället
Montage under tvättstället
Förklaring:
1 - Säkerhetsventil
7 - Vattenblandare - ovanför tvättstället
2 - Backventil
7a - Vattenblandare - under tvättstället
3 - Testventil
8 - Uppsamlingstratt med förbindelse till avloppsrör
4 - Reduktions- tr yckventil
5 - Stängningsventil
H - Kallt vatten
6 - Testförlängning
T - Varmt vatten
Mellan varmvattenberedaren och säkerhetsventil får man inte montera in någon
stängningsventil, eftersom detta skulle sätta funktionen av säkerhetsventilen ur spel.
Varmvattenberedaren kan kopplas till husets vattenledningsnät utan reduktionsventil, om
tr ycket i nätet understiger 0,5 MPa. Före inkopplingen till elnätet måste varmvatten-
beredaren fyllas med vatten. Vid den första påfyllningen med vatten ska kranen för var-
mvatten på vattenblandaren öppnas. Varmvattenberedaren är full med vatten när vat-
tnet börjar strömma ur vattenblandaren.
KOPPLING TILL ELNÄTET
Kopplingen av varmvattenberedaren till elnätet sker med en kopplingskabel med stick-
propp. Om man för inkopplingen till elnätet använder en ny, längre kabel, måste man
fästa kabeln i förskruvningen, och skruva fast trådarna i inkopplingsfästet. När detta ska
göras måste man först koppla bor t varmvattenberedaren helt från elnätet. Mellan
varmvattenberedaren och fastinstallation måste man koppla en strömbr ytare, som avbr y-
ter båda strömledningar. Strömbr ytarens kontakter i frånslaget läge måste hålla ett
avstånd av minst tre mm. Koppling av varmvattenberedaren till elnätet måste ske enligt
gällande normer för elektriska installationer.
VARNING: Före varje ingrepp i varmvattenberedarens inre måste man helt
koppla bort varmvattenberedaren från det elektriska nätet!
Montage ovanför tvättstället
Montage ovanför tvättstället
TIKI Navodila_ GT KODA 627 JUL04 copy.qxd 25.8.2004 9:09 Page 58