Водонагреватели Gorenje GT5O - инструкция пользователя по применению, эксплуатации и установке на русском языке. Мы надеемся, она поможет вам решить возникшие у вас вопросы при эксплуатации техники.
Если остались вопросы, задайте их в комментариях после инструкции.
"Загружаем инструкцию", означает, что нужно подождать пока файл загрузится и можно будет его читать онлайн. Некоторые инструкции очень большие и время их появления зависит от вашей скорости интернета.

66
F
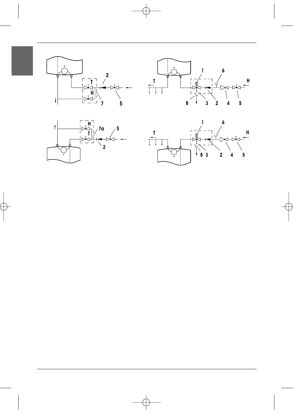
Circuit ouver t (de dépotage)
Circuit fermé (de pression)
Version au dessus de l'évier
Version au dessus de l'évier
Version sous-évier
Version sous-évier
Légende:
1 - Soupape de sécurité
7 - Robinet mélangeur d'écoulement - au-dessus d'évier
2 - Soupape de non-retour
7a - Robinet mélangeur d'écoulement - au-dessous d'évier
3 - Soupape d'essai
8 - Evier raccordé à l'égout
4 - Soupape réductrice
5 - Soupape d'arrêt
H - Eau froide
6 - Embout d'essai
T - Eau chaude
Aucune soupape d'arret ne doit pas etre installé entre la chaudiere et la soupape de
sécurité, parce que le fonctionnement de la soupape de sécurité serait rendu impossi-
ble.
Vous pouvez raccorder le chauffe-eau à la conduite d'eau de la maison sans soupape réduc-
trice, si la pression dans la conduite d'eau est inférieur à 0,5 MPa. Avant le branchement au
réseau électrique, le chauffe-eau doit être obligatoirement rempli d'eau. Au premier remplis-
sage vous ouvrez le levier à l'eau chaude sur le robinet mélangeur. Le chauffe-eau est rem-
pli quand l'eau s'écoule par le bec du robinet mélangeur.
BRANCHEMENT AU RÉSEAU ÉLECTRIQUE
Vous branchez le chauffe-eau au réseau électrique par le câble d'alimentation avec la fiche.
Si vous devez remplacer le câble d'alimentation avec un nouveau câble plus long, vous fixez
le nouveau câble dans la gaine à câble et vissez les fils sur la borne de raccordement. Dans
ce cas il est nécessaire de séparer le chauffe-eau du réseau électrique. Un disjoncteur doit
être installé entre le chauffe-eau et l'installation fixe coupant les deux pôles de l'alimentation.
Les contacts en position ouverte doivent être éloignés les uns des autres de 3 mm au mini-
mum. Le branchement au réseau électrique doit être effectué en conformité avec les normes
pour les installations électriques.
AVERTISSEMENT: Avant toute intervention à l'intérieur du chauffe-eau il le faut
obligatoirement débrancher du réseau électrique.
TIKI Navodila_ GT KODA 627 JUL04 copy.qxd 25.8.2004 9:09 Page 66