Водонагреватели Gorenje GT5O - инструкция пользователя по применению, эксплуатации и установке на русском языке. Мы надеемся, она поможет вам решить возникшие у вас вопросы при эксплуатации техники.
Если остались вопросы, задайте их в комментариях после инструкции.
"Загружаем инструкцию", означает, что нужно подождать пока файл загрузится и можно будет его читать онлайн. Некоторые инструкции очень большие и время их появления зависит от вашей скорости интернета.

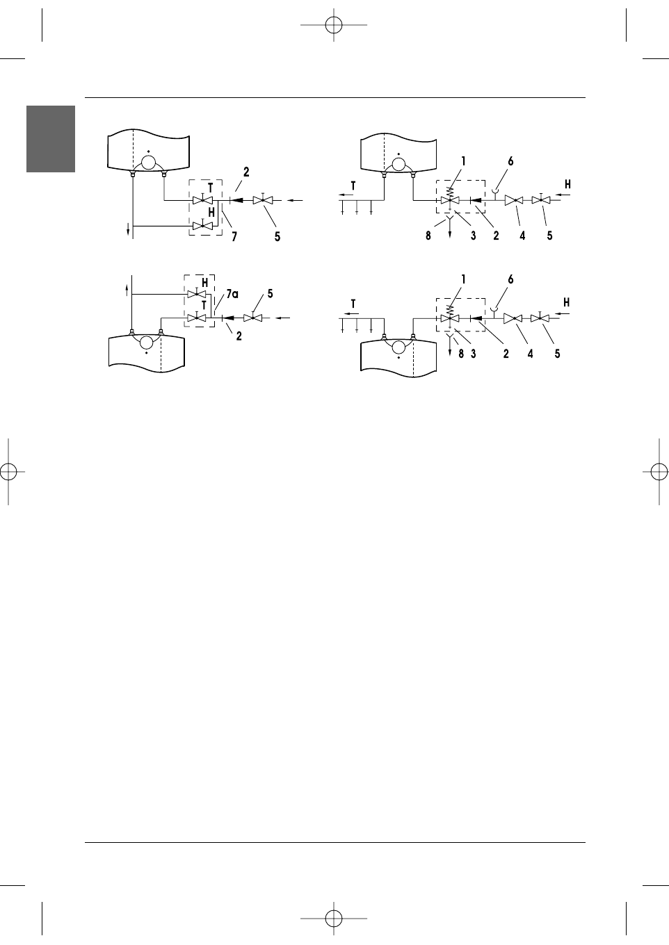
Odpr ti (pretočni) sistem
Zapr ti (tlačni) sistem
Podumivalniška izvedba
Podumivalniška izvedba
Legenda:
1 - Varnostni ventil
7 - Pretočna mešalna baterija - nadumivalniška
2 - Nepovratni ventil
7a - Pretočna mešalna baterija - podumivalniška
3 - Preizkusni ventil
8 - Lijak s priključkom na odtok
4 - Redukcijski ventil tlaka
5 - Zaporni ventil
H - Hladna voda
6 - Preizkusni nastavek
T - Topla voda
Med grelnik in varnostni ventil ne smete vgraditi zapornega ventila, ker bi s tem
delovanje varnostnega ventila onemogočili.
Grelnik lahko priključite na hišno vodovodno omrežje brez redukcijskega ventila, če je tlak
v omrežju nižji od 0,5 MPa.
Pred električno priključitvijo morate grelnik obvezno najprej napolniti z vodo. Pri pr vi polnitvi
odprete ročico za toplo vodo na mešalni bateriji. Grelnik je napolnjen, ko voda priteče skozi
izlivno cev mešalne baterije.
PRIKLJUČITEV NA ELEKTRIČNO OMREŽJE
Priključek grelnika na električno omrežje se vrši preko električnega kabla z vtikačem. Če se
za priključitev na električno omrežje uporabi novi, daljši kabel, se kabel pritrdi v kabelsko
uvodnico, žice pa se privijačijo na priključno sponko. V tem primeru je potrebno grelnik
ločiti od električnega omrežja. Med grelnik in trajno instalacijo se vgradi stikalo, ki prekinja
oba pola napajanja. Razdalja med odprtimi kontakti stikala mora biti najmanj 3 mm.
Priključitev grelnika na električno omrežje mora potekati v skladu s standardi za električne
napeljave.
OPOZORILO: Pred vsakim posegom v njegovo notranjost morate grelnik obvezno
izključiti iz električnega omrežja!
6
SLO
Nadumivalniška izvedba
Nadumivalniška izvedba
TIKI Navodila_ GT KODA 627 JUL04 copy.qxd 25.8.2004 9:09 Page 6