Водонагреватели Gorenje GBK200RNB6 - инструкция пользователя по применению, эксплуатации и установке на русском языке. Мы надеемся, она поможет вам решить возникшие у вас вопросы при эксплуатации техники.
Если остались вопросы, задайте их в комментариях после инструкции.
"Загружаем инструкцию", означает, что нужно подождать пока файл загрузится и можно будет его читать онлайн. Некоторые инструкции очень большие и время их появления зависит от вашей скорости интернета.

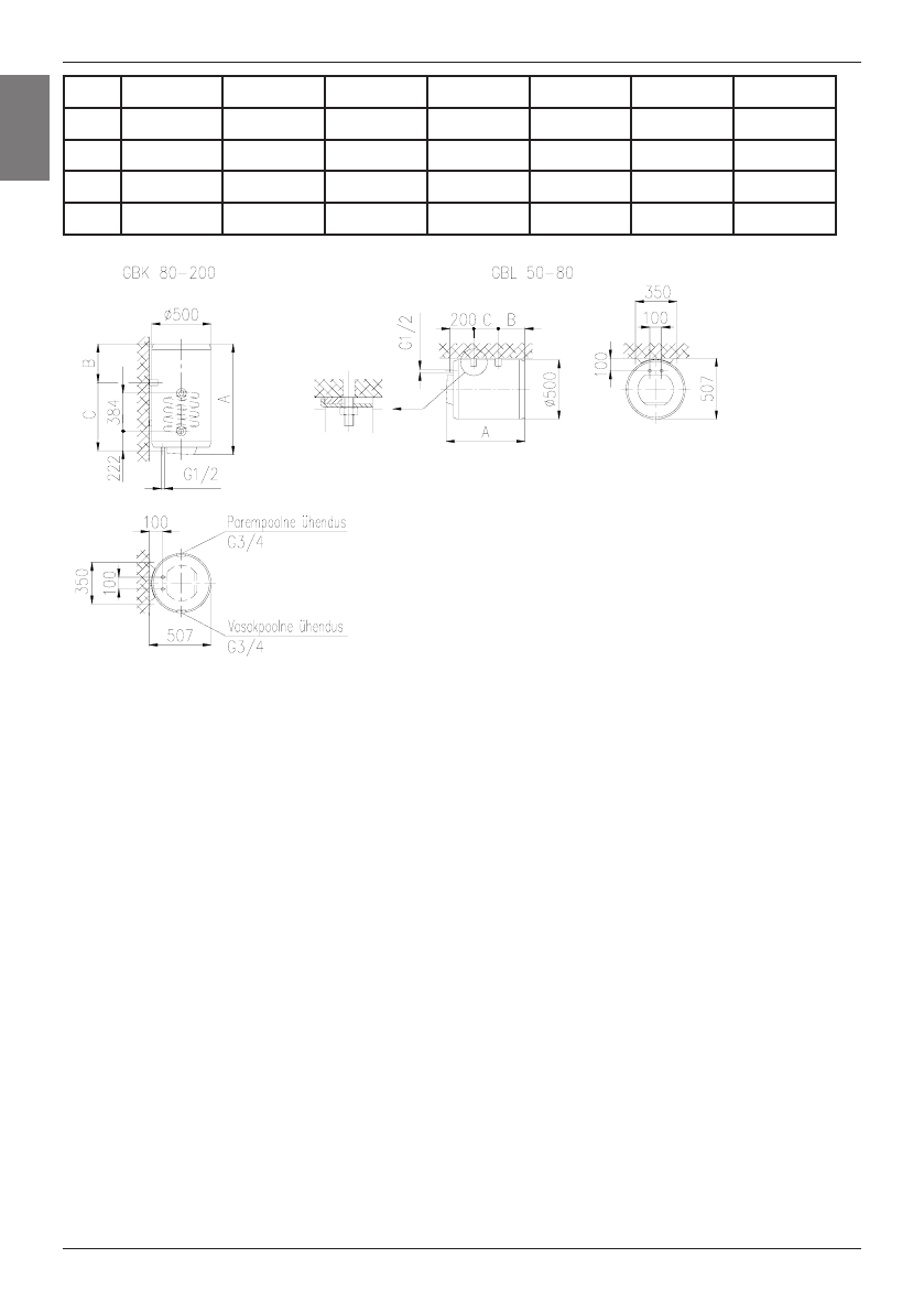
64
GBL 50
GBL 80
GBK 80
GBK 100
GBK 120
GBK 150
GBK 200
A
583
803
803
948
1103
1318
1510
B
187
207
207
202
207
222
430
C
145
345
565
715
865
1065
1050
D
340
416
416
416
416
Paigaldus- ja ühendusmõõtmed (mm)
ÜHENDAMINE VEEVÄRGIGA
Vee sisse- ja väljalaskeühendused on kuumaveeboileri torudel
tähistatud vastava värviga. Külma vee sisselaskeühendus on
tähistatud sinise värvi ja sooja vee väljalaskeühendus punase
värviga.
Kuumaveeboilerit saab veevärgiga ühendada kahel viisil.
Survestatud (suletud) ühendussüsteemi korral saab vee
väljalaskeühendusi olla mitu, survestamata (avatud) süsteemi
korral vaid üks. Valitud ühendussüsteemist sõltuvalt tuleb osta ka sobivad segistid. Avatud, survestamata
süsteemi korral tuleb kuumaveeboileri ette paigaldada tagasilöögiklapp, mis ei laseks paagist vett
välja juhul, kui veevärgis tekib veekatkestus. Niisuguse ühendussüsteemi korral tuleb kasutada
ristvoolusegistit. Vee temperatuuri tõusmisel kuumaveeboileris suureneb selle maht, mis kutsub esile
vee tilkumise segisti torust. Segisti kraani kõvasti kinnikeeramine ei lõpeta vee tilkumist, küll aga
võib segisti kahjustada saada. Suletud, survestatud ühendussüsteemi korral tuleb väljalaskeavadele
paigaldada survesegistid. Ohutuse tagamiseks tuleb vee etteandetoru varustada kaitseklapi või,
alternatiivselt, vastava ohutusklassiga ventiiliga, mis ei lase paagi siserõhul ületada nimirõhku enam
kui 0,1 MPa võrra.
Vee soojenemisel kuumaveeboileris tõuseb paagi siserõhk kaitseklapi seadistustasemeni. Kuivõrd vesi
ei saa veevärki tagasi pöörduda, võib see esile kutsuda tilkumist kaitseklapi väljalaskeavast. Tekkinud
tilkade kanalisatsiooni juhtimiseks võib kaitseklapi alla paigaldada äravoolutoruga püüduri. Selleks
tuleb esmalt kruvida lahti kuumaveeboileri kaitsekaas. Kui olemasolev torustik ei võimalda tilkuvat
vett torude abil kaitseklapist kanalisatsiooni juhtida, saab tilkumist vältida kuumaveeboileri külma vee
sisselasketorule 3 l paisupaagi paigaldamise teel.
Kaitseklapi nõuetekohast toimimist tuleb regulaarselt (s.t. kord 2 nädala jooksul) kontrollida.
Kontrollimiseks avage kaitseklapi väljalaskekanal, pöörates käepidet või keerates lahti klapi mutri (klapi
tüübist sõltuvalt). Klapp toimib korralikult juhul, kui vesi väljalaskekanali avamise järel otsakust voolama
hakkab.
Kuumaveeboileri ja tagasilöögiklapi vahele ei tohi paigaldada sulgesiibrit, sest see takistaks kaitseklapi
toimimist.
Kuumaveeboilerit võib maja veevärgiga ühendada ilma reduktsiooniklapita juhul, kui rõhk süsteemis
on alla 0,5 MPa. Kui rõhk süsteemis võib tõusta üle 1,0 MPa, tuleb järjestikku paigaldada kaks
reduktsiooniklappi.
Enne elektriühenduste teostamist tuleb kuumaveeboiler kindlasti veega täita. Esmakordsel täitmisel
avage segisti kuumaveekraan. Kui kuumaveeboiler on vett täis, hakkab kraanist vett välja voolama.
ET
Содержание
- 11 Уважаемый покупатель, благодарим Вас за покупку нашего изделия.; монтдж; ТЕХНИЧЕСКИЕ ХАРАКТЕРИСТИКИ АППАРАТА; входящей температуре холодной воды из водопровода 15°C.; ТЕХНИЧЕСКИЕ ХАРАКТЕРИСТИКИ ТЕПЛООБМЕННИКА; US
- 12 Соединительные и монтажные размеры водонагревателя [мм]; ПОДКЛЮЧЕНИЕ K ВОДОПРОВОДУ; от выбранной системы подключения. B открытой проточной системе
- 13 ПОДKЛЮЧЕНИЕ K ЭЛЕКТРОСЕТИ
- 14 ИСПОЛЬЗОВАНИЕ И УХОД