Водонагреватели Gorenje GBK120RNB6 - инструкция пользователя по применению, эксплуатации и установке на русском языке. Мы надеемся, она поможет вам решить возникшие у вас вопросы при эксплуатации техники.
Если остались вопросы, задайте их в комментариях после инструкции.
"Загружаем инструкцию", означает, что нужно подождать пока файл загрузится и можно будет его читать онлайн. Некоторые инструкции очень большие и время их появления зависит от вашей скорости интернета.

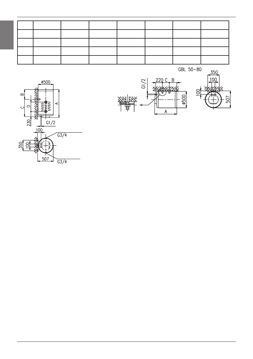
8
GBL 50
GBL 80
GBK 80
GBK 100
GBK 120
GBK 150
GBK 200
A
583
803
803
948
1103
1318
1510
B
187
207
207
202
207
222
430
C
145
345
565
715
865
1065
1050
D
340
416
416
416
416
Anschluss - und Montagemasse (mm).
GBK 80 - 200
ANSCHLUSS AN DAS WASSERLEITUNGSNETZ
Zu- und Ableitung des Wassers sind an den Röhren des Warmwasserbereiters
farbgezeichnet. Zuleitung des kalten Wassers ist blau, Ableitung des warmen
Wassers rot gekennzeichnet. Den Warmwasserbereiter können sie an das
Wasserleitungsnetz auf zwei Arten anschließen.
Das geschlossene Drucksystem des Anschlußes ermöglicht die
Wasserabnahme an mehreren Abnahmestellen, das druckfreie System
aber erlaubt nur eine Abnahmestelle. Mit Hinsicht auf das Anschlußsystem
müssen sie auch entsprechende Mischbatterien anschaffen. Bei offenem, druckfreiem System muß vor dem
Warmwasserbereiter ein Sicherheitsventil eingebaut werden, wodurch das ausfließen des Wassers aus dem
Innenbehälter verhindert wird, wenn im Wassernetz das Wasser ausfällt. Bei diesem Anschlußsytem müssen
Sie eine Durchfluß-Mischbatterie verwenden. Im Warmwasserbereiter wird wegen Aufwärmung der Wasserinhalt
vergrößert, dies aber verursacht das Tropfen aus dem Rohr der Mischbatterie. Mit starkem Anziehen des Griffes
an der Mischbatterie können Sie das Tropfen des Wassers nicht verhindern, sondern sie können die Mischbatterie
nur beschädigen. Bei geschloßenem Drucksystem des Anschlußes müssen sie an den Abnahmestellen Druck-
Mischbatterien verwenden. Für eine sichere Betriebsweise ist unbedingt ein Sicherheitsventil an das Zulaufrohr
einzubauen oder eine Sicherheitsgruppe, die einen Druckanstieg von mehr als 0,1 MPa über Nominal im Kessel
verhindert. Das Ablflussrohr, das unter dem Ablauf des Sicherheitsventils angebracht wird, ist senkrecht nach
unten und in frostfreier Umgebung einzubauen.
Gibt es wegen einer unsachgemäß ausgeführten Installation keine Möglichkeit, das tropfende Wasser aus dem
Rückschlagventil in den Ablauf zu leiten, kann man das Tröpfeln vermeiden, indem ein Expansionsgefäß mit
dem Volumen 3 l am Zulaufrohr des Warmwasserbereiters eingebaut wird. Um eine einwandfreie Funktion des
Rückschlagventils zu sichern, müssen regelmäßige Prüfungen vierzehntäglich durchgeführt werden. Bei der
Prüfung ist durch das Betätigen des Hebels oder Lösen der Ventilmutter (je nach dem Ventiltyp) der Auslauf des
Rückschlagventils zu öffnen. Dabei muss aus dem Auslaufdüse Wasser austreten, um die Fehlerlosigkeit des
Ventils aufzuweisen.
Zwischen dem Warmwasserbereiter und dem Sicherheitsventil dürfen Sie kein Sperrventil einbauen, weil Sie dadurch die
Wirkung des Rückschlag- Sicherheitsventils verhindern.
Den Warmwasserbereiter können Sie an das Wasserleitungsnetz ohne Reduktionsventil anschließen, wenn der
Druck im Netz niedriger als 0,5 MPa ist. Wenn der Druck 1,0 MPa übersteigt, müssen Sie nacheinander zwei
Reduktionsventile einbauen. Vor dem elektrischen Anschluß müssen Sie den Warmwasserbereiter verbindlich
zuerst mit Wasser auffüllen. Bei erster Füllung öffnen Sie die Spindel für warmes Wasser auf der Mischbatterie.
Der Warmwasserbereiter ist aufgefüllt, wenn das Wasser durch das Ausflußrohr der Mischbatterie fließt.
Rechter Anschluß
Linker Anschluß
D
Содержание
- 11 Уважаемый покупатель, благодарим Вас за покупку нашего изделия.; монтдж; ТЕХНИЧЕСКИЕ ХАРАКТЕРИСТИКИ АППАРАТА; входящей температуре холодной воды из водопровода 15°C.; ТЕХНИЧЕСКИЕ ХАРАКТЕРИСТИКИ ТЕПЛООБМЕННИКА; US
- 12 Соединительные и монтажные размеры водонагревателя [мм]; ПОДКЛЮЧЕНИЕ K ВОДОПРОВОДУ; от выбранной системы подключения. B открытой проточной системе
- 13 ПОДKЛЮЧЕНИЕ K ЭЛЕКТРОСЕТИ
- 14 ИСПОЛЬЗОВАНИЕ И УХОД













