Водонагреватели Gorenje GBK120RNB6 - инструкция пользователя по применению, эксплуатации и установке на русском языке. Мы надеемся, она поможет вам решить возникшие у вас вопросы при эксплуатации техники.
Если остались вопросы, задайте их в комментариях после инструкции.
"Загружаем инструкцию", означает, что нужно подождать пока файл загрузится и можно будет его читать онлайн. Некоторые инструкции очень большие и время их появления зависит от вашей скорости интернета.

66
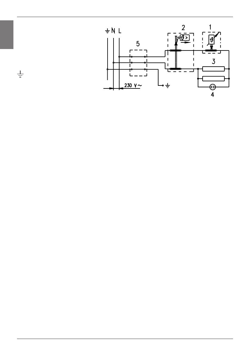
Tähistus:
1 – Termostaat
2 – Bimetallkaitse
3 – Kütteelement (2 x 1000 W)
4 – Signaallamp
5 – Liitmik
L – Pingestatud juhe
N – Nulljuhe
– Maandusjuhe
ETTEVAATUST: Enne mis tahes toimingute sooritamist kuumaveeboileri sees tuleb
see kindlasti vooluvõrgust lahti ühendada!
KASUTAMINE JA HOOLDUS
Veevärgi ja vooluvõrguga ühendamise järel on kuumaveeboiler kasutamiseks valmis.
Veetemperatuuri saab reguleerida vahemikus 25°C kuni 75°C kaitsekaane esiküljel oleva
nupu pööramise teel. Soovitame seada nupp asendisse E. Niisugune seadistus on kõige
säästlikum – vee temperatuuriks on u. 55°C, katlakivi tekib vähem ning temperatuurikaod on
kõrgemate temperatuuridega võrreldes väiksemad.
Elektriliste sukelküttekehade toimimisest annab märku signaallamp. Kuumaveeboileri
välispinnal on termomeeter, mis näitab vee temperatuuri. Kui kuumaveeboilerit pole kavas
pikka aega kasutada, tuleb selle sisu kaitsta jäätumise eest – ärge lülitage toidet välja, vaid
seadke termostaadi nupp asendisse *. Sellise seadistuse korral hoiab kuumaveeboiler vee
temperatuuri u. 10 °C juures. Kui aga kuumaveeboiler vooluvõrgust välja lülitatakse ja oodata
võib vee jäätumist, laske vesi kuumaveeboilerist välja.
Enne kuumaveeboileri tühjakslaskmist ühendage see vooluvõrgust lahti. Seejärel avage
kuumaveekraanid. Kuumaveeboiler tuleks tühjaks lasta sisselaskeühenduse kaudu. Selleks
on kuumaveeboileri sisselaskeühenduse ja kaitseklapi vahele soovitatav paigaldada
spetsiaalne liitmik või tühjenduskraan. Teiseks võimaluseks on vee väljalaskmine otse
kaitseklapi kaudu, seades klapi hoova või pööratava pea asendisse Test. Kuumaveeboileri
sisselasketoru tühjendamise järel jääb paaki veidi jääkvett, mis tuleb välja lasta
soojendusääriku mahavõtmise teel.
Kasutage kuumaveeboileri välispindade puhastamiseks pehmet pesuainelahust. Lahustite
või abrasiivsete puhastusvahendite kasutamine on keelatud.
Kuumaveeboileri regulaarne kontrollimine tagab selle laitmatu toimimise ja pika tööea.
Kuumaveeboiler tuleks esimest korda üle vaadata volitatud töökojas kahe aasta möödumisel
esmakordsest ühendamisest. Ülevaatus hõlmab korrosioonikaitseanoodi ülevaatamist ja vee
kvaliteedist, kogusest ning temperatuurist sõltuvalt kuumaveeboileri sees ladestuva katlakivi
eemaldamist vajaduse korral. Ülevaatuse läbiviimise järel määrab töökoda tulemustest
lähtuvalt ka kuumaveeboileri järgmise soovitatava ülevaatuskuupäeva.
Ärge kunagi proovige kuumaveeboileri võimalikke rikkeid ise parandada – teavitage
nendest lähimat volitatud töökoda.
ET
Содержание
- 11 Уважаемый покупатель, благодарим Вас за покупку нашего изделия.; монтдж; ТЕХНИЧЕСКИЕ ХАРАКТЕРИСТИКИ АППАРАТА; входящей температуре холодной воды из водопровода 15°C.; ТЕХНИЧЕСКИЕ ХАРАКТЕРИСТИКИ ТЕПЛООБМЕННИКА; US
- 12 Соединительные и монтажные размеры водонагревателя [мм]; ПОДКЛЮЧЕНИЕ K ВОДОПРОВОДУ; от выбранной системы подключения. B открытой проточной системе
- 13 ПОДKЛЮЧЕНИЕ K ЭЛЕКТРОСЕТИ
- 14 ИСПОЛЬЗОВАНИЕ И УХОД













