Водонагреватели Gorenje GBK120RNB6 - инструкция пользователя по применению, эксплуатации и установке на русском языке. Мы надеемся, она поможет вам решить возникшие у вас вопросы при эксплуатации техники.
Если остались вопросы, задайте их в комментариях после инструкции.
"Загружаем инструкцию", означает, что нужно подождать пока файл загрузится и можно будет его читать онлайн. Некоторые инструкции очень большие и время их появления зависит от вашей скорости интернета.

24
GBL 50
GBL 80
GBK 80
GBK 100
GBK 120
GBK 150
GBK 200
A
583
803
803
948
1103
1318
1510
B
187
207
207
202
207
222
430
C
145
345
565
715
865
1065
1050
D
340
416
416
416
416
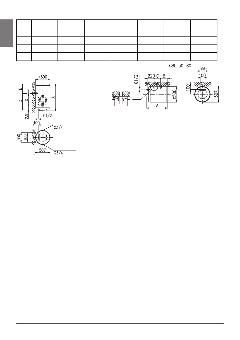
Míry pro zapojení a montáž [mm].
             GBK 80 - 200
PŘIPOJENÍ NA VODOVODNÍ SÍŤ
Přívod a odvod vody je na trubkách aparátu označen barevnými koncovkami. Přívod 
studené vody je označen modrou a odvod teplé vody červenou barvou.
Ohřívač vody lze připojit k vodovodní síti dvěmi způsoby. Uzavřený, tlakový systém 
připojení  umožňuje  odběr  vody  na  více  odběrových  místech,  zatímco  otevřený, 
průtokový  systém  umožňuje  pouze  jedno  odběrové  místo.  Vzhledem  k  zvolenému 
systému  přípojení  si  musíte  pořídit  i  vhodné  směšovací  baterie.  Při  otevřeném, 
průtokovém  systému  je  potřeba  před  ohřívací  těleso  zabudovat  bezpečnostní  ventil,  který  zamezuje  vytékání  vody 
z kotle v případě přerušení dodávky vody. U tohoto systému připojení musíte použít průtokovou směšovací baterii. V 
ohřívači  vody  se  z  důvodu  ohřívanání  objem  vody  zvětšuje  a  to  způsobuje  kapání  vody  z  trubky  směšovací  baterie. 
Silným utahováním ventilu směšovací baterie nezamezíte kapání vody, ale můžete jen poškodit směšovací baterii. Při 
uzavřeném, tlakovém systému připojení musíte na odběrových místech použít tlakové směšovací baterie. Na dotokovou 
trubku musíte připojit bezpečnostní ventil nebo bezpečnostní zařízení, které zabraňuje zvýšení tlaku v kotli o více než 
0,1  MPa  nad  nominálním  tlakem.  Během  ohřívání  vody  v  ohřívači  se  zvyšuje  v  kotli  její  tlak  tak  dlouho  až  dosáhne 
hranici nastavenou na bezpečnostním ventilu. Protože zpětný ventil zamezí vracení vody zpět do vodovodní sítě, může 
dojít ke kapání vody na odtokovém otvoru bezpečnostního ventilu. Kapající vodu můžete odvést přes sběrný nástavec, 
umístěný pod bezpečnostním ventilem, do odtoku. Odtoková trubka umístěná pod výpustí bezpečnostního ventilu musí 
být  umístěna  v  místnosti  kde  nemrzne  a  musí  být  obrácena  směrem  dolů.  V  případě,  že  při  nevhodně  provedené 
instalaci nemáte možnost kapající vodu ze zpětného bezpečnostního ventilu odvést do odtoku, potom se kapání vody 
vyhnete zabudováním expanzní nádoby o obsahu 3 l na dotokové trubce bojleru.
Pro  správnou  činnost  zpětného  bezpečnostního  ventilu  musíte  sami  provádět  řádné  kontroly  za  každých  14  dní.  Při 
kontrole musíte pohybem ručky nebo odšroubováním matky ventilu (závisí na typu ventilu) otevřít výtok ze zpětného 
bezpečnostního ventilu. Přitom musí vytéci přes výtokovou trysku ventilu voda, to znamená, že je ventil bezporuchový.
Mezi aparát a bezpečnostní ventil nemontujte uzavírací ventil, protože tím vyloučíte funkci 
bezpečnostního ventilu.
Ohřívač vody můžete připojit na domovní vodovodní síť bez redukčního ventilu, pokud je tlak v síti nižší než 0,5 MPa. 
V  případě,  že  tlak  přesahuje  1,0  MPa,  musíte  zabudovat  dva  redukční  ventily  za  sebou.  Před  připojením  k  elektrické 
síti musíte aparát nejdříve naplnit vodou. První plnění provedete tak, že na směšovací baterii otevřete ventil teplé vody. 
Aparát je naplněn, když se na odtočné trubce směšovací baterie objeví voda.
Pravá přípojka
Levá přípojka
C
Z
Содержание
- 11 Уважаемый покупатель, благодарим Вас за покупку нашего изделия.; монтдж; ТЕХНИЧЕСКИЕ ХАРАКТЕРИСТИКИ АППАРАТА; входящей температуре холодной воды из водопровода 15°C.; ТЕХНИЧЕСКИЕ ХАРАКТЕРИСТИКИ ТЕПЛООБМЕННИКА; US
- 12 Соединительные и монтажные размеры водонагревателя [мм]; ПОДКЛЮЧЕНИЕ K ВОДОПРОВОДУ; от выбранной системы подключения. B открытой проточной системе
- 13 ПОДKЛЮЧЕНИЕ K ЭЛЕКТРОСЕТИ
- 14 ИСПОЛЬЗОВАНИЕ И УХОД

 
  
  
  
  
  
  
  
  
  
  
  
  
  
  
  
  
  
  
  
  
  
  
  
  
  
  
  
  
  
  
  
  
  
  
  
  
  
  
  
  
  
  
  
  
  
  
  
  
  
  
  
  
  
  
  
  
  
  
  
  
  
  
  
  
  
  
  
 











