Водонагреватели Gorenje GBK120RNB6 - инструкция пользователя по применению, эксплуатации и установке на русском языке. Мы надеемся, она поможет вам решить возникшие у вас вопросы при эксплуатации техники.
Если остались вопросы, задайте их в комментариях после инструкции.
"Загружаем инструкцию", означает, что нужно подождать пока файл загрузится и можно будет его читать онлайн. Некоторые инструкции очень большие и время их появления зависит от вашей скорости интернета.

10
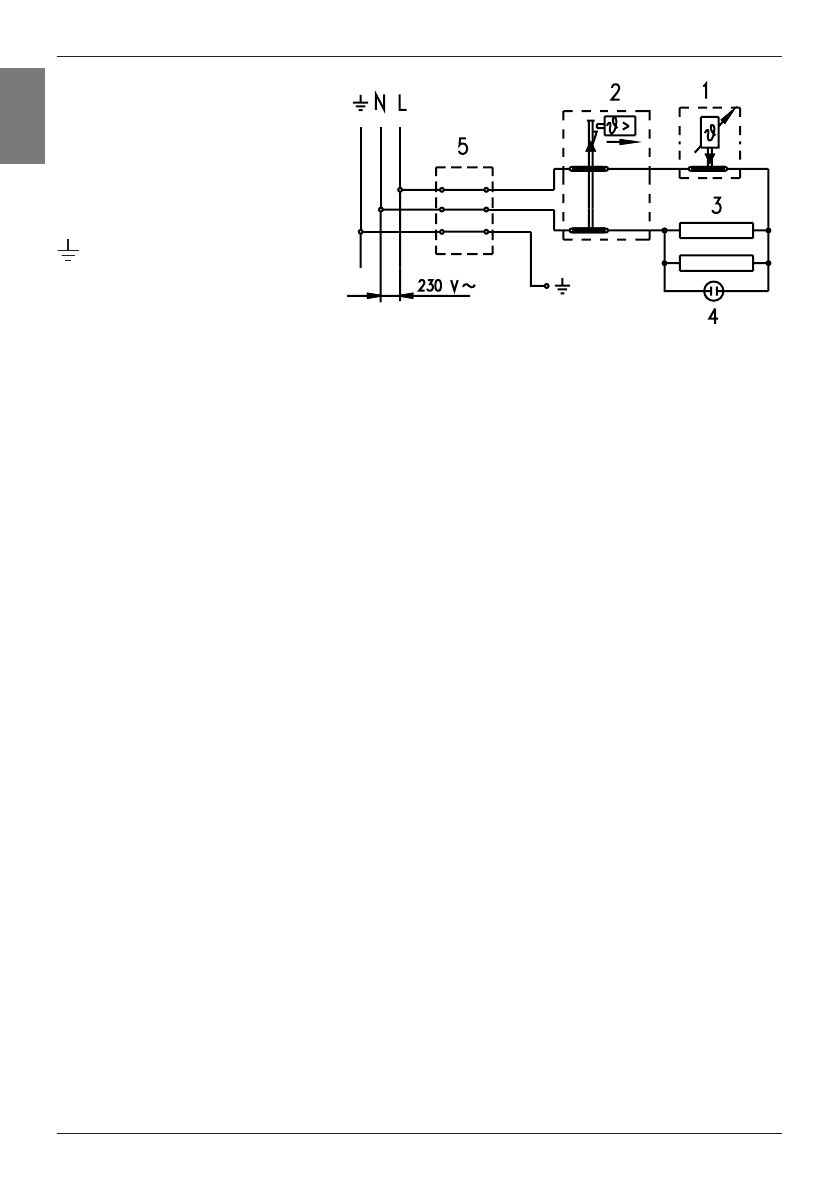
Legende:
1 - Thermostat
2 - Bimetallsicherung
3 - Heizgerät (2 x 1000 W)
4 - Kontrolleuchte
5 - Anschlußklemme
L - Phasenleiter
N - Neutraler Leiter
- Schutzleiter
VORSICHT: Vor jedem Eingriff in den Warmwasserbereiter müssen Sie den Strom
ausschalten!
VERWENDUNG UND INSTANDHALTUNG
Nach dem Anschluß an das Wasserleitungs- und Elektronetz ist der Warmwasserbereiter für den Betrieb vorbereitet.
Mit dem Drehen des Knopfes an dem Thermostat, der sich an vorderer Seite des Schutzdeckels befindet, wählen
Sie die Wassertemperatur zwischen 25°C und 75°C. Wir empfehlen die Knopfeinstellung auf die Position “E”. Diese
Einstellung ist die sparsamste; hier ist die Wassertemperatur ungefähr 55°C, das Ausscheiden des Wassersteines und
der Wärmeverlust aber werden niedriger sein als bei der Einstellung einer höhereTemperatur.
Das Funktionieren des elektrischen Heizkörpers wird an der Kontrolleuchte angezeigt. Der Warmwasserbereiter
hat außen auch ein Thermometer angebracht, das die Wassertemperatur zeigt. Wenn sie den Warmwasserbereiter
längere Zeit nicht zu gebrauchen gedenken, schutzen Sie den Inhalt vor Frost so, daß Sie den elektrischen Strom nicht
ausschalten, sondern den Thermostatknopf auf “*” einstellen. Bei dieser Einstellung wird die Wassertemperatur im
Warmwasserbereiter bei ungefähr 10°C gehalten. Wenn sie den Warmwasserbereiter aus dem Elektronetz ausschalten,
müssen Sie das Wasser wegen Frostgefahr auslaßen.
Bevor das Wasser aus dem Gerät abgelassen wird, ist unbedingt der elektrische Strom abzuschalten. Danach kann
der Warmwasserhahn an einer der Mischbatterien, die am Gerät installiert sind, geöffnet werden. Das Wasser wird
über das Einlaufrohr abgelassen. Zu diesem Zweck ist empfehlenswert, zwischen Einlaufrohr und Sicherheitsventil ein
entsprechendes Auslaufventil oder T-Stück einzusetzen. Wenn dies nicht der Fall ist, kann das Wasser auch direkt über
das Sicherheitsventil abgelassen werden, indem der Hebel oder die Schraubenkappe des Sicherheitsventils auf Test-
Position gestellt wird. Nach Ablassen des Wassers über das Einlaufrohr bleibt noch etwas Restwasser im Gerät zurück,
das durch Abdrehen des Heizflansches abgelassen wird.
Das Äußere des Warmwasserbereiters reinigen Sie mit milder Lösung eines Waschpulvers. Verwenden Sie kein
Verdünner oder grobe Reinigungsmittel.
Mit regelmäßigen Kundendienstprüfungen werden fehlerlose Funktion und lange Lebensdauer des Warmwasserbereiters
gesichert. Die erste Prüfung soll der bevollmächtigte Kundendienst ungefähr zwei Jahre nach dem Anschluß
durchführen. Bei der Prüfung überprüft er die Abnützung der Antikorrosions - Schutzanode und nach Bedarf reinigt er
den Wasserstein, der sich mit Hinsicht auf die Qualität, Menge und Temperatur des verbrauchten Wassers im Inneren
des Warmwasserbereiters ausscheidet. Der Kundendienst wird Ihnen nach der Prüfung des Warmwasserbereiters mit
Hinsicht auf den festgestellten Stand auch das Datum der nächsten Kontrolle empfehlen.
Wir bitten Sie, daß Sie eventuelle Beschädigungen an dem Warmwasserbereiter nicht
selbst reparieren, sondern davon den nächsten bevollmächtigten Kundendienst
benachrichtigen.
D
Содержание
- 11 Уважаемый покупатель, благодарим Вас за покупку нашего изделия.; монтдж; ТЕХНИЧЕСКИЕ ХАРАКТЕРИСТИКИ АППАРАТА; входящей температуре холодной воды из водопровода 15°C.; ТЕХНИЧЕСКИЕ ХАРАКТЕРИСТИКИ ТЕПЛООБМЕННИКА; US
- 12 Соединительные и монтажные размеры водонагревателя [мм]; ПОДКЛЮЧЕНИЕ K ВОДОПРОВОДУ; от выбранной системы подключения. B открытой проточной системе
- 13 ПОДKЛЮЧЕНИЕ K ЭЛЕКТРОСЕТИ
- 14 ИСПОЛЬЗОВАНИЕ И УХОД













