Водонагреватели Gorenje GBK120RNB6 - инструкция пользователя по применению, эксплуатации и установке на русском языке. Мы надеемся, она поможет вам решить возникшие у вас вопросы при эксплуатации техники.
Если остались вопросы, задайте их в комментариях после инструкции.
"Загружаем инструкцию", означает, что нужно подождать пока файл загрузится и можно будет его читать онлайн. Некоторые инструкции очень большие и время их появления зависит от вашей скорости интернета.

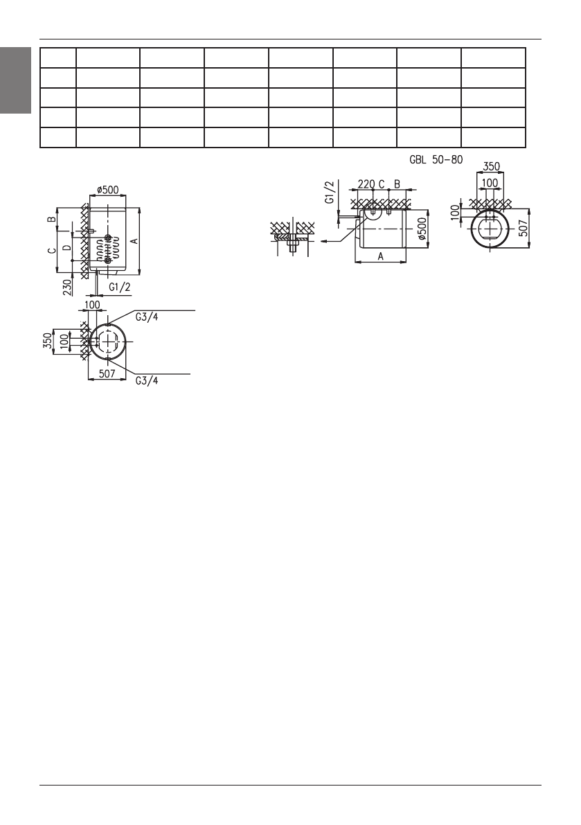
52
GBL 50
GBL 80
GBK 80
GBK 100
GBK 120
GBK 150
GBK 200
A
583
803
803
948
1103
1318
1510
B
187
207
207
202
207
222
430
C
145
345
565
715
865
1065
1050
D
340
416
416
416
416
Wymiary dotyczące montażu (mm).
              GBK 80 - 200
PODŁĄCZENIE DO INSTALACJI WODOCIĄGOWEJ
Przyłącza  wody  zimnej  i  wody  ciepłej  na  podgrzewaczu  są  oznaczone  kolorami. 
Przyłącze wody zimnej oznaczone jest kolorem niebieskim, przyłącze wody ciepłej 
oznaczone  jest  kolorem  czerwonym.  Podgrzewacz  można  podłączyć  do  instalacji 
wodociągowej w dwojaki sposób. System podłączenia zamkniętego, ciśnieniowego 
umożliwia wielopunktowy pobór wody, zaś system nieciśnieniowy pozwala wyłącznie 
na jednopunktowy pobór wody. Za względu na wybrany system podłączenia należy 
zamontować odpowiednie baterie. Przy otwartym, nieciśnieniowym systemie należy 
przed podgrzewacz wody zamontować zawór zwrotny, który w przypadku braku wody w instalacji wodociągowej zapobiega 
wyciekaniu  wody  z  zbiornika.  Decydując  się  na  ten  sposób  podłączenia,  musimy  użyć  baterii  przepływowej.  Podczas 
zagrzewania  wody  w  podgrzewaczu  jej  objętość  powiększa  się,  co  powoduje  kapanie  wody  z  baterii.  Przez  silniejsze 
przykręcanie uchwytu baterii, kapania wody nie zażegnamy, spowodujemy tylko uszkodzenie baterii.
Przy zamkniętym, ciśnieniowym sposobie podłączenia należy na miejscach poboru wody zamontować baterie ciśnieniowe. 
Do  rury  doprowadzającej  obowiązkowo  należy  zamontować  zawór  zabezpieczający  lub  zespół  zabezpieczający,  który 
uniemożliwia  wzrost  ciśnienia  w  podgrzewaczu  wody  powyżej  0,1  MPa  ponad  ciśnieniem  znamionowym.  Podczas 
zagrzewania wody w podgrzewaczu ciśnienie wody wzrasta do wartości, nastawionej w zaworze bezpieczeństwa. Ponieważ 
odpływ  wody  z  powrotem  do  instalacji  wodociągowej  jest  niemożliwy,  może  to  spowodować  kapanie  wody  z  otworu 
odprowadzającego  na  zaworze  bezpieczeństwa.  Kapiącą  wodę  można  zbierać  do  specjalnej  nadstawki,  którą  ustawiamy 
pod zaworem bezpieczeństwa. Rura odprowadzająca, znajdująca się pod wylotem zaworu zabezpieczającego, powinna być 
zamontowana w kierunku bezpośrednio w dół i w otoczeniu gdzie nie zamarza.
Jeśli instalacja nie była odpowiednio przeprowadzona w wyniku czego nie mamy możliwości odprowadzenia wyciekającej 
wody  do  rury  odpływowej  za  pomocą  zaworu  bezpieczeństwa,  musimy  na  rurze  doprowadzającej  podgrzewacza  wody 
zamontować, zbiornik wyrównawczy o pojemności 3 l, co pozwoli nam na przechwytywanie wyciekającej wody. Prawidłowe 
działanie  zaworu  bezpieczeństwa  powinno  być  kontrolowane  osobiście  co  14  dni.  Podczas  kontroli  polegającej  na 
przesunięciu uchwytu lub muterki zaworu (zależnie od typu zaworu) należy otworzyć odpływ na zaworze bezpieczeństwa. 
Podczas kontroli z dyszy powinna wycieknąć woda, co oznacza, że zawór jest bez zarzutu.
Pomiędzy  podgrzewacz  wody  i  zawór  zwrotny  nie  wolno  zamontować  zaworu  odcinającego, 
ponieważ w ten sposób uniemożliwia się działanie zaworu bezpieczeństwa.
Podgrzewacz wody można bez zaworu redukcyjnego podłączyć do domowej instalacji wodociągowej, gdy ciśnienie w instalacji 
jest niższe od 0,5 MPa. Gdy ciśnienie w instalacji przewyższa 1,0 MPa, musimy zamontować dwa zawory redukcyjne jeden 
za drugim. Przed podłączeniem elektrycznym podgrzewacz wody należy napełnić wodą. Podczas pierwszego napełniania 
przekręcić uchwyt ciepłej wody na baterii. Podgrzewacz jest napełniony, gdy z baterii zacznie cieknąć woda.
Prawe przyłącze
Lewe przyłącze
PL
Содержание
- 11 Уважаемый покупатель, благодарим Вас за покупку нашего изделия.; монтдж; ТЕХНИЧЕСКИЕ ХАРАКТЕРИСТИКИ АППАРАТА; входящей температуре холодной воды из водопровода 15°C.; ТЕХНИЧЕСКИЕ ХАРАКТЕРИСТИКИ ТЕПЛООБМЕННИКА; US
- 12 Соединительные и монтажные размеры водонагревателя [мм]; ПОДКЛЮЧЕНИЕ K ВОДОПРОВОДУ; от выбранной системы подключения. B открытой проточной системе
- 13 ПОДKЛЮЧЕНИЕ K ЭЛЕКТРОСЕТИ
- 14 ИСПОЛЬЗОВАНИЕ И УХОД

 
  
  
  
  
  
  
  
  
  
  
  
  
  
  
  
  
  
  
  
  
  
  
  
  
  
  
  
  
  
  
  
  
  
  
  
  
  
  
  
  
  
  
  
  
  
  
  
  
  
  
  
  
  
  
  
  
  
  
  
  
  
  
  
  
  
  
  
 











