Водонагреватели Bosch WTD27 AME 7703311070 - инструкция пользователя по применению, эксплуатации и установке на русском языке. Мы надеемся, она поможет вам решить возникшие у вас вопросы при эксплуатации техники.
Если остались вопросы, задайте их в комментариях после инструкции.
"Загружаем инструкцию", означает, что нужно подождать пока файл загрузится и можно будет его читать онлайн. Некоторые инструкции очень большие и время их появления зависит от вашей скорости интернета.
Загружаем инструкцию

52
|
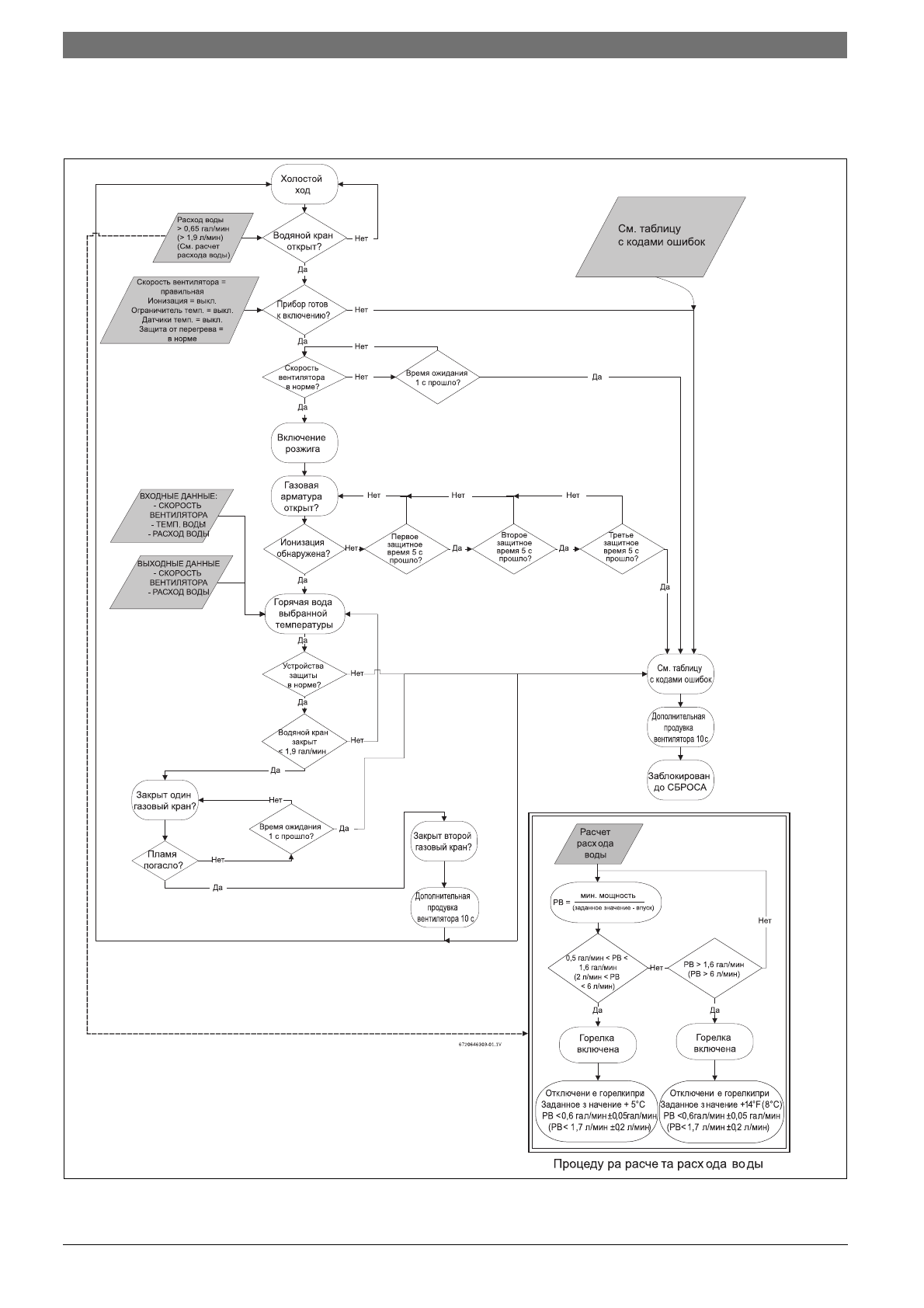
Функциональная схема
RU
6 720 646 303 (2011/02)
11 Функциональная схема
Рис 64
Содержание
- 2 Оглавление; Декларация о соответствии нормам ЕС . . 5
- 3 Знак
- 5 Технические характеристики и габариты; Расшифровка кодировки модели; Модель
- 6 Габариты
- 7 Вид прибора
- 8 Электрическая схема
- 9 Технические данные; Технические характеристики
- 10 Инструкция по эксплуатации; Горячая вода; вентилятор начинает работать; Защитное отключение вследствие перегрева воды; Для повторного пуска после защитного отключения:
- 11 Нормы
- 12 Инструкция по эксплуатации
- 13 Перед включением прибора; Подключение; Регулировка температуры воды
- 15 Программирование кнопки; Рис 17 Кнопка программирования; Использование функции программы; Функция приоритета
- 16 Для выбора приоритета; Нажимайте одну из кнопок выбора; Продувка прибора; Если есть риск замерзания, то выполните следующее:
- 18 Инструкции по установке; Важные замечания; Выбор места установки
- 19 Минимальные расстояния; Рис 21 Минимальные расстояния; Установка крепежного кронштейна; Рис 22 Установите крепежный кронштейн; Монтаж; Извлеките прибор из упаковки.
- 20 Соединение воды; Выполните подключение холодной и горячей воды.
- 21 Подключение газа; Убедитесь в том, что впускной трубопровод чистый.; Оставьте
- 23 Заполнение устройства для сбора; Рис 32 Заполнение устройства для сбора конденсата; Заполнение устройства для сбора конденсата
- 25 Дополнительное оборудование для дымовых газов
- 26 Инструкция по сборке; Слегка смажьте сторону дымохода не
- 27 Рекомендованные конструкции дымоходов; Дымоход типа B
- 30 Электрические подключения; Рис 45 Подключение силового кабеля
- 32 Инструкция по монтажу; Заводские указания; Природный газ; Измерение давления газа; Подтверждение давления газа после установки.; Подключение манометра; Отключите подачу газа.; Испытание статического давления; Включите подачу газа.; Испытание рабочего давления; Рис 49 Режим настройки подачи газа; Показание статического давления газа; Показание рабочего давления газа
- 33 Регулировка CO; Если давление газа правильное:; Рис 50 Отверстие для измерения; Тип газа
- 34 Измерение CO; Рис 52 Регулировка уровня P1 CO2; Программа
- 35 Завершение регулировки; Таб. 10 Нормативные значения CO
- 36 Программируемые значения; Програма
- 37 Диагностика платы управления; Часы использования
- 38 Пример
- 39 Концентрический канал:; Подвод; Концентрические каналы; Длина прямого участка
- 40 Режим
- 41 Обслуживание; Проверка работоспособности
- 42 Водяной фильтр; Перекройте кран подвода холодной воды.; Прочистите водяной фильтр.
- 43 Конденсационный теплообменник; Рис 58 Конденсационный теплообменник; Обслуживание конденсирующего теплообменника; Разберите все детали для проверки и чистки.
- 44 Чистка устройства для сбора конденсата; откройте крышку устройства для сбора конденсата.
- 46 Пуск после обслуживания; Проверьте все соединения воды и газа.
- 47 Устранение неисправностей; 0 Устранение неисправностей; Причина; * Выполняется только монтажником или сервисным специалистом.
- 53 ГАРАНТИЙНЫЙ ТАЛОН; 2 ГАРАНТИЙНЫЙ ТАЛОН
- 56 Охрана окружающей среды; 3 Охрана окружающей среды; Упаковка













