Посудомоечные машины MONSHER MD 4502 - инструкция пользователя по применению, эксплуатации и установке на русском языке. Мы надеемся, она поможет вам решить возникшие у вас вопросы при эксплуатации техники.
Если остались вопросы, задайте их в комментариях после инструкции.
"Загружаем инструкцию", означает, что нужно подождать пока файл загрузится и можно будет его читать онлайн. Некоторые инструкции очень большие и время их появления зависит от вашей скорости интернета.

Русский
113
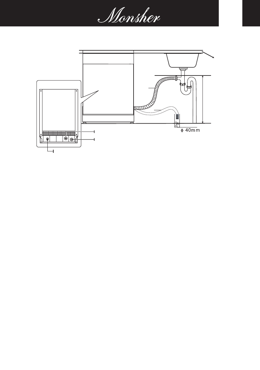
Как слить остатки воды из шлангов
Если раковина находится на высоте 1000 мм и более от пола, то вода, оставша-
яся в шлангах не может быть непосредственно слита в нее. С этой целью следует
использовать таз или другую подходящую емкость, которую следует поместить
ниже уровня раковины.
Сливной патрубок
Подсоедините шланг для слива воды. С целью предотвращения утечек воды
сливной шланг должен быть правильно подсоединен к соответствующему слив-
ному патрубку. Убедитесь в том, что сливной шланг не изогнут и не передавлен.
Удлинительный шланг
Если вам необходимо удлинить сливной шланг, используйте дополнительный
шланг аналогичный имеющемуся сливному шлангу.
Общая длина шланга не должна превышать 4 м, в противном случае возможно
снижение эффективности мытья.
Подсоединение сифона
Подсоединение к сливному стояку должно быть выполнено на высоте не бо-
лее 100 см от дна посудомоечной машины. Сливной шланг должен быть закре-
плен.
Задняя часть
посудомоечной
машины
Столешница
Не более 1000 мм
Сливной шланг
Кабель питания
Входной патрубок водяного контура
Cливной патрубок
Содержание
- 97 ЧАСТЬ I: ОБЩЕЕ ОПИСАНИЕ; ПРЕДУПРЕЖДЕНИE
- 98 ИНСТРУКЦИЯ ПО ЗАЗЕМЛЕНИЮ
- 100 УТИЛИЗАЦИЯ
- 101 ОПИСАНИЕ ПРИБОРА; эффективность при использовании данного прибора.
- 102 ИСПОЛЬЗОВАНИЕ ПОСУДОМОЕЧНОЙ МАШИНЫ; ПРЕДУПРЕЖДЕНИЕ
- 104 СОВЕТЫ ПО ИСПОЛЬЗОВАНИЮ КОРЗИНЫ; Регулировка верхней корзины; Выдвините верхнюю корзину.
- 105 Складывание полок д ля чашек
- 106 ТЕХНИЧЕСКОЕ ОБСЛУЖИВАНИЕ И ЧИСТКА; Дверь и уплотнение двери; гут царапать или оставлять следы на поверхности.; Уход за внутренними поверхностями; Система фильтрации; выполнить указанную ниже последовательность действий.
- 107 вести к закупорке каналов.
- 108 Распылительные коромысла; ла и подшипники распылительных коромысел.
- 109 Уход за посудомоечной машиной; Предотвращение замораживания
- 110 ИНСТРУКЦИЯ ПО УСТАНОВКЕ; ПОДКЛЮЧЕНИЕ К ИСТОЧНИКУ ПИТАНИЯ
- 111 Требования к сети электропитания; Подключение к сети электропитания; Подсоединение к водопроводу с холодной водой
- 112 ния, расположенного в задней части посудомоечной машины.; Отсоединение безопасного шланга подачи воды; Подсоединение сливных шлангов; случае возможно возникновение обратного потока.; Сливной шланг должен быть надежно закреплен в положении А или B.
- 113 Как слить остатки воды из шлангов; ниже уровня раковины.; Сливной патрубок; шланг аналогичный имеющемуся сливному шлангу.; Подсоединение сифона
- 114 Размещение прибора; Выравнивание прибора
- 115 Установка под столешницу
- 116 Встраивание прибора (д ля встраиваемых моделей); Шаг 1. Выбор места для установки посудомоечной машины
- 117 Полувстраиваемая модель; Шаг 2. Размеры и порядок установки декоративной панели; Полностью встраиваемая модель
- 118 Шаг 3. Регулировка натяжения пружины двери
- 119 Шаг 5. Выравнивание посудомоечной машины
- 120 СОВЕТЫ ПО ПОИСКУ И УСТРАНЕНИЮ НЕИСПРАВНОСТЕЙ; быть устранены самостоятельно.
- 123 ЗАГРУЗКА ПОСУДЫ В КОРЗИНЫ В СООТВЕТСТВИИ СО СТАНДАРТОМ
- 125 ЧАСТЬ II: ОСОБЫЕ УКАЗАНИЯ; нему по мере возникновения у вас вопросов в будущем.
- 126 КРАТКОЕ РУКОВОДСТВО ПОЛЬЗОВАТЕЛЯ
- 127 Панель управления
- 129 УСТРОЙСТВО УМЯГЧЕНИЯ ВОДЫ; лятор жесткости воды.; Регулировка расхода соли; видуально отрегулировать уровень подачи соли.; Если в посудомоечной машине закончилась соль, обратитесь к разде-
- 131 ПОДГОТОВКА И ЗАГРУЗКА ПОСУДЫ; Мытье перечисленных ниже столовых приборов и посуды в
- 132 Извлечение посуды
- 133 Загрузка посуды в нижнюю корзину
- 134 ИСПОЛЬЗОВАНИЕ ОПОЛАСКИВАТЕЛЯ И МОЮЩЕГО СРЕДСТВА; снижения уровня ополаскивателя ниже 1/4 от полного уровня.; Использование моющего средства; в продаже моющих средств.; ществами. Храните их в недоступном для детей месте.
- 135 ЗАПОЛНЕНИЕ ЕМКОСТИ ОПОЛАСКИВАТЕЛЯ; ПРИМЕЧАНИЕ. Чтобы предотвратить; Регулировка дозатора
- 136 ЗАПОЛНЕНИЕ ДОЗАТОРА МОЮЩЕГО СРЕДСТВА
- 137 ПРОГРАММИРОВАНИЕ ПОСУДОМОЕЧНОЙ МАШИНЫ; Таблица с описанием программ мытья посуды; тельная информация о программах.
- 138 ЗАПУСК ЦИКЛА МЫТЬЯ; Откройте дверь и нажмите кнопку включения питания.; Изменение запущенной программы; крыть дверь полностью.
- 139 Добавление дополнительной посуды; указанные ниже действия:; Открывать дверь во время выполнения процесса мытья опасно — это; переключится в режим ожидания.
- 140 КОДЫ НЕИСПРАВНОСТЕЙ/СБОЕВ; обходимо перекрыть подачу воды в прибор.; Обратите Ваше внимание!; Также, неисправностями Изделия не являются:; Посу
- 142 ТЕХНИЧЕСКИЕ ХАРАКТЕРИСТИКИ
- 143 Фирма-производитель оставляет за собой право на внесе-; Год Месяц; Эм энд Джи Хаусгерате ГмбХ; Фошан Сити, Гуангдонг Провинсе 528311, Китай
- 149 ГАРАНТИЙНЫЙ СЕРТИФИКАТ
- 150 СВЕДЕНИЯ ОБ УСТАНОВКЕ
Характеристики
Остались вопросы?Не нашли свой ответ в руководстве или возникли другие проблемы? Задайте свой вопрос в форме ниже с подробным описанием вашей ситуации, чтобы другие люди и специалисты смогли дать на него ответ. Если вы знаете как решить проблему другого человека, пожалуйста, подскажите ему :)













