Котел Vaillant eloBLOCK VE6 R13 одноконтурный - инструкция пользователя по применению, эксплуатации и установке на русском языке. Мы надеемся, она поможет вам решить возникшие у вас вопросы при эксплуатации техники.
Если остались вопросы, задайте их в комментариях после инструкции.
"Загружаем инструкцию", означает, что нужно подождать пока файл загрузится и можно будет его читать онлайн. Некоторые инструкции очень большие и время их появления зависит от вашей скорости интернета.

Электроподключение
20
Руководство по монтажу и техобслуживанию eloBLOCK 0020094388_03
5
5.7
Подключение реле сброса нагрузки
Внешнее реле сброса нагрузки может управлять мощностью
электрического настенного отопительного аппарата в зависимости
от загруженности электросети здания.
В случае перегрузки электрической сети (например, стиральной
машиной, электрической плитой, чайником и т.п.) мощность
электрического настенного отопительного аппарата автоматически
снижается.
1
10
2
3
4
5
6
7
8
9
7
8
1
2
3
4
5
6
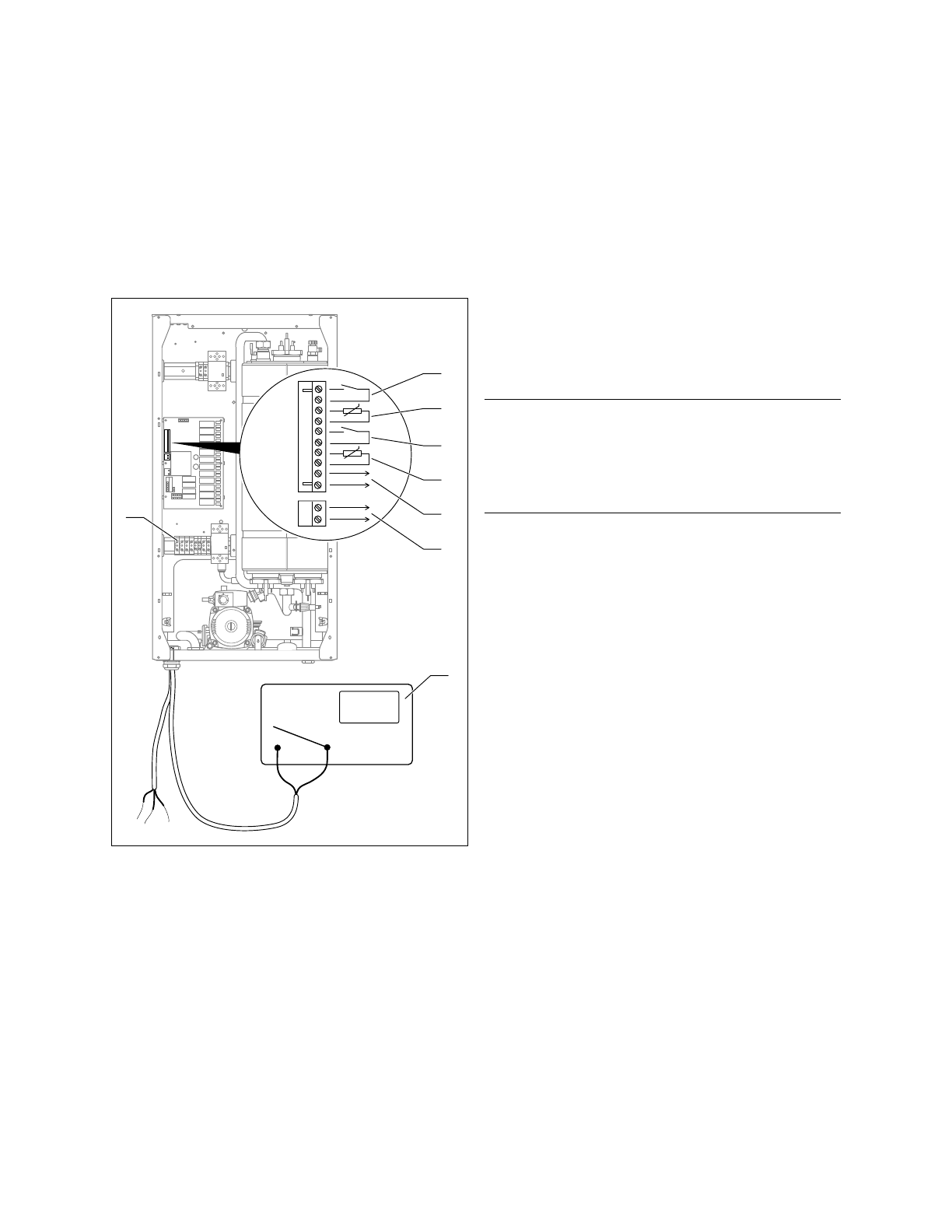
5.5 Выводы на штекерных соединениях K8 и K9
Легенда
1 Вывод комнатного регулятора температуры, K8 (1, 2)
2 Вывод датчика температуры наружного воздуха, K8 (3, 4)
3 Вывод для контакта имеющегося на месте реле сброса нагрузки,
K8 (5, 6)
4 Вывод датчика NTC (ёмкостный водонагреватель), K8 (7, 8)
5 Вывод каскадной схемы K8 (9, 10)
6 Вывод термостата (ёмкостный водонагреватель), K9
7 Комнатный регулятор температуры
8 Основная клеммная колодка
Контакт имеющегося на месте реле сброса нагрузки подключается
к выводам 5 и 6 на штекерном соединении K8 (
¬
Рис. 5.2 – 5.4
).
5.8
Подсоединение внешнего сигнализатора для
индикации неисправностей или внешнего насоса
Если ёмкостный водонагреватель не подключён, то Вы можете
подсоединить или сигнализатор для индикации неисправностей
отопительного аппарата или внешний насос к штекерному
соединению K2.
Чтобы подсоединить сигнализатор, действуйте следующим образом:
>
Соедините сигнализатор посредством резьбовой клеммы (AKZ
950/3 или сравнимой) с выводами „L“ и „N“ штекерного
соединения K2.
>
Установите параметр „
d.26
“ на „
1
“.
Если на отопительном аппарате имеется ошибка F.xx, то выдаётся
сигнал.
b
Осторожно!
Опасность материального ущерба, если внеш-
ний и внутренний насос работают в различ-
ных направлениях!
>
Следите за тем, чтобы смонтировать внешний
насос в правильном направлении.
Чтобы подсоединить внешний насос, действуйте следующим
образом:
>
Соедините внешний насос посредством резьбовой клеммы (AKZ
950/3 или сравнимой) с выводами „L“ и „N“ штекерного
соединения K2.
>
Соедините защитный провод внешнего насоса с выводом
заземления на основной клеммной колодке (
8, рис. 5.5
).
>
Установите параметр „
d.26
“ на „
2
“.
5.9
Каскадное включение
(только для eloBLOCK VE 24, VE 28)
Если мощность одного аппарата недостаточна для компенсации
тепловых потерь в здании, можно подключить дополнительный аппа-
рат серии 24 или 28 кВт.
Для осуществления упомянутого каскадного включения соедините на
штекерном соединении K8 контакты 9 и 10 управляющего бытового
аппарата с контактами 1 и 2 управляемого дополнительного аппа-
рата. Если Вы намереваетесь управлять каскадной схемой при
помощи регулятора температуры в помещении, то соедините управ-
ляющие контакты регулятора температуры в помещении с контак-
тами 1 и 2 главного аппарата.
Содержание
- 3 Указания по документации; Учет совместно действующей документации; Тип аппарата; Артикульный номер аппарата см. на заводской табличке.; Маркировка СЕ
- 4 Заводская табличка и обозначение типа; eloBLOCK VE 6; Заводская табличка; Дата изготовления аппарата; Правила хранения и транспортировки
- 5 Указания по технике безопасности и предписания; Классификация предупреждающих указаний; Объяснение; Структура предупреждающих указаний; Любое недозволенное использование запрещено.
- 6 Общие указания по безопасности; Не используйте трубные клещи, удлинители и пр.; Изменения вблизи отопительного аппарата; На следующих устройствах запрещается выполнять изменения:; Нормы и правила
- 7 Описание аппарата; Модельный ряд приборов; Мощность водонагревателя/
- 8 Пояснения к рисунку
- 9 Функциональные элементы; Функциональные элементы аппарата
- 10 Общее описание функционирования; Обозначение; Монтаж и установка; Объем поставки; Наименование
- 11 Место установки; Ограничения для влажных помещений; вне
- 12 Необходимые минимальные расстояния/свободные пространства; Габаритные и монтажные размеры; Монтажные размеры в мм
- 13 Навешивание аппарата; Смонтируйте кронштейн аппарата (; Снятие облицовки аппарата; Демонтаж передней облицовки
- 14 Для подключения аппарата со стороны отопительной; Подключение настенного электрического котла к; Монтаж подающей и обратной линий; Смонтируйте перепускной клапан.
- 15 Подключение предохранительного клапана; Выпускное отверстие предохранительного клапана; Электроподключение; нулевым и заземляющим
- 16 Подключение к электросети; Заземление
- 17 Схемы электропроводки; ТЭНы; Дисплей
- 18 Сетевое подключение:; Плата управления
- 20 Подключение реле сброса нагрузки; Выводы на штекерных соединениях K8 и K9; Чтобы подсоединить сигнализатор, действуйте следующим образом:
- 21 Пример подключения каскадом; Подключение к однофазной э/сети
- 22 Ввод в эксплуатацию; Заполнение аппарата и системы отопления; Общая жесткость при минимальной нагревательной
- 23 Заполнение аппарата и системы отопления и; Проверка давления наполнения системы отопления
- 24 Адаптирование отопительного аппарата к системе отопления; Проверка функционирования аппарата
- 25 Адаптирование отопительного аппарата к системе отопления; Обзор настраиваемых параметров установки; В последнюю колонку Вы можете внести свои; Значение
- 26 “ Вы можете настроить значе-; Наружная температура в °C
- 27 Температура помещения
- 28 Пример 2; Осмотр и техническое обслуживание; Периодичность осмотров и техобслуживания
- 29 Опасность ожога горячими компонентами!
- 30 Устранение неисправностей; Неисправности
- 31 Коды ошибок; При обращении в сервисную службу или к дилеру; Код
- 32 Поиск ошибок
- 33 Вызов и изменение кодов ошибок
- 35 Замена конструктивных узлов; 0 Замена конструктивных узлов; Указания по технике безопасности; Демонтаж отопительного насоса
- 36 Замена теплообменника; Крепежный винт обратной линии отопления; Замена ТЭНа
- 37 Замена предохранительного клапана; Демонтаж предохранительного клапана; Замена датчика давления воды; Демонтаж датчика давления
- 38 Датчик температуры NTC и тепловой предохранитель; Замена расширительного бака; Крепежные винты крепежного щитка
- 39 Сервисная служба и гарантия; 1 Сервисная служба и гарантия; Гарантия; 2 Вторичное использование и утилизация; Аппарат; Строго соблюдайте действующие в Вашей стране
- 40 3 Технические характеристики; Технические характеристики
- 41 Характеристика внутреннего датчика температуры VR 11; Потеря давления eloBLOCK
- 44 С правом на изменения; Производитель