Котел Vaillant eloBLOCK VE6 R13 одноконтурный - инструкция пользователя по применению, эксплуатации и установке на русском языке. Мы надеемся, она поможет вам решить возникшие у вас вопросы при эксплуатации техники.
Если остались вопросы, задайте их в комментариях после инструкции.
"Загружаем инструкцию", означает, что нужно подождать пока файл загрузится и можно будет его читать онлайн. Некоторые инструкции очень большие и время их появления зависит от вашей скорости интернета.

RU
Электроподключение
Руководство по монтажу и техобслуживанию eloBLOCK 0020094388_03
17
5
5.6
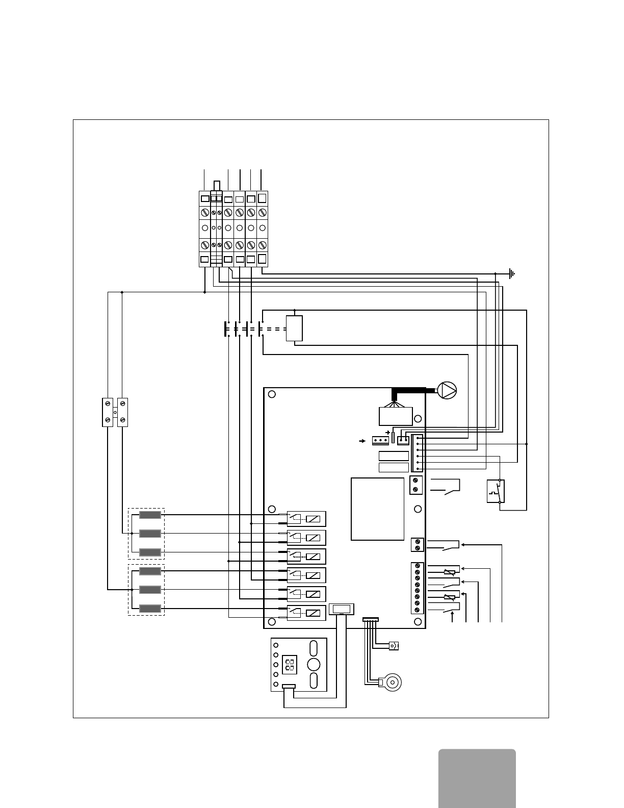
Схемы электропроводки
ТЭНы
6 kW (2 x 3 kW)
9 kW (3 kW + 6 kW)
12 kW (2 x 6 kW)
14 kW (2 x 7 kW)
Сетевое подключение:
3 x 230/400VAC, N, PE, 50 Hz
Плата управления
Датчик
NT
C
Реле сброса нагрузки
Датчик наружной температуры
Ре
гу
ля
то
р
т
ем
пе
р
а
ту
р
ы
п
о
м
ещ
ен
и
я
Термостат водонагревателя
Режим
OK
PE
PE
U
V
W
N
W
V
U
N
K
8
K
5
K1
T8
0m
A
T1,6A
Дисплей
J1
J3
RE1
R
E6
1
8
1
1
1
A
1
A
2
N
L1
L2
L3
PE
S1
S2
K2
J2
K3
K
9
Температур-
ный датчик
Датчик
давления
Мощность
на нагрев
Тепловой
предохранитель
Термостат максимальной температуры для обогрева пола (снять при подключении перемычки)
Насос
отопительной системы
Вывод для 3-ходового
переключающего клапана
Контактор 1
5.2 Схема соединений для VE 6, VE 9, VE 12, VE 14
Содержание
- 3 Указания по документации; Учет совместно действующей документации; Тип аппарата; Артикульный номер аппарата см. на заводской табличке.; Маркировка СЕ
- 4 Заводская табличка и обозначение типа; eloBLOCK VE 6; Заводская табличка; Дата изготовления аппарата; Правила хранения и транспортировки
- 5 Указания по технике безопасности и предписания; Классификация предупреждающих указаний; Объяснение; Структура предупреждающих указаний; Любое недозволенное использование запрещено.
- 6 Общие указания по безопасности; Не используйте трубные клещи, удлинители и пр.; Изменения вблизи отопительного аппарата; На следующих устройствах запрещается выполнять изменения:; Нормы и правила
- 7 Описание аппарата; Модельный ряд приборов; Мощность водонагревателя/
- 8 Пояснения к рисунку
- 9 Функциональные элементы; Функциональные элементы аппарата
- 10 Общее описание функционирования; Обозначение; Монтаж и установка; Объем поставки; Наименование
- 11 Место установки; Ограничения для влажных помещений; вне
- 12 Необходимые минимальные расстояния/свободные пространства; Габаритные и монтажные размеры; Монтажные размеры в мм
- 13 Навешивание аппарата; Смонтируйте кронштейн аппарата (; Снятие облицовки аппарата; Демонтаж передней облицовки
- 14 Для подключения аппарата со стороны отопительной; Подключение настенного электрического котла к; Монтаж подающей и обратной линий; Смонтируйте перепускной клапан.
- 15 Подключение предохранительного клапана; Выпускное отверстие предохранительного клапана; Электроподключение; нулевым и заземляющим
- 16 Подключение к электросети; Заземление
- 17 Схемы электропроводки; ТЭНы; Дисплей
- 18 Сетевое подключение:; Плата управления
- 20 Подключение реле сброса нагрузки; Выводы на штекерных соединениях K8 и K9; Чтобы подсоединить сигнализатор, действуйте следующим образом:
- 21 Пример подключения каскадом; Подключение к однофазной э/сети
- 22 Ввод в эксплуатацию; Заполнение аппарата и системы отопления; Общая жесткость при минимальной нагревательной
- 23 Заполнение аппарата и системы отопления и; Проверка давления наполнения системы отопления
- 24 Адаптирование отопительного аппарата к системе отопления; Проверка функционирования аппарата
- 25 Адаптирование отопительного аппарата к системе отопления; Обзор настраиваемых параметров установки; В последнюю колонку Вы можете внести свои; Значение
- 26 “ Вы можете настроить значе-; Наружная температура в °C
- 27 Температура помещения
- 28 Пример 2; Осмотр и техническое обслуживание; Периодичность осмотров и техобслуживания
- 29 Опасность ожога горячими компонентами!
- 30 Устранение неисправностей; Неисправности
- 31 Коды ошибок; При обращении в сервисную службу или к дилеру; Код
- 32 Поиск ошибок
- 33 Вызов и изменение кодов ошибок
- 35 Замена конструктивных узлов; 0 Замена конструктивных узлов; Указания по технике безопасности; Демонтаж отопительного насоса
- 36 Замена теплообменника; Крепежный винт обратной линии отопления; Замена ТЭНа
- 37 Замена предохранительного клапана; Демонтаж предохранительного клапана; Замена датчика давления воды; Демонтаж датчика давления
- 38 Датчик температуры NTC и тепловой предохранитель; Замена расширительного бака; Крепежные винты крепежного щитка
- 39 Сервисная служба и гарантия; 1 Сервисная служба и гарантия; Гарантия; 2 Вторичное использование и утилизация; Аппарат; Строго соблюдайте действующие в Вашей стране
- 40 3 Технические характеристики; Технические характеристики
- 41 Характеристика внутреннего датчика температуры VR 11; Потеря давления eloBLOCK
- 44 С правом на изменения; Производитель