Кондиционеры Daikin EWAD-TZPR - инструкция пользователя по применению, эксплуатации и установке на русском языке. Мы надеемся, она поможет вам решить возникшие у вас вопросы при эксплуатации техники.
Если остались вопросы, задайте их в комментариях после инструкции.
"Загружаем инструкцию", означает, что нужно подождать пока файл загрузится и можно будет его читать онлайн. Некоторые инструкции очень большие и время их появления зависит от вашей скорости интернета.

D-EIMAC00904-14EU - 82/229
8.
Ένα
φίλτρο
ή
µια
συσκευή
που
µπορεί
να
αφαιρέσει
τα
σωµατίδια
από
το
υγρό
.
Η
χρήση
ενός
φίλτρου
επεκτείνει
τη
διάρκεια
ζωής
του
εξατµιστή
και
της
αντλίας
βοηθώντας
το
υδραυλικό
σύστηµα
να
διατηρηθεί
σε
καλύτερη
κατάσταση
.
9.
Ο
εξατµιστής
έχει
µια
ηλεκτρική
αντοχή
µε
ένα
θερµοστάτη
που
εγγυάται
την
προστασία
ενάντια
στο
πάγωµα
του
αέρα
σε
µια
θερµοκρασία
περιβάλλοντος
τόσο
χαµηλές
όσο
–25°C.
Όλοι
οι
άλλοι
σωλήνες
του
νερού
/
υδραυλικές
συσκευές
εκτός
της
µονάδας
πρέπει
κατά
συνέπεια
να
προστατεύονται
από
τον
πάγο
.
10.
Η
συσκευή
ανάκτησης
θερµότητας
πρέπει
να
αδειάζεται
από
το
νερό
κατά
τη
χειµωνιάτικη
περίοδο
,
εκτός
και
αν
προστίθεται
στο
υδραυλικό
κύκλωµα
ένα
κατάλληλο
ποσοστό
µίγµατος
αιθυλενογλυκόλης
.
11.
Σε
περίπτωση
αντικατάστασης
της
µονάδας
,
όλο
το
υδραυλικό
σύστηµα
πρέπει
να
αδειάζεται
και
να
καθαρίζεται
πριν
την
εγκατάσταση
της
νέας
µονάδας
.
Πριν
θέσετε
σε
κίνηση
τη
νέα
µονάδα
,
σας
συνιστούµε
να
διεξάγετε
τακτικές
δοκιµές
και
ειδικές
χηµικές
επεξεργασίες
του
νερού
.
12.
Αν
η
γλυκόλη
προστίθεται
στο
υδραυλικό
σύστηµα
ως
αντιψυκτικό
,
προσέξτε
έτσι
ώστε
η
πίεση
αναρρόφησης
να
είναι
πιο
χαµηλή
,
η
απόδοση
της
µονάδας
πράγµατι
θα
είναι
µειωµένη
και
η
πτώση
της
πίεσης
µεγαλύτερη
.
Όλα
τα
συστήµατα
προστασίας
της
µονάδας
όπως
το
αντιψυκτικό
,
και
η
προστασία
από
τη
χαµηλή
πίεση
θα
πρέπει
να
επαναρρυθµιστούν
.
13.
Πριν
µονώσετε
τους
σωλήνες
νερού
,
βεβαιωθείτε
πως
δεν
υπάρχουν
διαρροές
.
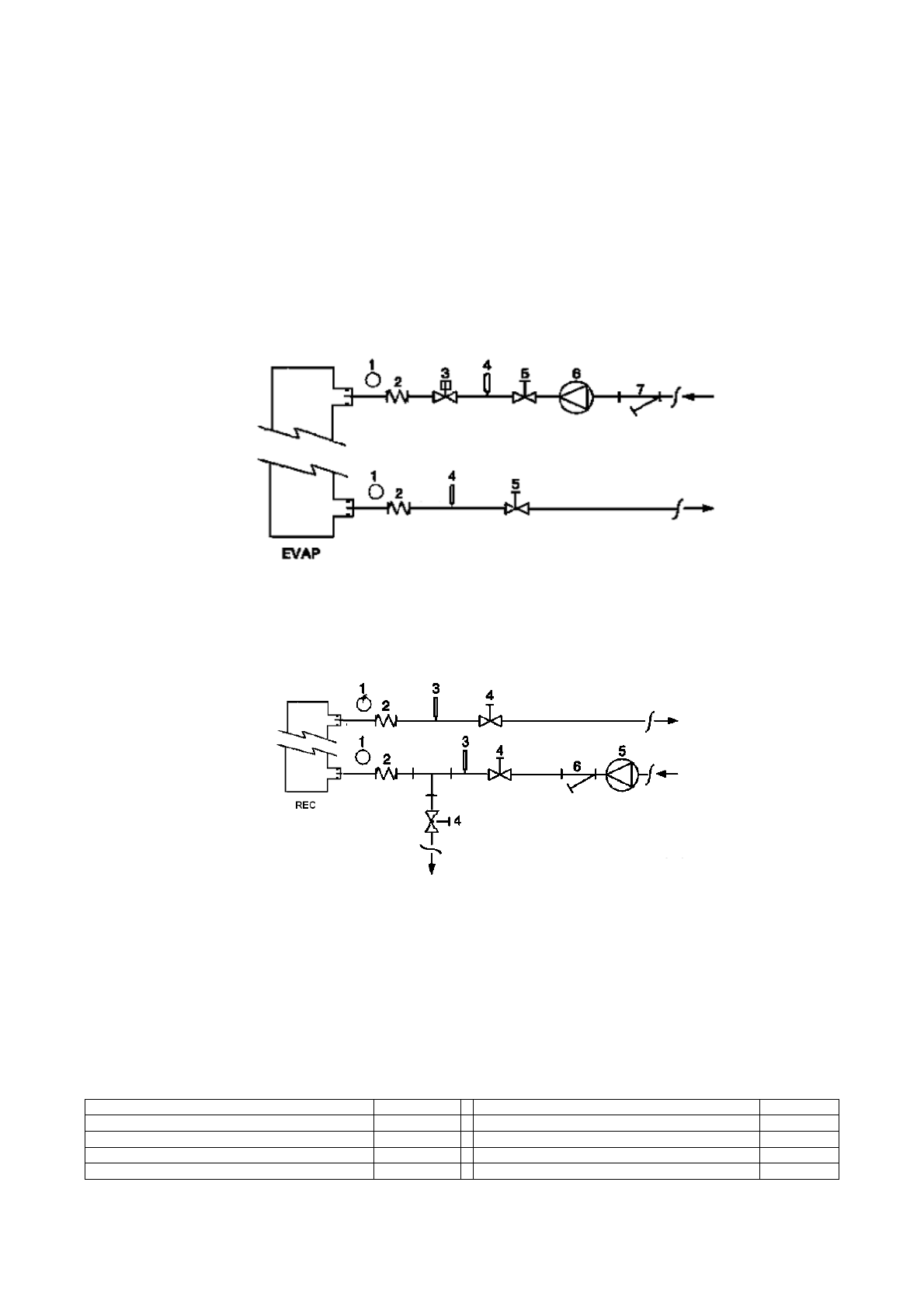
Εικόνα
7 -
Σύνδεση
των
σωλήνων
του
νερού
για
τον
εξατµιστή
1.
Μανόµετρο
2.
Ευέλικτη
σύνδεση
3.
Κατάσταση
ροής
4.
Αισθητήρας
θερµότητας
5.
Βαλβίδα
µόνωσης
6.
Αντλία
7.
Φίλτρο
Εικόνα
8 -
Σύνδεση
των
σωλήνων
νερού
για
τους
εναλλάκτες
ανάκτησης
θερµότητας
1.
Μανόµετρο
2.
Ευέλικτη
σύνδεση
3.
Αισθητήρας
θερµότητας
4.
Βαλβίδα
µόνωσης
5.
Αντλία
6.
Φίλτρο
Επεξεργασία
νερού
Πριν
θέσετε
σε
κίνηση
τη
µονάδα
,
καθαρίστε
το
κύκλωµα
του
νερού
.
Βρωµιά
,
άλατα
,
υπολείµµατα
διάβρωσης
και
άλλα
υλικά
µπορεί
να
συσσωρευτούν
στο
εσωτερικό
του
εναλλάκτη
θερµότητας
µειώνοντας
την
αποδοτικότητά
της
θερµικής
εναλλαγής
.
Μπορεί
να
αυξηθεί
ακόµη
και
η
πτώση
της
πίεσης
,
µειώνοντας
τη
ροή
του
νερού
.
Μια
κατάλληλη
επεξεργασία
του
νερού
µπορεί
κατά
συνέπεια
να
µειώσει
τον
κίνδυνο
διάβρωσης
,
δηµιουργίας
αλάτων
κλπ
.
Η
πιο
κατάλληλη
επεξεργασία
του
νερού
πρέπει
να
καθορίζεται
τοπικά
,
µε
βάση
τον
τύπο
του
συστήµατος
και
των
άλλων
χαρακτηριστικών
του
νερού
.
Ο
παραγωγός
δεν
ευθύνεται
για
τυχόν
ζηµιές
ή
κακή
λειτουργία
του
εξοπλισµού
που
µπορεί
να
προκληθεί
από
την
απουσία
ή
την
ακατάλληλη
επεξεργασία
του
νερού
.
Πίνακας
1 –
Αποδεκτά
όρια
ποιότητας
του
νερού
pH (25°C)
6,8
÷
8,0
Ολική
σκληρότητα
(mg CaCO
3
/ l)
<
200
Ηλεκτρική
αγωγιµότητας
µ
S/cm (25°C)
<
800
Σίδηρο
(mg Fe / l)
<
1.0
Ίον
χλωρίου
(mg Cl
-
/ l)
<
200
Ίον
σουλφιδίου
(mg S
2 -
/ l)
Κανένα
Ίον
σουλφιδίου
(mg SO
2
4
-
/ l)
<
200
Ίον
αµµωνίου
(mg NH
4
+
/ l)
<
1.0
Αλκαλικότητα
(mg CaCO
3
/ l)
<
100
Πυρίτιο
(mg SiO
2
/ l)
<
50












