Водонагреватели Gorenje GBK200LNB6 - инструкция пользователя по применению, эксплуатации и установке на русском языке. Мы надеемся, она поможет вам решить возникшие у вас вопросы при эксплуатации техники.
Если остались вопросы, задайте их в комментариях после инструкции.
"Загружаем инструкцию", означает, что нужно подождать пока файл загрузится и можно будет его читать онлайн. Некоторые инструкции очень большие и время их появления зависит от вашей скорости интернета.

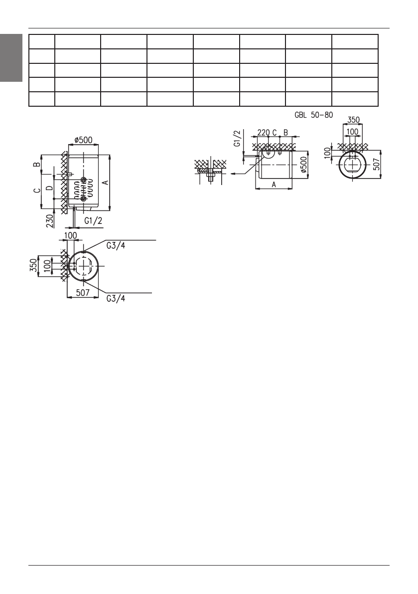
60
GBL 50
GBL 80
GBK 80
GBK 100
GBK 120
GBK 150
GBK 200
A
583
803
803
948
1103
1318
1510
B
187
207
207
202
207
222
430
C
145
345
565
715
865
1065
1050
D
340
416
416
416
416
Sildītāja pievienošanas un montāžas izmēri (mm)
GBK 80 - 200
PIESLĒGŠANA ŪDENSVADAM
Ūdens pievada un izejas caurules ir apzīmētas ar
dažādu krāsu. Zilā – auksts ūdens, sarkanā – karsts
ūdens. Sildītāju var pieslēgt ūdensvadam divējādi.
Slēgtā uzkrāšanas pieslēgšanas sistēma nodrošina
ūdens ievadu vairākās vietās, bet atklātā caurteces
sistēma – tikai vienā vietā. Jums būs jāiegādājas
attiecīgs maisītājs atkarībā no izvēlētās pieslēgšanas
sistēmas. Atklātajā caurteces sistēmā pirms ūdens
sildītāja jāuzstāda pretvārsts, kas novērsīs ūdens
noplūdi no katla gadījumā, ja ūdensvadā nebūs ūdens. Izmantojot tādu pieslēgšanas
sistēmu, jāuzstāda caurteces maisītājs. Ūdens apjoms sildītājā palielinās uzsildīšanas
rezultātā, kas izraisa ūdens noplūdi no maisītāja caurules. Nemēģiniet pārtraukt ūdens
plūsmu no maisītāja, ar spēku pagriežot krānu, jo tā rezultātā var sabojāt maisītāju. Slēgtajā
uzkrāšanas pieslēgšanas sistēmā ūdens ievada vietās jāizmanto uzkrāšanas maisītāji.
Drošības apsvērumu dēļ uz ūdens pievadcaurules obligāti jāuzstāda drošības ventilis vai
drošības vārstu grupa, lai novērstu spiediena paaugstināšanos vairāk nekā par 0,1 MPa virs
nomināla.
Ūdenim sasilstot katlā tā spiediens paaugstinās līdz lielumam, kāds ir iestatīts ar drošības
vārstu. Tā kā ūdens atgriešanās ūdensvadā nav iespējama, ūdens var pilēt no drošības
vārsta noplūdes cauruma. Šo ūdeni var novirzīt uz notekcauruli ar speciālā uzgaļa palīdzību,
kas jāuzstāda zem drošības vārsta. Izplūdes caurule, kas atrodas zem drošības ventiļa
izplūdes atveres, jāuzstāda vertikāli uz leju vietā, kur ūdens nevar aizsalt. Gadījumā, kad
nepareizas montāžas dēļ pilošo ūdeni nav iespējams novirzīt no drošības pretvārsta uz
notekcauruli, ūdens pilēšanu var novērst, uzstādot izplešanās trauku ar 3 l tilpumu uz ūdens
sildītāja ievadcaurules.
Lai drošības pretvārsts darbotos pareizi, ik pēc 14 dienām jāveic regulāras pārbaudes.
Pārbaudes laikā ar vārsta roktura pārvietošanu vai uzgriežņa atskrūvēšanu (atkarībā no
vārsta tipa) jāatver ūdens izlaišana no drošības pretvārsta. Tā rezultātā no izplūdes atveres
jāsākas ūdens tecēšanai, un tas nozīmē, ka vārsts darbojas nevainojami.
LVL
Kreisais
pieslegums
Labais
pieslegums
Содержание
- 11 Уважаемый покупатель, благодарим Вас за покупку нашего изделия.; монтдж; ТЕХНИЧЕСКИЕ ХАРАКТЕРИСТИКИ АППАРАТА; входящей температуре холодной воды из водопровода 15°C.; ТЕХНИЧЕСКИЕ ХАРАКТЕРИСТИКИ ТЕПЛООБМЕННИКА; US
- 12 Соединительные и монтажные размеры водонагревателя [мм]; ПОДКЛЮЧЕНИЕ K ВОДОПРОВОДУ; от выбранной системы подключения. B открытой проточной системе
- 13 ПОДKЛЮЧЕНИЕ K ЭЛЕКТРОСЕТИ
- 14 ИСПОЛЬЗОВАНИЕ И УХОД













