Водонагреватели Gorenje GBK200LNB6 - инструкция пользователя по применению, эксплуатации и установке на русском языке. Мы надеемся, она поможет вам решить возникшие у вас вопросы при эксплуатации техники.
Если остались вопросы, задайте их в комментариях после инструкции.
"Загружаем инструкцию", означает, что нужно подождать пока файл загрузится и можно будет его читать онлайн. Некоторые инструкции очень большие и время их появления зависит от вашей скорости интернета.

40
GBL 50
GBL 80
GBK 80
GBK 100
GBK 120
GBK 150
GBK 200
A
583
803
803
948
1103
1318
1510
B
187
207
207
202
207
222
430
C
145
345
565
715
865
1065
1050
D
340
416
416
416
416
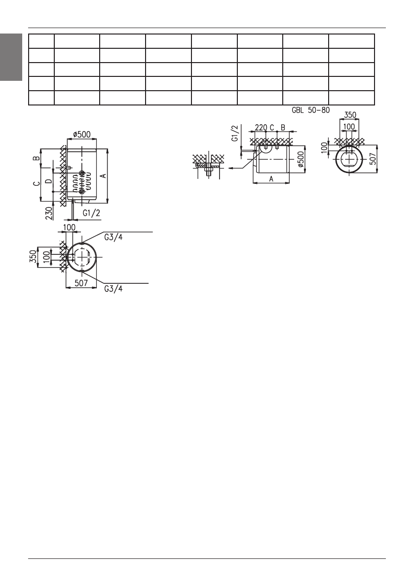
Прикључне и монтажне мере бојлера (мм).
GBK 80 - 200
ПРИКЉУЧИВАЊЕ НА ВОДОВОД
Цеви бојлера за довод и одвод воде означене су бојом. Довод
хладне воде је означен плаво, а одвод топле воде црвено. Бојлер
се може прикључити на водsовод на два начина. Затворены систем
прикључивања, под притиском, омогућава коришћење топле воде
на више места потрошње, док отворены систем прикључивања,
без притиска, дозвољава само једно место потрошње. Батерије за
воду на местима потрошње морају одговарати одабраном систему
прикључивања.
Код система без притиска (отворены систем) треба на улазу воде y
бојлер уградити сигурносни вентил којим се спречава отицање воде из котла y случају нестанка воде y
водоводу. Y овом систему прикључивања морају се на месту потрошње користити батерије за проточны
бојлер. Загревањем се запремина воде повећава и долази до преливања и капања воде из батерије.
Снажним завртањем славине на батерији нећете зауставити капање, a можете оштетити батерију. Код
система под притиском (затворены систем), на местима потрошње морају се користити батерије за воду
под притиском. На одоводну цев треба ради сигурности рада обавезно уградити сигурносни вентил или
сигурносну компоненту, која спречава пораст шпритиска y котрлу за више од 0,1 МПа изнад нормалног.
Загревањем воде притисак y котлу расте до границе постављене на сигурносном вентилу. Ако притисак
пређе 7 бара вода капље из отвара на сигурносном вентилу јер је враћање воде y водовод онемогућено.
Ову воду можете одвести y канализацију постављањем легка испод сигурносног вентиля. Одводна цев,
смештена под испустом сигурносног вентиля, мора да буре намештена y смеру право надоле и y околини
где не смрзава.
Y случају ако због неодговарајуће изведене инсталације немате могућности да воду која кала из повратног
сигурносног вентиля спроведете y одвод, капање можете да избегнете тако да на доводку цев грејача
уградите експанзионе посуде волумена од 31. Зa правилам рад повратног сигурносног вентиля морате
да га сами редовно контролирате сваких 14 дана. Код проверавања, помицањем ручке или одвијањем
матице завртња (овисно o типу завртња) отворите истицање из повратног сигурносног вентиля. При томе,
кроз млазницу вентиля за истицање мора протећи вода, што је знак да је вентил беспрекоран.
Између бојлера и сигурносног вентиля не сме се уградити вентил за затварање воде јер би се тине
онемогућило деловање сигурносног вентиля.
Бојлер се може без уградње редукторског вентиля прикључити на кућну водоводну инсталацију ако је
притисак воде y инсталацији нижи од 0,5 МПа. Ако је притисак воде изнад 1,0 МПа морате уградити два
редукторска вентиля један иза другое.
SRB
Содержание
- 11 Уважаемый покупатель, благодарим Вас за покупку нашего изделия.; монтдж; ТЕХНИЧЕСКИЕ ХАРАКТЕРИСТИКИ АППАРАТА; входящей температуре холодной воды из водопровода 15°C.; ТЕХНИЧЕСКИЕ ХАРАКТЕРИСТИКИ ТЕПЛООБМЕННИКА; US
- 12 Соединительные и монтажные размеры водонагревателя [мм]; ПОДКЛЮЧЕНИЕ K ВОДОПРОВОДУ; от выбранной системы подключения. B открытой проточной системе
- 13 ПОДKЛЮЧЕНИЕ K ЭЛЕКТРОСЕТИ
- 14 ИСПОЛЬЗОВАНИЕ И УХОД