Водонагреватели Gorenje GBK200LNB6 - инструкция пользователя по применению, эксплуатации и установке на русском языке. Мы надеемся, она поможет вам решить возникшие у вас вопросы при эксплуатации техники.
Если остались вопросы, задайте их в комментариях после инструкции.
"Загружаем инструкцию", означает, что нужно подождать пока файл загрузится и можно будет его читать онлайн. Некоторые инструкции очень большие и время их появления зависит от вашей скорости интернета.

57
LIT
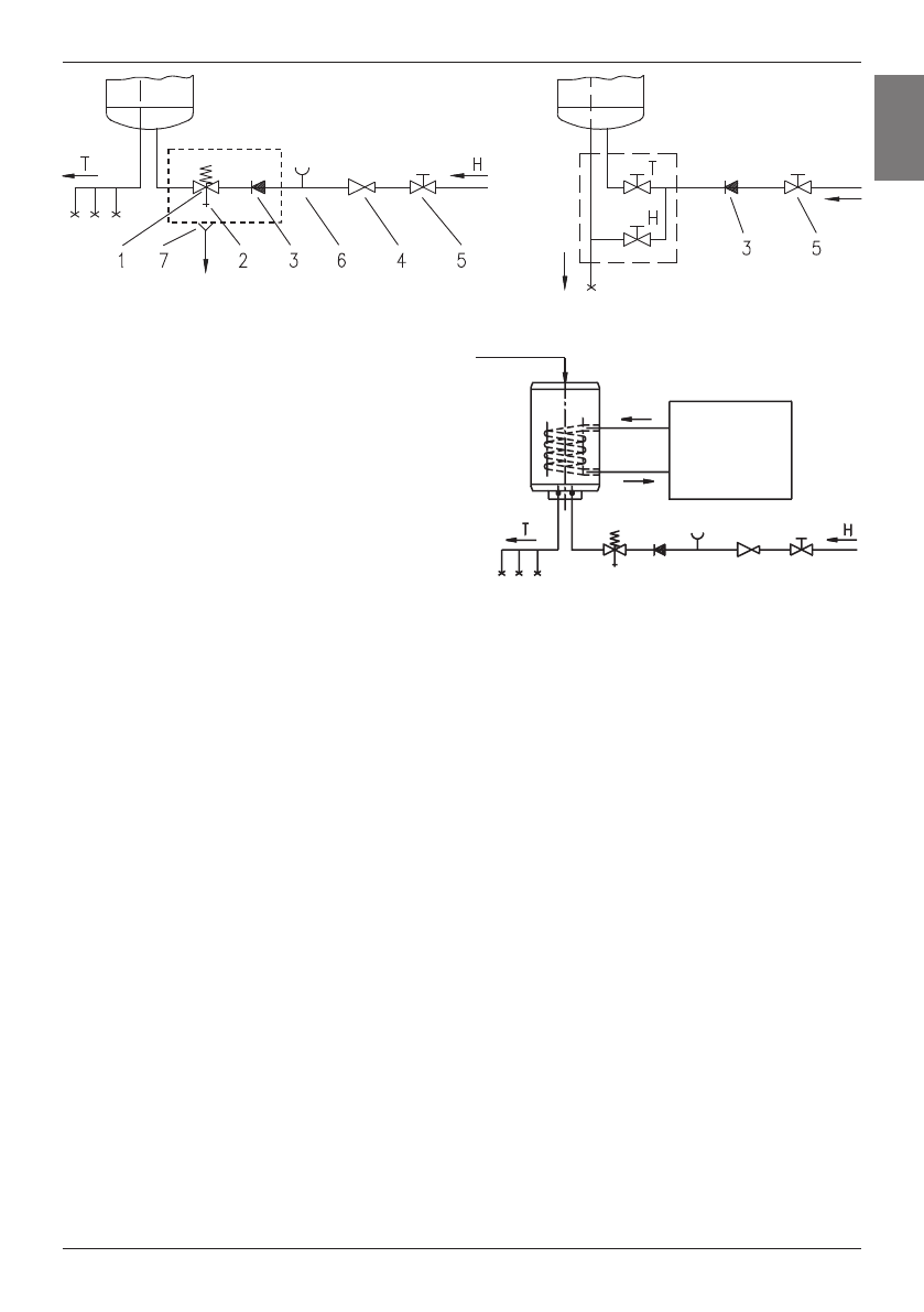
Uþdara (kaupiamoji) sistema
Atvira (pratekanti) sistema
Sutartiniai þymëjimai:
1 - Apsauginis voþtuvas
2 - Vandens nuleidimo antgalis
3 - Atbulinis voþtuvas
4 - Redukcinis voþtuvas
5 - Ventilis
6 - Antgalis manometro pajungimui
7 - Trapas ar kanalizacijos vamzdis
H - Ðaltas vanduo
T - Karðtas vanduo
Grieþtai draudþiama statyti uþdaromàjá ventilá tarp ðildytuvo ir atbulinio/apsauginio voþtuvo.
Jeigu vandentiekio tinkle slëgis nevirðija 0,5 MPa (5 bar), vandens ðildytuvà galima jungti tiesiogiai.
Jeigu slëgis yra didesnis, bûtina statyti redukciná voþtuvà, kad vadens slëgis nevirðytø 1,0 MPa
(10 bar).
Esant padidintam vandens kietumui, bûtina statyti vandens kietumà reguliuojanèius filtrus. Prieð
pajungiant vandens ðildytuvà á elektros tinklà, bûtina uþpildyti ðildytuvà vandeniu. Tam reikia
atsukti karðto vandens padavimo èiaupà. Ðildytuvas bus pilnai uþpildytas, kai ið karðto vandens
èiaupo pradës bëgti vanduo.
PAJUNGIMAS PRIE ELEKTROS TINKLO
Vandens ðildytuvo pajungimui reikia prijungti laidà su kiðtuku. Tam reikia nuimti termostato
rankenëlæ ir ástaèius atsuktuvà á plyðá tarp plokðtelës ir apsauginio dangtelio prie termostato
rankenëlës ið vienos pusës ir ið kitos pusës nuimti priekinæ apsauginio dangtelio plokðtelæ.Tam, kad
nuimti apsauginá dangtelá, atsukite du varþtus, laikanèius dangtelá. Vandens ðildytuvo pajungimas
prie elektros tinklo atliekamas pagal galiojanèius ðalyje reikalavimus. Kadangi vandens ðildytuvas
neturi jungiklio, atjungianèio nuo elektros tinklo, bûtina vandens ðildytuvà prie elektros tinklo jungti
per jungiklá, kuris nutrauktø maitinimà abiejuose poliuose, ir tarpas tarp jo kontaktø ne maþesnis,
kaip 3 mm.
Dëmesio! Ðis árenginys skirtas prijungimui prie kintamos srovës tinklo su apsauginiu
áþeminimo laidu. Jûsø saugumui prijunkite prietaisà tik á rozetæ su apsauginiu áþeminimu.
Nekeiskite kiðtuko ir nenaudokite perëjimø.
Gráþtamoji karðto
vandens atðaka
Ðilumos ðaltinis
Содержание
- 11 Уважаемый покупатель, благодарим Вас за покупку нашего изделия.; монтдж; ТЕХНИЧЕСКИЕ ХАРАКТЕРИСТИКИ АППАРАТА; входящей температуре холодной воды из водопровода 15°C.; ТЕХНИЧЕСКИЕ ХАРАКТЕРИСТИКИ ТЕПЛООБМЕННИКА; US
- 12 Соединительные и монтажные размеры водонагревателя [мм]; ПОДКЛЮЧЕНИЕ K ВОДОПРОВОДУ; от выбранной системы подключения. B открытой проточной системе
- 13 ПОДKЛЮЧЕНИЕ K ЭЛЕКТРОСЕТИ
- 14 ИСПОЛЬЗОВАНИЕ И УХОД