Водонагреватели Gorenje GBK200LNB6 - инструкция пользователя по применению, эксплуатации и установке на русском языке. Мы надеемся, она поможет вам решить возникшие у вас вопросы при эксплуатации техники.
Если остались вопросы, задайте их в комментариях после инструкции.
"Загружаем инструкцию", означает, что нужно подождать пока файл загрузится и можно будет его читать онлайн. Некоторые инструкции очень большие и время их появления зависит от вашей скорости интернета.

44
MNE
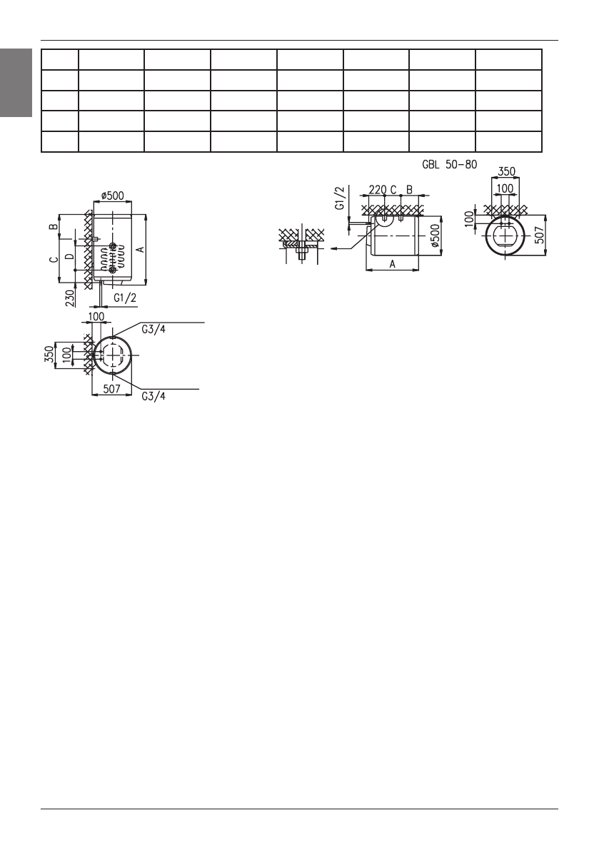
GBL 50
GBL 80
GBK 80
GBK 100
GBK 120
GBK 150
GBK 200
A
583
803
803
948
1103
1318
1510
B
187
207
207
202
207
222
430
C
145
345
565
715
865
1065
1050
D
340
416
416
416
416
Priključne i montažne mjere (mm).
               GBK 80 - 200
PRIKLJUČAK NA VODOVODNU MREŽU
Na grijalici su dovod i odvod vode označeni primjerenim bojama: dovod hladne 
vode plavom - odvod tople vode crvenom bojom. Grijalicu je moguće priključiti 
na  vodovodnu  mrežu  na  dva  načina:  zatvoreni  (tlačni)  sustav  priključenja 
omogućuje  uzimanje  vode  na  više  potrošačkih  mjesta,  dok  otvoreni,  netlačni 
sustav dopušta uzimanje vode samo na jednom potrošačkom mjestu. Glede na 
odabrani sustav priključenja moramo odabrati i montirati primjerene baterije za 
miješanje tople i hladne vode.
Kod  otvorena  sustava  u  grijalicu  ispred  grijača  namjestimo  sigurnosni  ventil  koji  u  slučaju  nedotijecanja  vode  iz 
vodovodne mreže spriječava istijecanje vode iz kotla grijalice. Za taj sustav priključenja upotrijebimo protočnu bateriju 
za miješanje tople i hladne vode. Budući da se zagrijavanjem vode u grijalici prostornina vode povećava, voda iz cijevi 
baterije kaplje. To ne možemo spriječiti, osobito ne snažnim zatezanjem ručice baterije, jer bismo je time oštetili.
Kod  zatvorena  (tlačnog)  sustava  priključenja  na  potrošačkim  mjestima  montiramo  tlačne  baterije  za  miješanje  tople 
i  hladne  vode.  Na  dovodnu  cijev  je  potrebno  zbog  sigurnog  rada  ugraditi  sigurnosni  ventil  ili  sigurnosnu  grupu  koja 
sprječava povišenje tlaka u kotliću više od 0,1 MPa iznad nominale.
Tijekom zagrijavanja vode tlak se u grijalici povećava do vrijednosti koja je podešena u sigurnosnom ventilu. Budući da 
je povraćaj vode u vodovodnu mrežu spriječen, može doći do kapljanja iz otočnog otvora sigurnosna ventila; tu vodu 
možemo  usmjeriti  u  odvodnu  cijev  preko  prihvatnog  produžnog  segmenta  kojega  smo  montirali  ispod  sigurnosnog 
ventila. Odvodna cijev koja se nalazi ispod ispusta sigurnosnog ventila mora biti postavljena vodoravno prema dolje u 
okolini, u kojoj ne dolazi do smrzavanja.
U slučaju, da zbog neodgovarajuće izvedene instalacije nemate mogućnosti da vodu koja kaplje iz povratnog sigurnosnog 
ventila  sprovedete  u  odvod,  kapanje  možete  izbjeći  ugradnjom  ekspanzijske  posude  volumena  3  l  na  dovodnu  cijev 
grijača.
Za pravilan rad povratnog sigurnosnog ventila sami morate izvodite redovite kontrole svakih 14 dana. Pri provjeravanju 
morate pomicanjem ručke ili odvijanjem matice ventila (ovisno o tipu ventila) otvoriti istjecanje iz povratnog sigurnosnog 
ventila. Pri tome mora kroz mlaznicu ventila za istjecanje priteći voda, što je znak, da je ventil besprijekoran.
Između aparata i sigurnosnog ventila ne smijemo ugraditi nepovratni ventil jer bismo 
time onemogučili djelovanje prvoga.
Grijalicu možemo priključiti na kučnu vodovodnu mrežu bez redukcijskog ventila, ako je tlak u mreži niži od 0,5 MPa; 
ukoliko pak tlak premašuje 1,0 MPa, moramo ugraditi zaporedno dva redukcijska ventila.
Bojler  morate  obvezno  napuniti  vodom  prije  priključenja  na  električnu  mrežu.  Kod  prvog  punjenja  otvorite  ručku  sa 
toplom vodom na miješalici. Bojler je napunjen kada voda proteče kroz cijev miješalice.
Desni prikljućak
Levi prikljućak
Содержание
- 11 Уважаемый покупатель, благодарим Вас за покупку нашего изделия.; монтдж; ТЕХНИЧЕСКИЕ ХАРАКТЕРИСТИКИ АППАРАТА; входящей температуре холодной воды из водопровода 15°C.; ТЕХНИЧЕСКИЕ ХАРАКТЕРИСТИКИ ТЕПЛООБМЕННИКА; US
 - 12 Соединительные и монтажные размеры водонагревателя [мм]; ПОДКЛЮЧЕНИЕ K ВОДОПРОВОДУ; от выбранной системы подключения. B открытой проточной системе
 - 13 ПОДKЛЮЧЕНИЕ K ЭЛЕКТРОСЕТИ
 - 14 ИСПОЛЬЗОВАНИЕ И УХОД
 

 
 
 
 
 
 
 
 
 
 
 
 
 
 
 
 
 
 
 
 
 
 
 
 
 
 
 
 
 
 
 
 
 
 
 
 
 
 
 
 
 
 
 
 
 
 
 
 
 
 
 
 
 
 
 
 
 
 
 
 
 
 
 
 
 
 
 
 











