Водонагреватели Gorenje GBK200LNB6 - инструкция пользователя по применению, эксплуатации и установке на русском языке. Мы надеемся, она поможет вам решить возникшие у вас вопросы при эксплуатации техники.
Если остались вопросы, задайте их в комментариях после инструкции.
"Загружаем инструкцию", означает, что нужно подождать пока файл загрузится и можно будет его читать онлайн. Некоторые инструкции очень большие и время их появления зависит от вашей скорости интернета.

56
LIT
GBL 50
GBL 80
GBK 80
GBK 100
GBK 120
GBK 150
GBK 200
A
583
803
803
948
1103
1318
1510
B
187
207
207
202
207
222
430
C
145
345
565
715
865
1065
1050
D
340
416
416
416
416
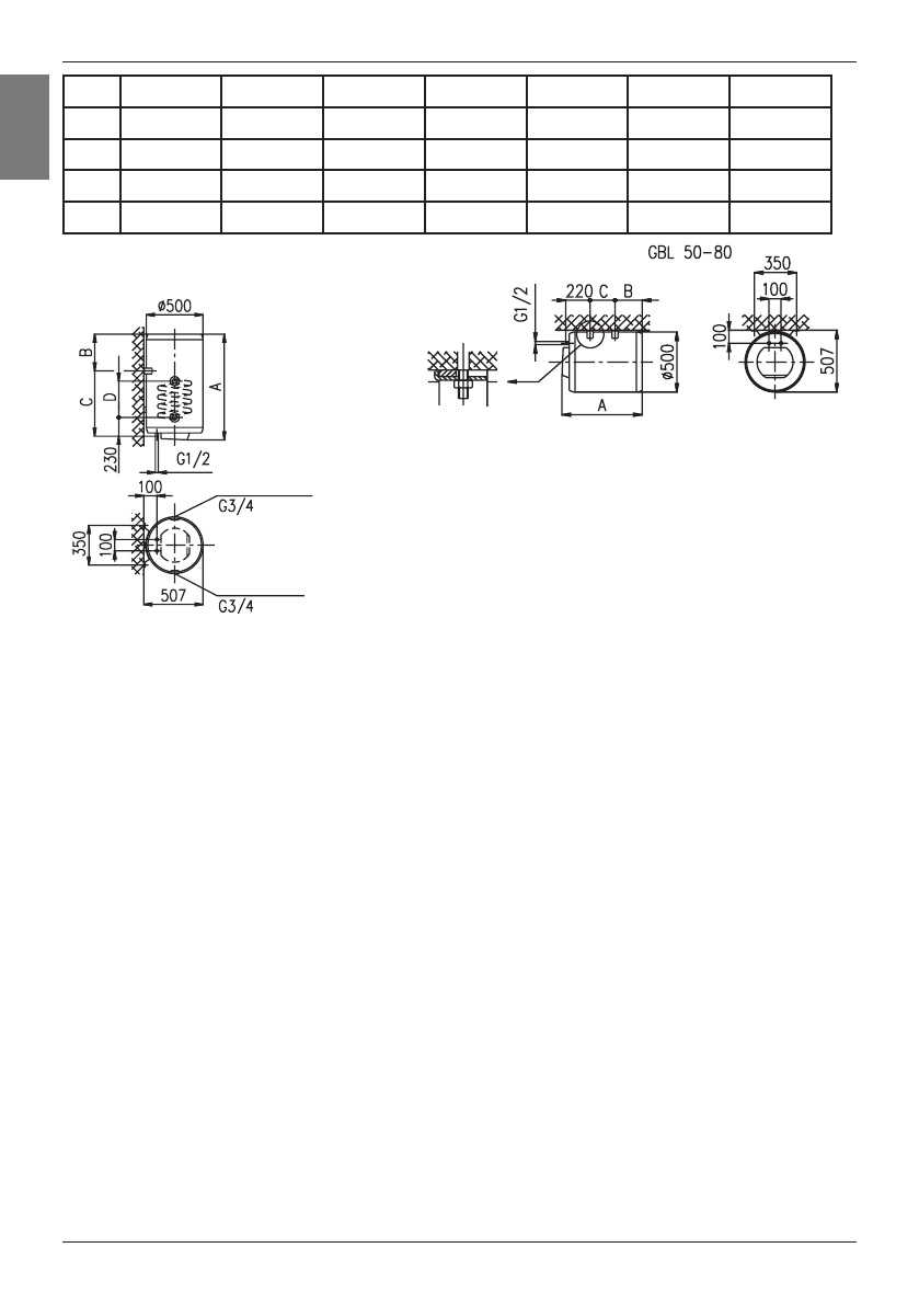
Prijungimo ir montaþiniai ðildytuvo matmenys [mm].
GBK 80 - 200
PRIJUNGIMAS PRIE VANDENTIEKIO TINKLO
Vandens privedimo ir karðto vandens nuvedimo antgaliai paþymëti
skirtingomis spalvomis: mëlynas-ðaltas vanduo, raudonas-karðtas.
Vandens ðildytuvas prie vandentiekio tinklo gali jungtis dvejopai. Uþdara
(kaupiamoji) vandens pajungimo sistema aprûpina vandeniu kelis
vartojimo taðkus, o atvira (pratekanti) - tik viename taðke. Priklausomai
nuo pasirinktos sistemos turi bûti montuojami atatinkami vandens
maiðytuvai. Atviroje vandens pajungimo sistemoje prieð ðildytuvà
bûtina pastatyti apsauginio voþtuvà, kuris neleis karðtam vandeniui patekti á ðalto vandens vamzdá.
Tokioje sistemoje reikia naudoti pratekanèio srauto maiðytuvà. Vandens ðildytuve dël temperatûros
padidëjimo, keièiasi vandens tûris. Dël ðios prieþasties gali ið aukðèiau minëto maiðytuvo gali laðëti
vanduo. Nesistenkite sustabdyti vandens stipriai uþsukdami kranà, nes galite paþeisti maiðytuvà.
Uþdaroje vandens pajungimo sistemoje bûtina naudoti maiðytuvus vandens paëmimo taðkuose. Ant
ðalto vandens padavimo vamzdþio bûtina pastatyti apsauginá/atbuliná voþtuvà, kuris nustatytas 0,7
MPa (7 bar) slëgiui arba apsauginæ grupæ, kuri apsaugotø apsaugotø nuo virðslëgio susidarymo bake.
Vandeniui ðylant, slëgis ðildytuve kyla iki nustatyto 0,7 MPa (7 bar). Vandens perteklius gali laðëti ið
apsauginio voþtuvo angos, todël rekomenduojama nuo apsauginio voþtuvo iki nuotëkynes nuvesti
lankstø vamzdelá ar ðlangà. Ji turëtø bûti nukreipta tiesiai þemyn ir bûtø apsaugota nuo uþðalimo.
Kombinuotas vandens ðildytuvas GBK dirba taip pat kaip elektrinis ðildytuvas GB, ir turi papildomai
ástatytà ðilumokaitá, kuris leidþia ðildyti vandená ið kitø ðaltiniø (centrinio ðildymo, saulës baterijø, ðiluminio
siurblio ir t.t.). Elektrinë ir ðilumokaièio ðildymo sistemos gali dirbti kartu arba atskirai. Ðilumos ðaltinio
átekëjimas á ðilumokaitá paþymëtas raudona spalva, o iðëjimas - mëlyna spalva. Vandens ðildytuvas taip
pat gali bûti pajungiamas prie gráþtamos karðto vandens atðakos (cirkuliacinës linijos). Gráþtamosios
karðto vandens atðakos dëka karðtas vanduo patenka á visus ëmimo taðkus. Pajungimas karðto vandens
atðakai yra po virðutiniu ðildytuvo dangteliu. Norint prisijungti, reikia nuimti virðutiná dangtelá ir atsukti
aklæ. Reikalingas pajungimui detales galite ásigyti pas mûsø atstovus. Jei esama vandentiekio sistema
neleidþia leisti varvanèio vandens ið gráþtamojo apsauginio voþtuvo á kanalizacijos vamzdá, Jûs galite
iðvengti varvëjimo, suinstaliuodami 3 litrø talpos rezervuarà ant boilerio vandens áleidimo vamzdþio.
Jûs turite ásitikinti, kad gráþtamasis apsauginis voþtuvas veikia tinkamai, tikrindami já reguliariai, t.y. kas
14 dienø. Kad patikrintumëte voþtuvà, Jûs turite atidaryti gráþtamojo apsauginio voþtuvo iðëjimo angà,
sukdami rankenëlê arba atsukdami voþtuvo verþlæ (priklausomai nuo voþtuvo tipo). Voþtuvas veikia
tinkamai, jeigu vanduo iðbëga ið purkðtuko, kai iðëjimo anga yra atidaryta.
pajungimas ið deðinës
pajungimas ið kairës
Содержание
- 11 Уважаемый покупатель, благодарим Вас за покупку нашего изделия.; монтдж; ТЕХНИЧЕСКИЕ ХАРАКТЕРИСТИКИ АППАРАТА; входящей температуре холодной воды из водопровода 15°C.; ТЕХНИЧЕСКИЕ ХАРАКТЕРИСТИКИ ТЕПЛООБМЕННИКА; US
- 12 Соединительные и монтажные размеры водонагревателя [мм]; ПОДКЛЮЧЕНИЕ K ВОДОПРОВОДУ; от выбранной системы подключения. B открытой проточной системе
- 13 ПОДKЛЮЧЕНИЕ K ЭЛЕКТРОСЕТИ
- 14 ИСПОЛЬЗОВАНИЕ И УХОД













